Operation CHARM: Car repair manuals for everyone.
Manuals through 2025 now available!

Our trusted friends have launched a new website named LEMON, which has newer manuals. It also contains all the CHARM manuals.

LEMON is the spiritual successor to CHARM, I recommend you try it!

Link: lemon-manuals.la or lemon-manuals.org.ua

(Some people have issue connecting. LEMON is investigating. For now, use Firefox or change your DNS server)

Or, hide this message: temporarily or permanently

Power Liftgate Control Module - Installation






INSTALLATION





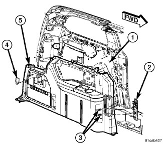
1. Position the power liftgate control module (2) into the vehicle.
2. Insert the mounting tab into the locating slot on the inner quarter panel (1).
3. Install the power liftgate control module push pin style retainer (3).
4. Connect the wire harness connectors (4) to the power liftgate control module.
5. If equipped, install the subwoofer, Speaker - Removal.





6. Install the left quarter trim panel (5).
a. Position the left quarter trim panel (5) into the vehicle.
b. Connect the auxiliary power outlet and power inverter (2) wire harness connectors (3) (if equipped).
c. Align the trim panel over the retaining slots on the inner quarter panel (1) and firmly snap into place.
d. Install the six quarter trim retaining screws.
e. Install the third row upper turning loop anchor bolt.
f. Install the third row lower seat belt webbing anchor (4).





7. Install the quarter trim bolster (5).
a. Position the quarter trim bolster (5) into the vehicle and slide the rear seat belt (3) into the slot.
b. Align the locating tabs (4) with the holes in the left quarter trim panel.
c. Carefully engage the quarter trim bolster upper retaining tabs (2) by inserting them into the left quarter trim panel and swinging the bottom edge of the bolster towards the left quarter trim.
d. Push the quarter trim bolster into the left quarter trim panel until the retaining clips (1) are fully seated.





8. Install the upper D-pillar trim.
a. Position the upper D-pillar trim into the liftgate opening.
b. Connect the power liftgate D-Pillar switch and third row power folding seat switch electrical connectors (3) (if equipped).
c. Carefully engage the upper D-pillar trim end tab (5) into the rear header trim plate.
d. Push the upper D-pillar trim onto the D-Pillar to engage the trim retaining clips (2).





9. Install the liftgate scuff plate.
a. Position the liftgate scuff plate (3) into the liftgate opening.
b. Carefully engage the scuff plate end tabs (4) into the left and right quarter trim panels (5).
c. Push the liftgate scuff plate down onto the liftgate opening to engage the scuff plate retaining clips (1).

10. Connect the battery negative cable.
11. Using an appropriate scan tool, check and erase any power liftgate control module diagnostic trouble codes.
12. Perform the power liftgate learn cycle, Programming and Relearning.
13. Verify power liftgate system operation.