Operation CHARM: Car repair manuals for everyone.
Manuals through 2025 now available!

Our trusted friends have launched a new website named LEMON, which has newer manuals. It also contains all the CHARM manuals.

LEMON is the spiritual successor to CHARM, I recommend you try it!

Link: lemon-manuals.la or lemon-manuals.org.ua

(Some people have issue connecting. LEMON is investigating. For now, use Firefox or change your DNS server)

Or, hide this message: temporarily or permanently

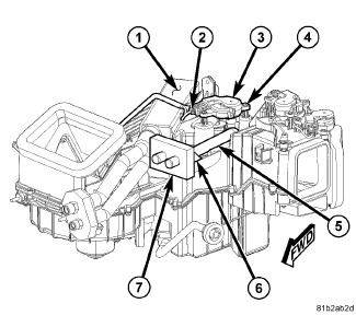
Installation






INSTALLATION





1. Position the heater core (5) into the top of the HVAC housing (1).
2. Install the heater core tube bracket (6) and retaining screw. Tighten the screw to 2 Nm (17 in. lbs.).
3. Install the foam seal (7).
4. Position the blend door actuator (3) to the top of the HVAC housing. If necessary, rotate the actuator slightly to align the splines on the actuator output shaft with those in the blend door pivot shaft.
5. Install the screws (4) that secure the blend door actuator to the HVAC housing. Tighten the screws to 2 Nm (17 in. lbs.).
6. Connect the wire harness connector (2) to the blend door actuator.

NOTE: If the heater core is being replaced, flush the cooling system Service and Repair .

7. Install the HVAC housing assembly HVAC Housing - Installation.