Operation CHARM: Car repair manuals for everyone.
Manuals through 2025 now available!

Our trusted friends have launched a new website named LEMON, which has newer manuals. It also contains all the CHARM manuals.

LEMON is the spiritual successor to CHARM, I recommend you try it!

Link: lemon-manuals.la or lemon-manuals.org.ua

(Some people have issue connecting. LEMON is investigating. For now, use Firefox or change your DNS server)

Or, hide this message: temporarily or permanently

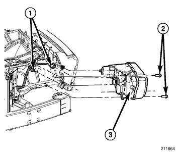
Front Lamp Unit - Installation






LAMP





1. Position the front lamp unit (3) to the front of the vehicle.
2. Reconnect the wire harness connectors (1) to the connector receptacles on the back of the lamp housing.
3. Align the ball stud on the back of the upper outboard corner of the lamp housing with the grommet in the radiator closure panel.
4. Using hand pressure, push firmly and evenly on the upper outboard corner of the lamp until the ball stud snaps into the grommet.
5. Install and tighten the three screws (2) that secure the front lamp unit to the radiator closure panel. Tighten the screws securely.





6. Reinstall the front fascia onto the vehicle. Front Bumper Fascia - Installation.
7. Reconnect the battery negative cable.
8. Confirm proper headlamp alignment. Adjustments.