Operation CHARM: Car repair manuals for everyone.
Manuals through 2025 now available!

Our trusted friends have launched a new website named LEMON, which has newer manuals. It also contains all the CHARM manuals.

LEMON is the spiritual successor to CHARM, I recommend you try it!

Link: lemon-manuals.la or lemon-manuals.org.ua

(Some people have issue connecting. LEMON is investigating. For now, use Firefox or change your DNS server)

Or, hide this message: temporarily or permanently

Engine Will Not Crank






NO CRANK CONDITION





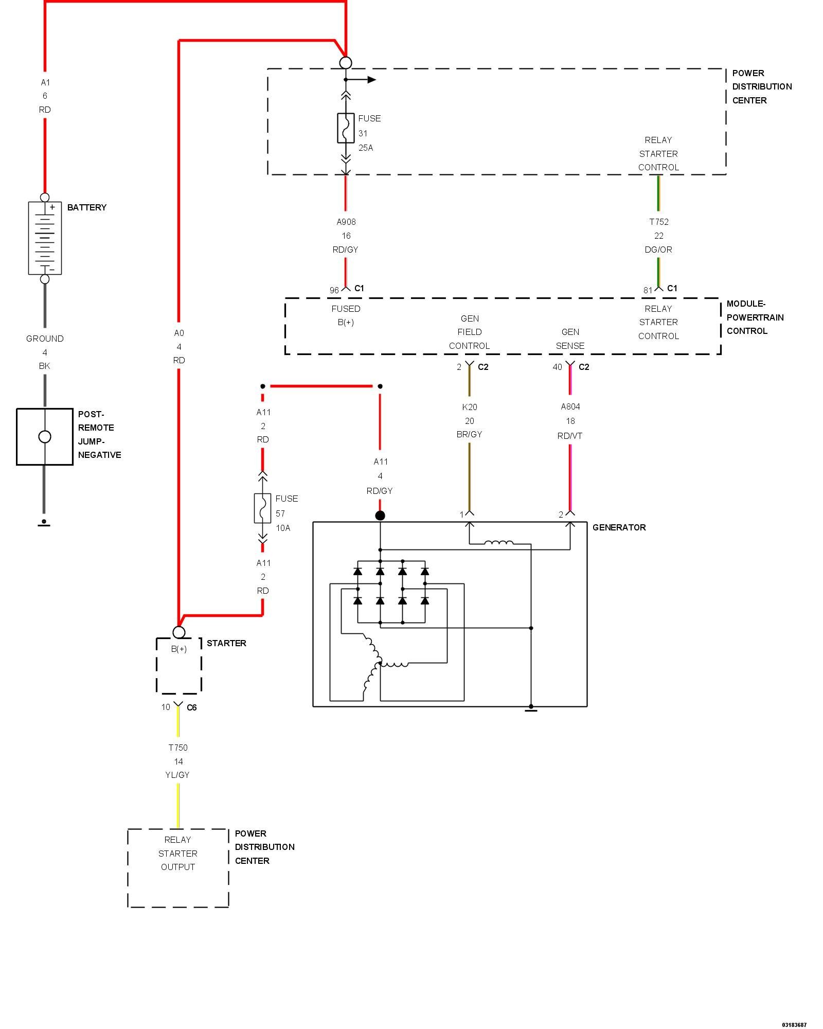
For a complete wiring diagram, refer to the Wiring Information.






Diagnostic Test

1. MECHANICAL CONDITION

NOTE: Inspect all fuses and replace as necessary. If a fuse is open check the circuit for a short to ground.

NOTE: Check the BCM for any starter relay DTCs and diagnose before continuing.

NOTE: Install a known good Starter relay and see if the vehicle will start.

NOTE: An external Radio-Frequency Identification (RFID) key (and/or pass/radio key), such as one used to gain access to a 24 hour gym, can cause a DTC to set and create a no start condition. Inspect the customer's key chain for any type of RFID key. If one is not found, question the customer to see if a spare key chain has this RFID key on it or if it was removed from the original key chain before the vehicle was released for service. If a RFID key is present, remove the ignition key from the vehicle and remove the RFID key from the key chain. Turn the ignition on a minimum for one hour, and then attempt to start the vehicle. If the vehicle does not start, continue with the diagnostic test.

NOTE: Verify the key being used is the proper key for this vehicle and a blank key. If the key being programmed is not blank (one that has been programmed for another vehicle) this fault will set.

NOTE: Verify the battery is fully charged and capable of passing a load test before continuing.

WARNING: Make sure the battery is disconnected, then wait two minutes before proceeding. Failure to do so may result in possible serious or fatal injury.

1. Turn the engine over by hand to make sure the engine is not seized.

Is the engine able to turn over?

Yes

- Go To 2

No

- Repair the mechanical condition preventing the starter motor from cranking.
- Perform the POWERTRAIN VERIFICATION TEST. Powertrain Verification Test.

2. PARK/NEUTRAL POSITION
1. Turn the ignition on.
2. With a scan tool, monitor the Park Neutral Position.
3. Move the transmission selector through the different gear selections while monitoring the scan tool.

Does the scan tool display the transmission positions properly when in Park and Neutral?

Yes

- Go To 3

No

- Adjust the shift cable if applicable. Perform the diagnostic procedure for P0850-Park Neutral Switch Performance as if it is active.
- Perform the POWERTRAIN VERIFICATION TEST. Powertrain Verification Test.

3. TRANSMISSION RANGE SENSOR
1. Turn the ignition off.
2. Disconnect the TRS harness connectors.
3. Move the Gear selector through all gear positions, from Park to 1st and back.
4. While moving the gear selector through each gear, measure the resistance between ground and the TRS (T41) Sense (P/N Position Switch Sense) circuit at the TRS connector.

NOTE: The circuit is grounded in Park and Neutral and open in the other positions.

Did the resistance change from above 100 kOhms (open) to below 10.0 Ohms (grounded) ?

Yes

- Go To 4

No

- Replace the Transmission Range Sensor.
- Perform the POWERTRAIN VERIFICATION TEST. Powertrain Verification Test.

4. PCM FUSED B+ CIRCUIT




1. Turn the ignition off.
2. Disconnect the PCM C1 harness connector.
3. Using a 12-Volt test light connected to ground, probe the Fused B+ circuit the PCM C1 harness connector.

Does the test light illuminate brightly?

Yes

- Go To 5

No

- Repair the open or short to ground in the PCM Fused B+ circuit.
- Perform the POWERTRAIN VERIFICATION TEST. Powertrain Verification Test.

5. EXCESSIVE RESISTANCE IN THE BATTERY CIRCUIT
1. Turn the ignition off.
2. Check both Battery Cables for excessive resistance using the service information procedure. Testing and Inspection.

Did either Battery Cable have a voltage drop greater than 0.2 Volt?

Yes

- Repair the excessive resistance in the Battery circuit.
- Perform the POWERTRAIN VERIFICATION TEST. Powertrain Verification Test.

No

- Go To 6

6. STARTER

CAUTION: The Parking Brake must be on and the Transmission must be in park for a vehicle equipped with an automatic transmission.

WARNING: When the engine is operating, do not stand in direct line with the fan. Do not put your hands near the pulleys, belts or fan. Do not wear loose clothing. Failure to follow these instructions may result in possible serious or fatal injury.

1. Turn ignition off.
2. Disconnect the Starter Solenoid harness connector.

NOTE: The Stater Solenoid harness connector must remain disconnected at this time.

3. Have an assistant turn the ignition key to the CRANK position.
4. Using a 12-Volt test light connected ground, probe the (T750) Stater Relay Output circuit at the Starter Solenoid harness connector while the ignition key is in the CRANK position.

Does the test light illuminate brightly?

Yes

- Replace the Starter.
- Perform the POWERTRAIN VERIFICATION TEST. Powertrain Verification Test.

No

- Go To 7

7. (T752) STARTER OVERRIDE CIRCUIT CHECK

NOTE: Inspect fuses related to the Starter.

1. Turn the ignition off.
2. Remove the Starter Relay from the Front PDC.
3. Disconnect the PCM C1 harness connector.
4. Measure the resistance of the (T752) Starter Relay Control circuit between the Starter Relay (terminal 86) and the PCM C1 harness connector.

Was the resistance below 5.0 Ohms?

Yes

- Go To 8

No

- Repair the (T752) Starter Relay Control circuit for an open or high resistance.
- Perform the POWERTRAIN VERIFICATION TEST. Powertrain Verification Test.

8. (T750) STARTER CONTROL OUTPUT CIRCUIT OPEN
1. Disconnect the Starter Solenoid harness connector.
2. Measure the resistance of the (T750) Starter Control Output circuit between the Starter Solenoid harness connector and the Starter Relay (terminal 87).

Is the resistance below 5.0 Ohms?

Yes

- Go To 9

No

- Repair the open in the (T750) Starter Control Output circuit.
- Perform the POWERTRAIN VERIFICATION TEST. Powertrain Verification Test.

9. (T750) STARTER CONTROL OUTPUT CIRCUIT SHORTED TO GROUND
1. Measure the resistance between ground and the (T750) Starter Control Output circuit in the Starter Solenoid harness connector.

Is the resistance below 100 Ohms?

Yes

- Repair the short to ground in the (T750) Starter Control Output circuit.
- Perform the POWERTRAIN VERIFICATION TEST. Powertrain Verification Test.

No

- Go To 10

10. (K90) STARTER RELAY CONTROL (HSD) CIRCUIT OUTPUT CIRCUIT SHORTED TO GROUND OR OPEN
1. Disconnect the BCM A harness connector.
2. Check the (K90) Stater Relay Control (HSD) circuit for and open or short to ground between the BCM and Start Relay.

Is the circuit open or shorted to ground?

Yes

- Repair the open or short to ground in the (K90) Starter Relay Control (HSD) circuit.
- Perform the POWERTRAIN VERIFICATION TEST. Powertrain Verification Test.

No

- Test complete. The no crank condition may be caused by a fault in the RF Hub (security system).