Operation CHARM: Car repair manuals for everyone.
Manuals through 2025 now available!

Our trusted friends have launched a new website named LEMON, which has newer manuals. It also contains all the CHARM manuals.

LEMON is the spiritual successor to CHARM, I recommend you try it!

Link: lemon-manuals.la or lemon-manuals.org.ua

(Some people have issue connecting. LEMON is investigating. For now, use Firefox or change your DNS server)

Or, hide this message: temporarily or permanently

Powertrain Control Module - Installation






INSTALLATION





1. If removed, position the Powertrain Control Module (PCM) mounting bracket (1) onto the PCM (4), install the two retaining nuts (2) and tighten to 8 Nm (71 in. lbs.).
2. If removed, install the NVH rubber bumper (3) onto the PCM.






NOTE: Prior to reconnecting the electrical connectors to the PCM, check the pins in the electrical connectors for misalignment and/or damage. Repair as necessary.

3. Position the PCM (3) into the vehicle.
4. Connect the PCM harness connectors (2).
5. Position the PCM bracket to the cross support, install the retaining bolt (1) and tighten to 16 Nm (12 ft. lbs.).





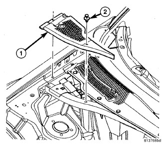
6. Position the front cowl top panel (1) to the right rear corner of the engine compartment.
7. Install the two push-pins (2) that secure the front cowl top panel.





8. Connect the negative battery cable and tighten nut (1) to 5 Nm (45 in. lbs.).

NOTE: If a new PCM is installed, it must be programed with the original Vehicle Identification Number (VIN) and mileage. If this is not done, a Diagnostic Trouble Code (DTC) may set.

NOTE: If a new PCM is installed Flash Programming

9. If a new PCM is being installed, use a scan tool and program the new PCM with the original VIN and vehicle mileage.