Operation CHARM: Car repair manuals for everyone.
Manuals through 2025 now available!

Our trusted friends have launched a new website named LEMON, which has newer manuals. It also contains all the CHARM manuals.

LEMON is the spiritual successor to CHARM, I recommend you try it!

Link: lemon-manuals.la or lemon-manuals.org.ua

(Some people have issue connecting. LEMON is investigating. For now, use Firefox or change your DNS server)

Or, hide this message: temporarily or permanently

Engine Cranks But Does Not Start






ENGINE CRANKS BUT DOES NOT START

Special Tools:










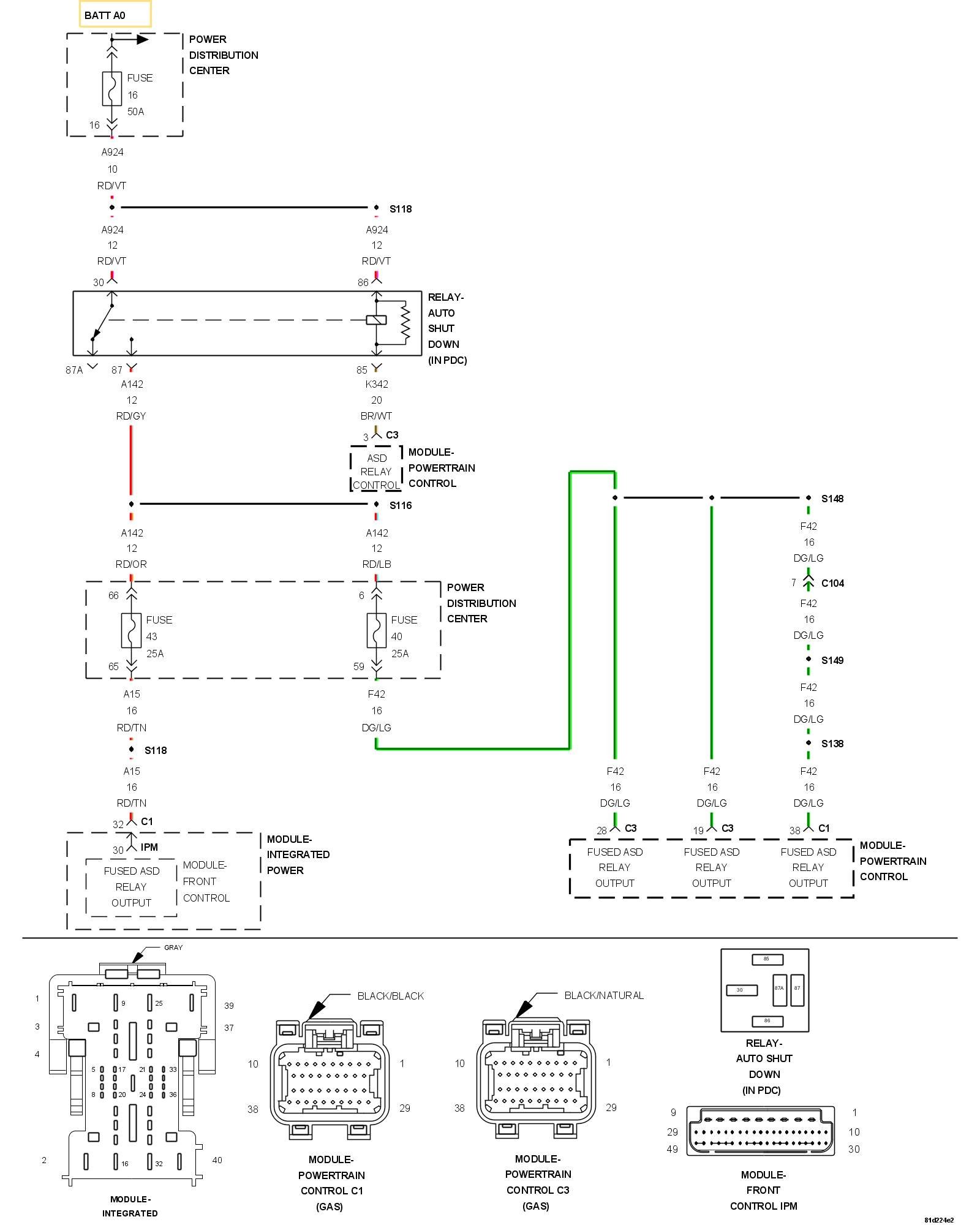
For a complete wiring diagram, refer to the Wiring Information.






1. NO START PRE-TEST

NOTE: Verify no DTCs are set in the Occupant Restraint Controller. If DTCs are present, they may be the cause of a No Start condition.

NOTE: The following list of items must be checked before continuing with any No Start diagnostic tests.

1. The battery must be fully charged and in good condition. A low charged battery may produce invalid test results. If the battery is low, charge the battery and then attempt to start the vehicle by cranking the engine for 15 seconds, three consecutive times. This will allow any DTCs to set that may have been erased due to a dead battery.
2. Try to communicate with PCM using a scan tool. If communication between the scan tool and PCM is not allowed, inspect fuses. If the PCM reports a No Response condition, and perform the No Response from PCM diagnostic procedure No Response From PCM (Powertrain Control Module) - NGC.
3. Make sure the PCM Power and Ground circuits are OK.
4. Using the scan tool, read PCM DTCs. If any DTCs are present, they must be repaired before continuing with any other No Start diagnostic tests. Testing and Inspection for the related P-code that is reported by the PCM.
5. Make sure that the Bus is functional. Attempt to communicate with the Instrument Cluster and VTSS, If you are unable to establish communications, Manufacturer Code Charts for the proper Diagnostic procedures.
6. The Sentry Key Immobilizer System (Wireless Ignition Node) must be operating properly. Check for proper communication with the scan tool and check for DTCs that may be stored in the WIN. Repair the DTCs before continuing.
7. If no DTCs are found, using the scan tool, select Clear PCM (BATT Disconnect).
8. Crank the engine several times. Using the scan tool, read DTCs. If a DTC is present, perform the DTC diagnostics before continuing.

Were any problems found?

Yes

- Repair as necessary.
- Perform the POWERTRAIN VERIFICATION TEST. Powertrain Verification Test.

No

- Go To 2

2. OPEN FUSE
1. Check for any open fuses in the IPM or Junction Block that may be related to the No Start condition.

Are any of the fuses open?

Yes

- Replace the open fuse and check the related circuit(s) for a short to ground.
- Perform the POWERTRAIN VERIFICATION TEST. Powertrain Verification Test.

No

- Go To 3

3. CRANKSHAFT POSITION SENSOR
1. Turn the ignition off.
2. Disconnect the CKP Sensor.
3. Attempt to start the engine.

Does the engine start?

Yes

- Replace the Crankshaft Position Sensor.
- Perform the POWERTRAIN VERIFICATION TEST. Powertrain Verification Test.

No

- Go To 4

4. CAMSHAFT POSITION SENSOR
1. Turn the ignition off.
2. Connect the CKP Sensor.
3. Disconnect the CMP Sensor.
4. Attempt to start the engine.

Does the engine start?

Yes

- Replace the Camshaft Position Sensor.
- Perform the POWERTRAIN VERIFICATION TEST. Powertrain Verification Test.

No

- Go To 5

5. FUSED B+ CIRCUIT CHECK




1. Turn the ignition off.
2. Disconnect the C1 PCM harness connector.

CAUTION: Do not probe the PCM harness connectors. Probing the PCM harness connectors will damage the PCM terminals resulting in poor terminal to pin connection. Install the PCM Pinout Box to perform diagnosis.

3. Using a 12-volt test light connected to ground, probe the Fused B+ circuits.

Does the test light illuminate brightly?

Yes

- Go To 6

No

- Repair the open or short to ground in the Fused B+ circuit.
- Perform the POWERTRAIN VERIFICATION TEST. Powertrain Verification Test.

6. (A142) ASD RELAY OUTPUT CIRCUIT OPEN
1. Turn the ignition off.
2. Remove the ASD relay from the IPM.
3. Disconnect the C3 PCM harness connector.
4. Verify the ASD Relay is getting voltage on the Fused B+ circuits before continuing.

CAUTION: Do not probe the PCM harness connectors. Probing the PCM harness connectors will damage the PCM terminals resulting in poor terminal to pin connection. Install the PCM Pinout Box to perform diagnosis.

5. Measure the resistance of the (A142) ASD Relay Output circuit from the ASD Relay connector to the appropriate terminals of PCM Pinout Box , Ignition coil, and the fuel injectors.

Is the resistance below 5.0 Ohms?

Yes

- Go To 7

No

- Repair the open in the (A142) ASD Relay Output circuit.
- Perform the POWERTRAIN VERIFICATION TEST. Powertrain Verification Test.

7. FUEL PUMP DELIVERY
1. Verify that the Fuel tank is not empty before continuing.
2. Follow the diagnostics for Checking the Fuel Delivery System in the Driveability.

Was the No Start condition solved after following the Checking the Fuel Delivery System diagnostic procedure?

Yes

- Test Complete.

No

- Go To 8

8. ENGINE MECHANICAL
1. Check for any of the following conditions/mechanical problems.
- ENGINE COMPRESSION - must be within specifications
- ENGINE EXHAUST SYSTEM - must be free of any restrictions or leaks.
- ENGINE VALVE TIMING - must be within specifications, check for broken timing components

Are there any engine mechanical problems?

Yes

- Repair as necessary.
- Perform the POWERTRAIN VERIFICATION TEST. Powertrain Verification Test

No

- Go To 9

9. POWERTRAIN CONTROL MODULE (PCM)

NOTE: Before continuing, check the PCM harness connector terminals for corrosion, damage, or terminal push out. Repair as necessary.

1. Using the schematics as a guide, inspect the wire harness and connectors. Pay particular attention to all Power and Ground circuits.

Were there any problems found?

Yes

- Repair as necessary.
- Perform the POWERTRAIN VERIFICATION TEST. Powertrain Verification Test

No

- Replace and program the Powertrain Control Module.
- Perform the POWERTRAIN VERIFICATION TEST. Powertrain Verification Test.