Operation CHARM: Car repair manuals for everyone.
Manuals through 2025 now available!

Our trusted friends have launched a new website named LEMON, which has newer manuals. It also contains all the CHARM manuals.

LEMON is the spiritual successor to CHARM, I recommend you try it!

Link: lemon-manuals.la or lemon-manuals.org.ua

(Some people have issue connecting. LEMON is investigating. For now, use Firefox or change your DNS server)

Or, hide this message: temporarily or permanently

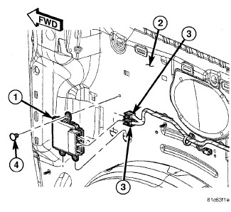
Park Assist Module - Installation






INSTALLATION





1. Position the park assist module (1) to the right quarter inner panel (2), to the rear of the C-pillar and above the right rear wheel housing.
2. Engage the two lower mounting tabs of the module into the stamped pockets in the right quarter inner panel.
3. Secure the upper mounting tab of the module to the right quarter inner panel using a plastic push-in fastener (4).
4. Reconnect the two body wire harness connectors (3) to the module connector receptacles.
5. If removed, install the passive entry antenna on vehicles equipped with the passive entry.
6. Reinstall the trim onto the right quarter inner panel. Quarter Trim Panel - Installation.
7. Reconnect the battery negative cable.