Operation CHARM: Car repair manuals for everyone.
Manuals through 2025 now available!

Our trusted friends have launched a new website named LEMON, which has newer manuals. It also contains all the CHARM manuals.

LEMON is the spiritual successor to CHARM, I recommend you try it!

Link: lemon-manuals.la or lemon-manuals.org.ua

(Some people have issue connecting. LEMON is investigating. For now, use Firefox or change your DNS server)

Or, hide this message: temporarily or permanently

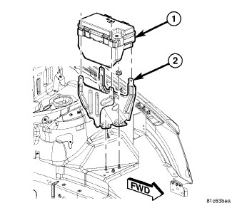
Totally Integrated Power Module (TIPM) - Removal






REMOVAL





1. Open hood.
2. Disconnect and isolate the battery negative cable.
3. Release the Totally Integrated Power Module (TIPM) cover retaining clips and open the TIPM cover.
4. Remove the TIPM positive cable retaining nut and remove the cable from the stud.
5. Depress the four mounting clips to disengage and remove the TIPM housing from its mounting bracket.
6. Disconnect the wire harness connectors.
7. Remove the TIPM from the vehicle.