Manuals through 2025 now available!
Our trusted friends have launched a new website named LEMON, which has newer manuals. It also contains all the CHARM manuals.
LEMON is the spiritual successor to CHARM, I recommend you try it!
Link:
lemon-manuals.la or
lemon-manuals.org.ua
(Some people have issue connecting. LEMON is investigating. For now, use Firefox or change your DNS server)
Or, hide this message:
temporarily or
permanently
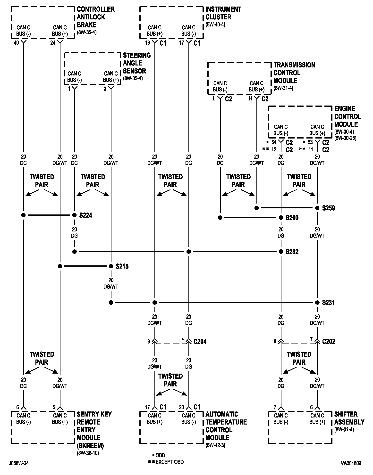
Information Bus
PLEASE NOTE: Some diagrams may appear to be missing because of gaps in the number sequences. These "gaps" are actually for diagrams that do not apply to the vehicle model selected.
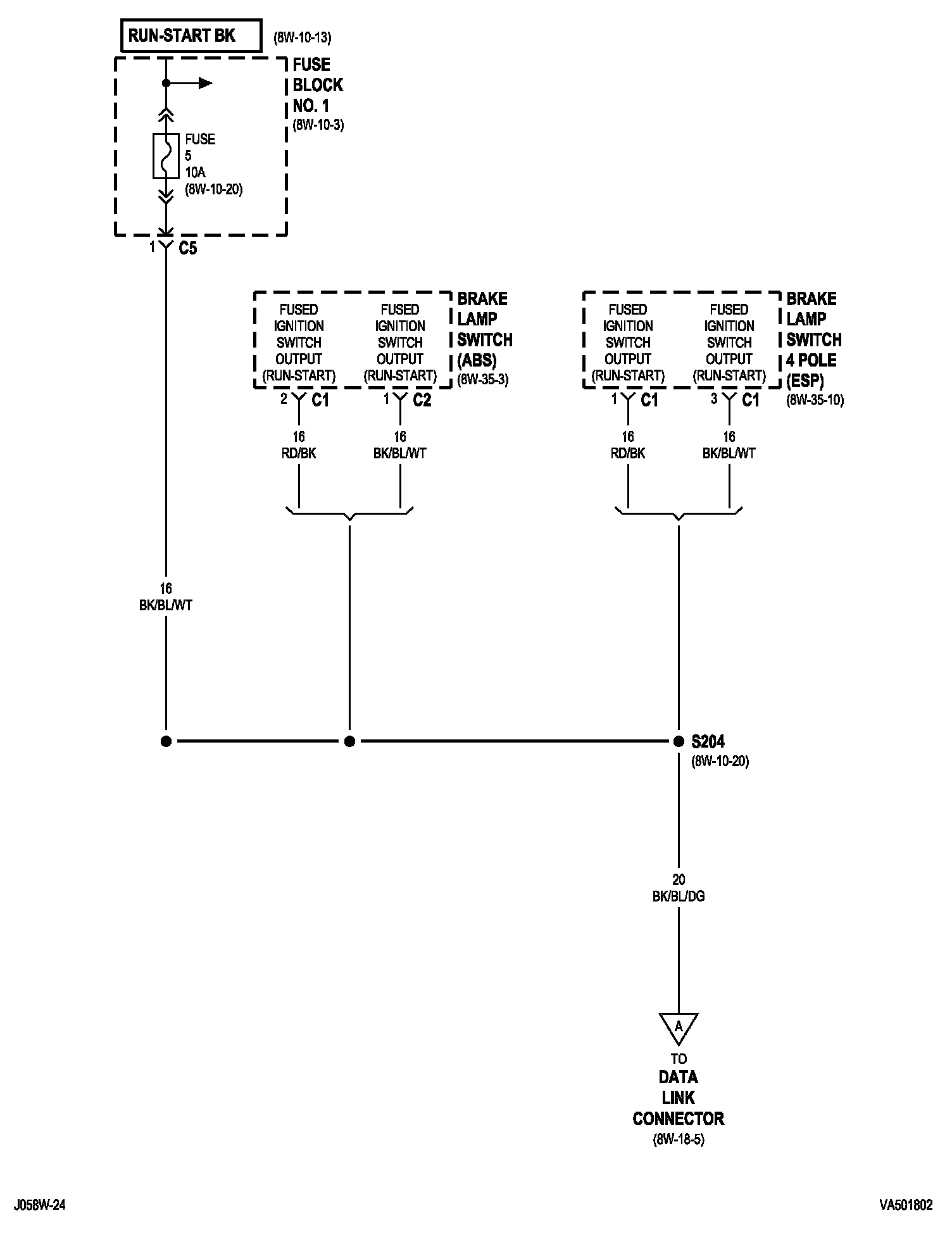
8w-18-2:
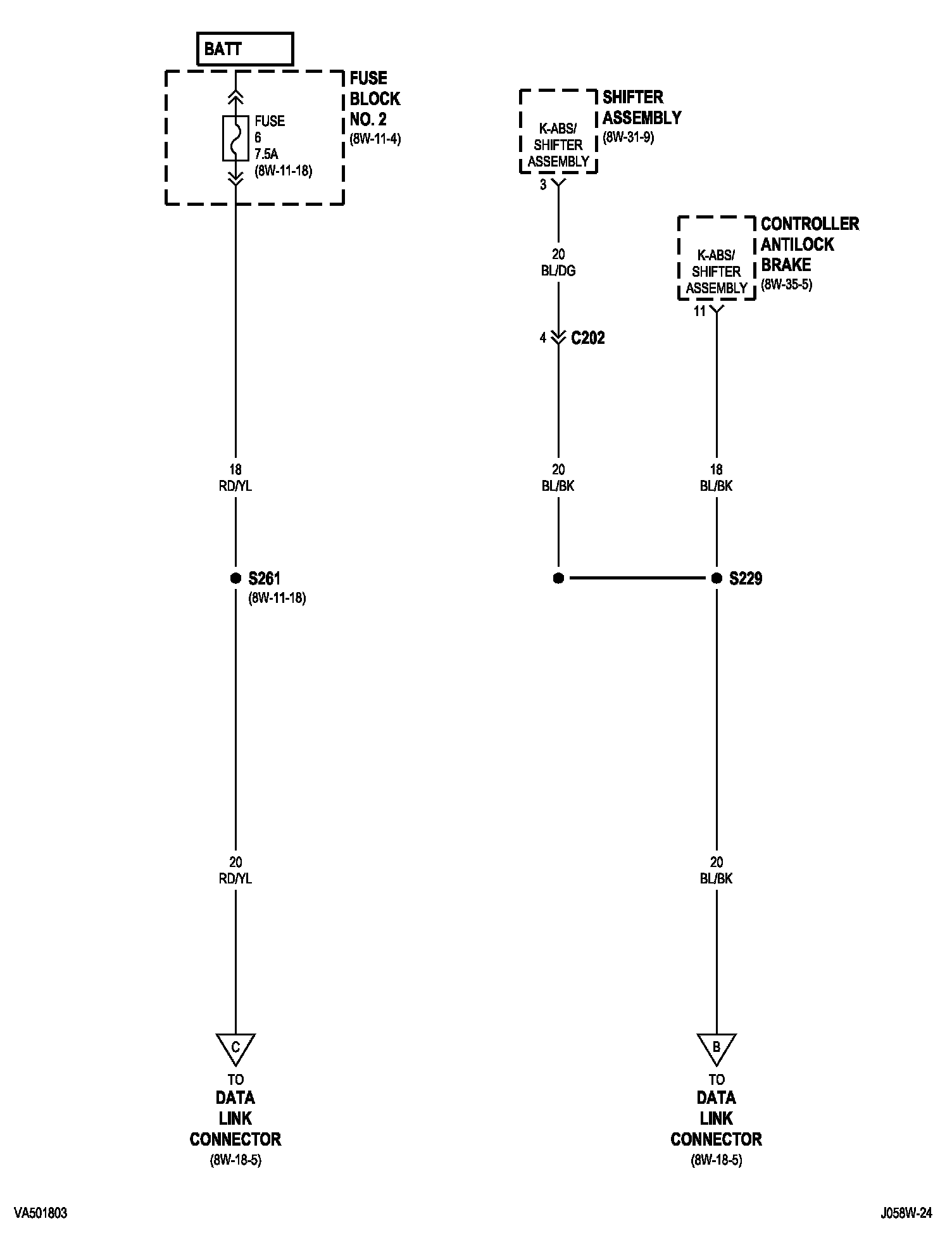
8w-18-3:
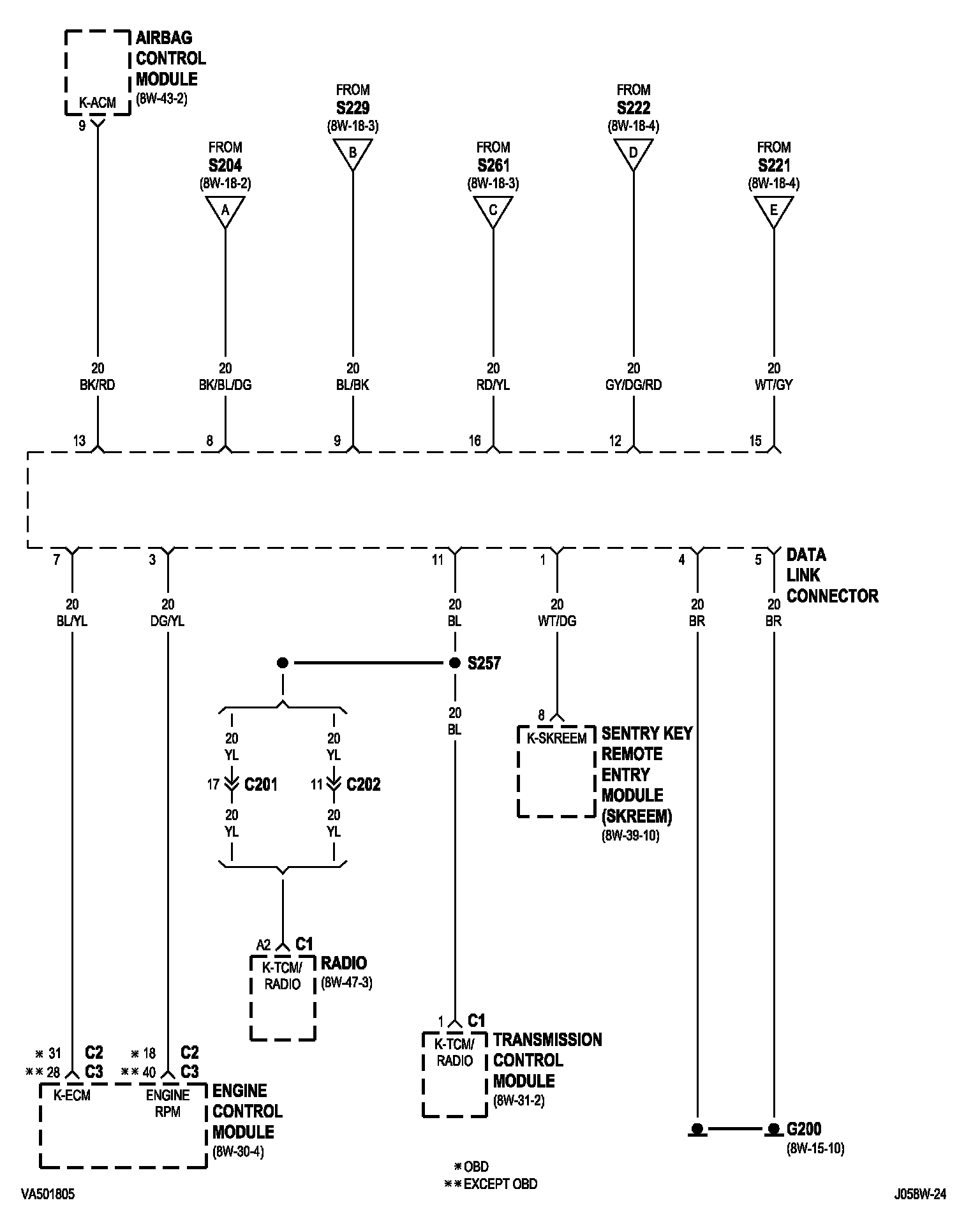
8w-18-4:
8w-18-5:
8w-18-6:
Other Diagrams: Other diagrams referred to by number(i.e. 8W-70-2, etc.) within these diagrams can be found at the vehicle level under
Diagrams by Number.
Diagrams By Number