Operation CHARM: Car repair manuals for everyone.
Manuals through 2025 now available!

Our trusted friends have launched a new website named LEMON, which has newer manuals. It also contains all the CHARM manuals.

LEMON is the spiritual successor to CHARM, I recommend you try it!

Link: lemon-manuals.la or lemon-manuals.org.ua

(Some people have issue connecting. LEMON is investigating. For now, use Firefox or change your DNS server)

Or, hide this message: temporarily or permanently

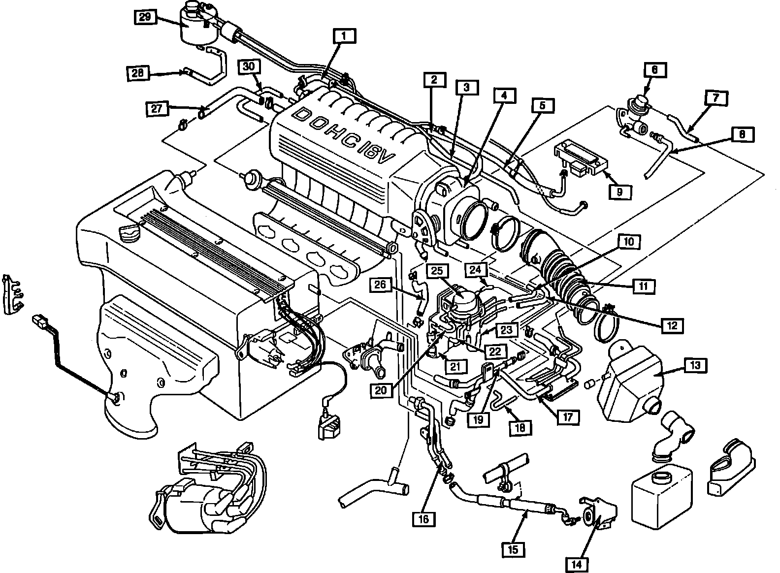
Emission Control Systems: Locations

DOHC Emission Component Locations:






1. MAP SENSOR HOSE: CYLINDER HEAD COVER TO PIPE
2. CANISTER HOSE: TO THROTTLE VALVE
3. CANISTER HOSE: TO PIPE
4. THROTTLE VALVE
5. MAP SENSOR HOSE: PIPE TO MAP SENSOR
6. EGR VALVE
7. EGR HOSE: PIPE TO EGR VALVE
8. EGR PIPE
9. MAP SENSOR
10. EGR HOSE: THROTTLE VALVE TO PIPE
11. AIR DUCT
12. EGR HOSE: MODULATOR TO EGR VALVE
13. AIR CLEANER
14. FUEL FILTER
15. FUEL FEED PIPE
16. FUEL RETURN PIPE
17. THROTTLE VALVE HEATING HOSE: THERMOSTAT HOUSING TO T-VALVE
18. CANISTER HOSE: PIPE TO THROTTLE VALVE
19. PCV HOSE: CYLINDER HEAD COVER TO AIR DUCT
20. EGR HOSE: VSV TO MODULATOR
21. VSV: EGR
22. EGR HOSE: PIPE TO VSV
23. EGR HOSE: EGR VALVE TO MODULATOR
24. EGR HOSE: MODULATOR TO PIPE
25. EGR MODULATOR
26. THROTTLE VALVE HEATING HOSE: T-VALVE TO BYPASS PIPE
27. PCV HOSE: CYLINDER HEAD COVER TO AIR DUCT
28. CANISTER HOSE
29. CANISTER
30. VACUUM HOSE: FUEL PRESSURE REGULATOR TO COMMON CHAMBER