Manuals through 2025 now available!
Our trusted friends have launched a new website named LEMON, which has newer manuals. It also contains all the CHARM manuals.
LEMON is the spiritual successor to CHARM, I recommend you try it!
Link:
lemon-manuals.la or
lemon-manuals.org.ua
(Some people have issue connecting. LEMON is investigating. For now, use Firefox or change your DNS server)
Or, hide this message:
temporarily or
permanently
Engine Overhaul (Unit Repair)
Fig. 3 SOHC Engine Cylinder Head Components:
Fig. 4 SOHC Engine Air Intake System:
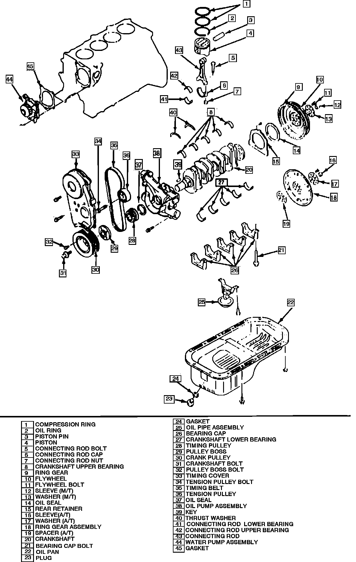
Fig. 5 SOHC Cylinder Block Components:
Refer to Fig. 3 thru 5, when working on SOHC engines.