Operation CHARM: Car repair manuals for everyone.
Manuals through 2025 now available!

Our trusted friends have launched a new website named LEMON, which has newer manuals. It also contains all the CHARM manuals.

LEMON is the spiritual successor to CHARM, I recommend you try it!

Link: lemon-manuals.la or lemon-manuals.org.ua

(Some people have issue connecting. LEMON is investigating. For now, use Firefox or change your DNS server)

Or, hide this message: temporarily or permanently

Diagnostic Circuit Check

Diagnostic Circuit Check - Flow Chart:




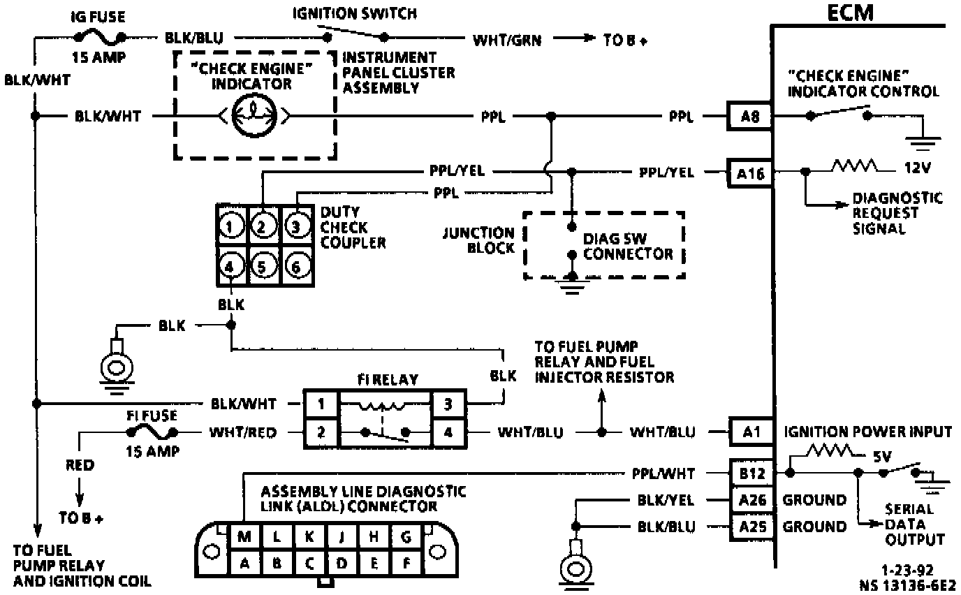
Diagnostic Circuit Check Schematic:




CIRCUIT DESCRIPTION
The Diagnostic Circuit Check is an organized approach to identifying a problem created by an electronic engine control system malfunction. It must be the starting point for any driveability complaint diagnosis, because it directs the service technician to the next logical step in diagnosing the complaint. Using the chart correctly will reduce diagnostic time and prevent the unnecessary replacement of good parts.

TEST DESCRIPTION
Number(s) below refer to circled number(s) on the diagnostic chart.

1. Checks the "CHECK ENGINE" indicator operation.
2. Checks to see if the Electronic Control Module (ECM)'s self-diagnostic mode is operating.
3. Checks to see if the ECM's serial data output is operating.
4. Checks to see if vehicle will start.
5. Checks for any codes that are stored in the ECM's memory with the engine running.
6. Checks for any codes that are stored in the ECM's memory with the engine off.
7. Compares ECM's control data to typical data values.
8. Checks to see if codes are intermittent problems.