Operation CHARM: Car repair manuals for everyone.
Manuals through 2025 now available!

Our trusted friends have launched a new website named LEMON, which has newer manuals. It also contains all the CHARM manuals.

LEMON is the spiritual successor to CHARM, I recommend you try it!

Link: lemon-manuals.la or lemon-manuals.org.ua

(Some people have issue connecting. LEMON is investigating. For now, use Firefox or change your DNS server)

Or, hide this message: temporarily or permanently

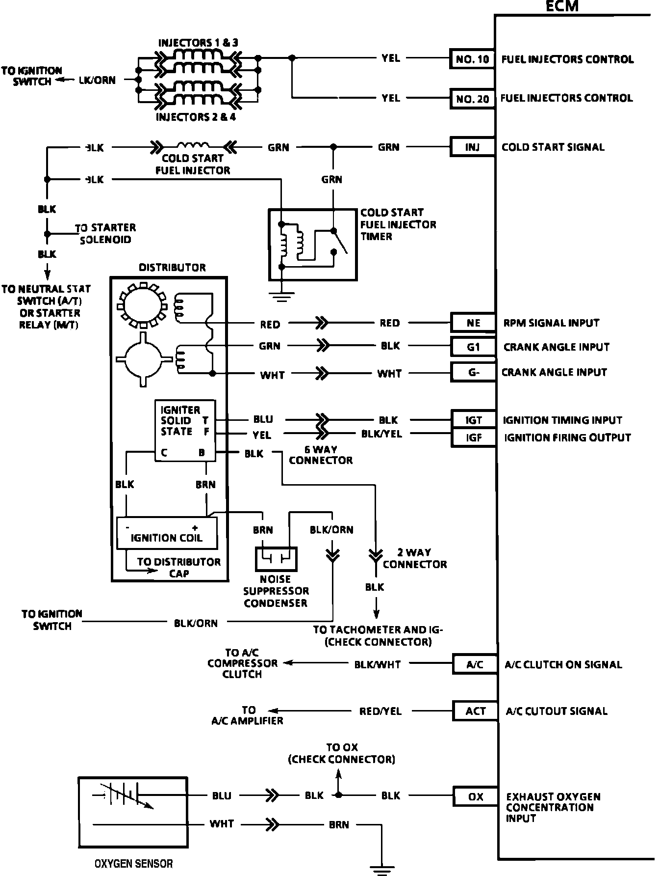
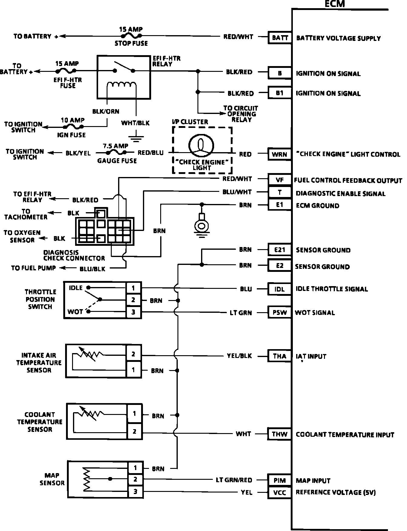
Electronic/Powertrain Control Module (ECM/PCM)

ECM Wiring Diagram:







BATT = BATTERY VOLTAGE SUPPLY
B = IGNITION ON SIGNAL
B1 = IGNITION ON SIGNAL
WRN = CHECK ENGINE LIGHT CONTROL
VF = FUEL CONTROL FEEDBACK OUTPUT
T = DIAGNOSTIC ENABLE SIGNAL
E1 = ECM GROUND
E21 = SENSOR GROUND
E2 = SENSOR GROUND
IDL = IDLE SWITCH SIGNAL
VTA = TPS SIGNAL INPUT
VCC = 5.0 VOLT TPS REFERENCE
THA = IAT SENSOR INPUT
THW = COOLANT TEMPERATURE INPUT



ECM Wiring Diagram:







10 = FUEL INJECTOR 3 AND 4 CONTROL
20 = FUEL INJECTOR 1 AND 2 CONTROL
E01 = ECM GROUND
E02 = ECM GROUND
GO+ = IGNITION FIRING REFERENCE HIGH
GO- = IGNITION FIRING REFERENCE LOW
IGT = IGNITION TIMING INPUT
IGF = IGNITION FIRING OUTPUT
NE = RPM SIGNAL INPUT
KNK = KNOCK INPUT
STP = BRAKE SIGNAL




ECM Wiring Diagram:







THG = EGR TEMP SENSOR INPUT
E21 = SENSOR GROUND
E2 = SENSOR GROUND
FPU = FUEL PRESSURE REGULATOR (VSV) CONTROL
EGR = EGR (VSV) CONTROL
STA = CRANK SIGNAL
NSW = PARK/NEUTRAL SWITCH (AT) INPUT
VISC = IDLE UP SIGNAL INPUT
ACT = A/C CUTOUT CONTROL