Operation CHARM: Car repair manuals for everyone.
Manuals through 2025 now available!

Our trusted friends have launched a new website named LEMON, which has newer manuals. It also contains all the CHARM manuals.

LEMON is the spiritual successor to CHARM, I recommend you try it!

Link: lemon-manuals.la or lemon-manuals.org.ua

(Some people have issue connecting. LEMON is investigating. For now, use Firefox or change your DNS server)

Or, hide this message: temporarily or permanently

Electronic/Powertrain Control Module (ECM/PCM)

ECM Wiring Diagram:







A5 = CHECK ENGINE LIGHT
A9 = ALDL DIAGNOSTIC
A8 = SERIAL DATA
D1 = ECM GROUND
A12 = ECM GROUND
D7 = OXYGEN SENSOR SIGNAL
D6 = OXYGEN SENSOR GROUND
A10 = VSS INPUT
C5 = IAC COIL "A" HI
C6 = IAC COIL "A" LO
C4 = IAC COIL "B" HI
C3 = IAC COIL "B" LO
C12 = IAT SENSOR SIGNAL
D2 = SENSOR GROUND
C13 = TPS SIGNAL
C14 = 5 VOLT REFERENCE
C11 = MAP SIGNAL
A11 = SENSOR GROUND
C10 = COOLANT TEMPERATURE SIGNAL



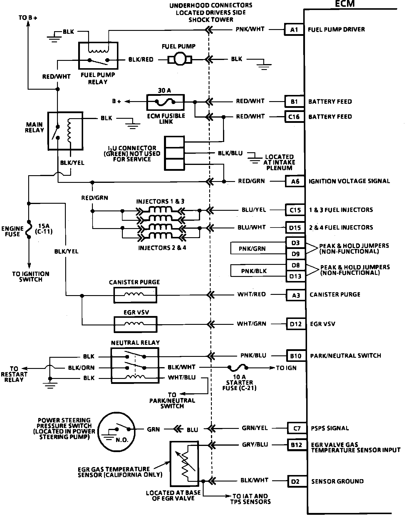
ECM Wiring Diagram:







A1 = FUEL PUMP DRIVER
B1 = BATTERY FEED
C16 = BATTERY FEED
A6 = IGNITION VOLTAGE SIGNAL
C15 = 1 & 3 FUEL INJECTORS
D15 = 2 & 4 FUEL INJECTORS
D3 = PEAK AND HOLD JUMPERS (NON-FUNCTIONAL)
D9 = PEAK AND HOLD JUMPERS (NON-FUNCTIONAL)
D8 = PEAK AND HOLD JUMPERS (NON-FUNCTIONAL)
D13 = PEAK AND HOLD JUMPERS (NON-FUNCTIONAL)
A3 = CANISTER PURGE
D12 = EGR VSV
B10 = PARK/NEUTRAL SWITCH
C7 = PSPS SIGNAL
B12 = EGR VALVE GAS TEMPERATURE SENSOR INPUT
D2 = SENSOR GROUND



Ignition Circuit:







C1 = TPS OUTPUT SIGNAL (A/T)
D4 = EST
B5 = REFERENCE HI
D5 = BYPASS
B3 = REFERENCE LO
B8 = A/C REQUEST
A2 = A/C CLUTCH CONTROL