Operation CHARM: Car repair manuals for everyone.
Manuals through 2025 now available!

Our trusted friends have launched a new website named LEMON, which has newer manuals. It also contains all the CHARM manuals.

LEMON is the spiritual successor to CHARM, I recommend you try it!

Link: lemon-manuals.la or lemon-manuals.org.ua

(Some people have issue connecting. LEMON is investigating. For now, use Firefox or change your DNS server)

Or, hide this message: temporarily or permanently

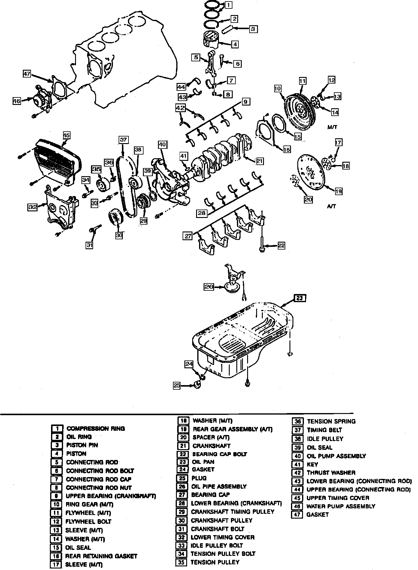
Engine Overhaul (Unit Repair)


Fig. 6 DOHC Engine:




Fig. 7 DOHC Cylinder Block Components:




Fig. 8 DOHC Cylinder Head Components:




Fig. 9 DOHC Intake And Exhaust Components:






Refer to Fig. 6 thru 9, when working on DOHC engines.