Operation CHARM: Car repair manuals for everyone.
Manuals through 2025 now available!

Our trusted friends have launched a new website named LEMON, which has newer manuals. It also contains all the CHARM manuals.

LEMON is the spiritual successor to CHARM, I recommend you try it!

Link: lemon-manuals.la or lemon-manuals.org.ua

(Some people have issue connecting. LEMON is investigating. For now, use Firefox or change your DNS server)

Or, hide this message: temporarily or permanently

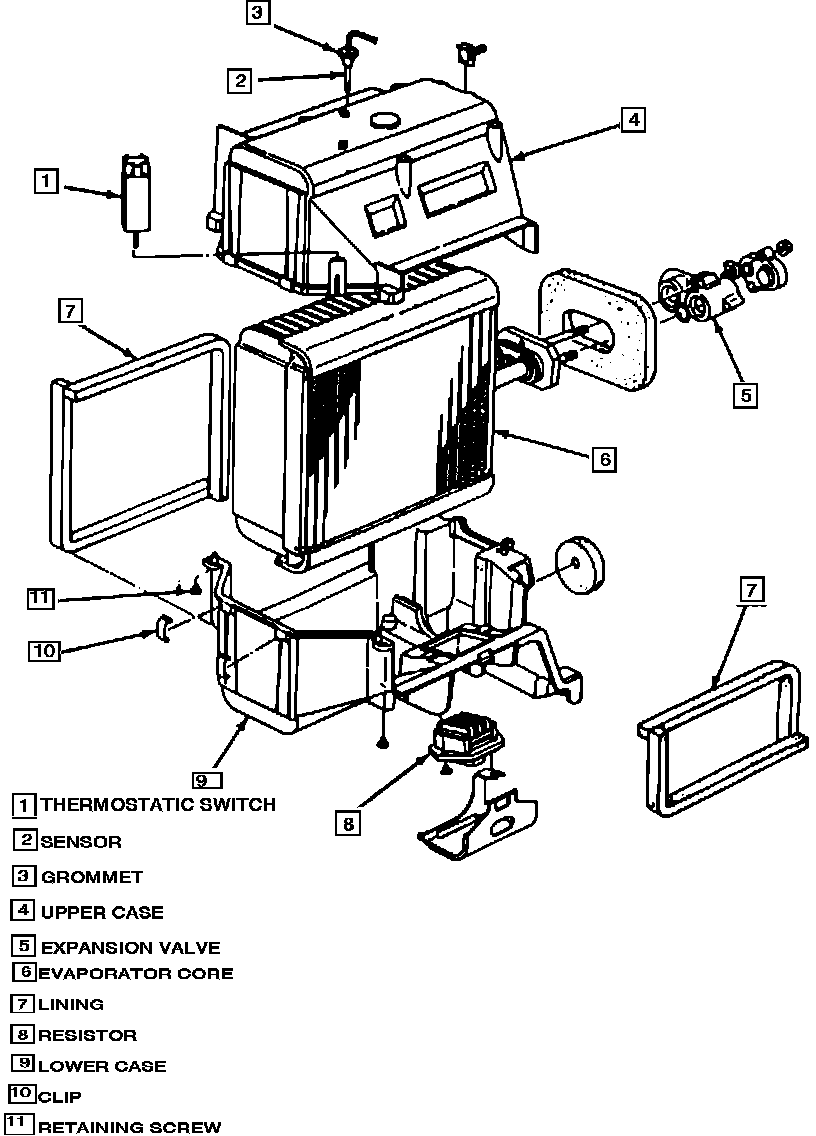
Evaporator Core: Service and Repair


Fig. 11 Evaporator Assembly:






1. Disconnect battery ground cable.
2. Discharge A/C system as described in MAINTENANCE PROCEDURES/DISCHARGING & EVACUATING SYSTEM.
3. Remove A/C lines from expansion valve, capping all fittings immediately to keep moisture out of system.
4. Remove retaining clip and expansion valve from the evaporator.
5. Remove glove box assembly from I/P, then the lower dash reinforcement bracket.
6. Disconnect electrical connector from thermostat switch and blower motor resistor.
7. Remove air inlet cable from blend door, then retaining nuts from evaporator case.
8. Remove evaporator assembly from dash, then retaining clip from evaporator case.
9. Remove four case retaining screws, then separate case, Fig. 11.
10. Remove evaporator core and evaporator grommet from case.
11. Reverse procedure to install.