Ignition Cable: Testing and Inspection
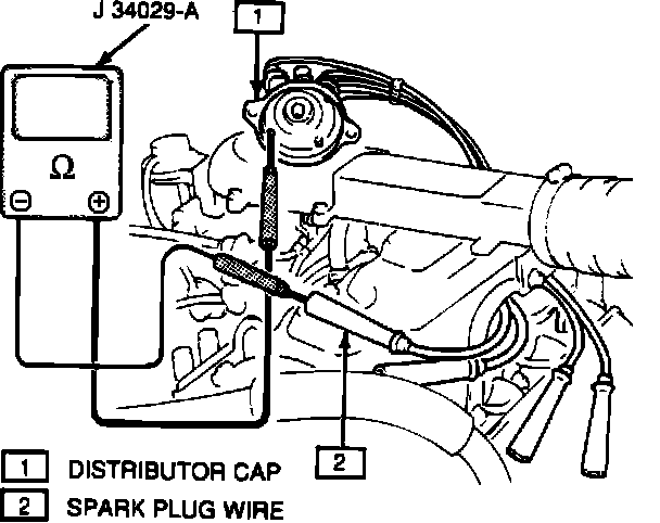
Measuring Spark Plug Wire Resistance:
REMOVAL:
1. Disconnect the battery negative (-) cable.
2. Remove the spark plug wires from the spark plugs by gripping the the boot firmly. Turn the boot one half turn while removing the spark plug wire.
Spark Plug Wiring:
NOTE: DO NOT attempt to remove the spark plug wire by pulling on it. Pull and twist the wire boot only.
3. Remove the two clamps and the distributor cap.
4. Remove the wires from the valve cover-mounted wire guide.
NOTE: Leave the spark plug wires attached to the wire guides. This will aid in the reinstallation of the wires.
5. Remove the ignition coil wire from the ignition coil.
INSPECTION:
1. Inspect the wire terminals for cracks, breaks or corrosion.
2. Inspect the wires for cracks or deterioration. Replace as necessary.
3. Inspect the distributor cap for carbon tracking, arcing or cracks. If any of these conditions is discovered, replace the distributor cap.
4. Measure the spark plug wire resistance using a digital volt/ohm meter. If the resistance is not 10 to 22K ohms/meter (3 to 6.5K ohms/foot), replace the spark plug wire.
INSTALLATION:
1. Install the distributor cap to the distributor and secure it with the two retaining clamps.
2. Connect the ignition coil wire to the ignition coil.
3. Reattach the spark plug wires to the valve cover-mounted guide.
4. Connect the spark plug wires to the spark plugs by pressing the boots firmly onto the plugs.
5. connect the negative (-) battery cable.