Operation CHARM: Car repair manuals for everyone.
Manuals through 2025 now available!

Our trusted friends have launched a new website named LEMON, which has newer manuals. It also contains all the CHARM manuals.

LEMON is the spiritual successor to CHARM, I recommend you try it!

Link: lemon-manuals.la or lemon-manuals.org.ua

(Some people have issue connecting. LEMON is investigating. For now, use Firefox or change your DNS server)

Or, hide this message: temporarily or permanently

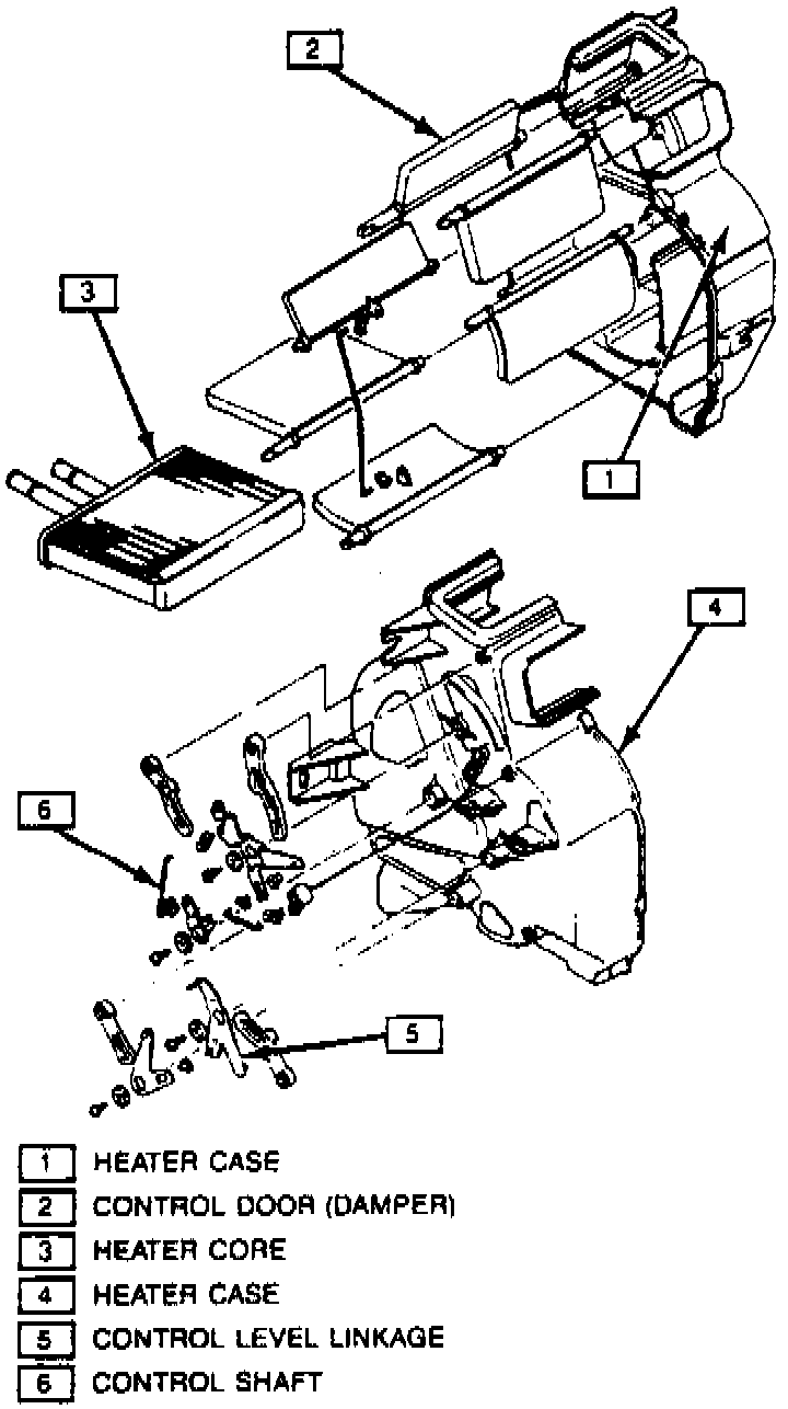
Heater Core: Service and Repair

Fig. 15 Heater Case Attaching Bolt & Nut Locations.:




Fig. 16 Exploded View Of Heater Case Assembly.:






1. Disconnect battery ground cable
2. Remove instrument panel as outlined under Dash Panel Service. Refer to Instrument Panel, Gauges and Warning Indicators.
3. Drain coolant into suitable container.
4. Remove heater core clamps and hoses, through engine compartment.
5. Disconnect temperature and mode control cables from heater case.
6. Remove heater case attaching nuts and bolts, Fig. 15 then remove case.
7. Remove heater case clip and two attaching screws, then separate case halves, Fig. 16 .
8. Remove heater core from case.
9. Reverse procedure to install. Torque heater case attaching nuts and bolts to 89 lb in