Operation CHARM: Car repair manuals for everyone.
Manuals through 2025 now available!

Our trusted friends have launched a new website named LEMON, which has newer manuals. It also contains all the CHARM manuals.

LEMON is the spiritual successor to CHARM, I recommend you try it!

Link: lemon-manuals.la or lemon-manuals.org.ua

(Some people have issue connecting. LEMON is investigating. For now, use Firefox or change your DNS server)

Or, hide this message: temporarily or permanently

A/C Signal: Testing and Inspection

Diagnostic Chart:




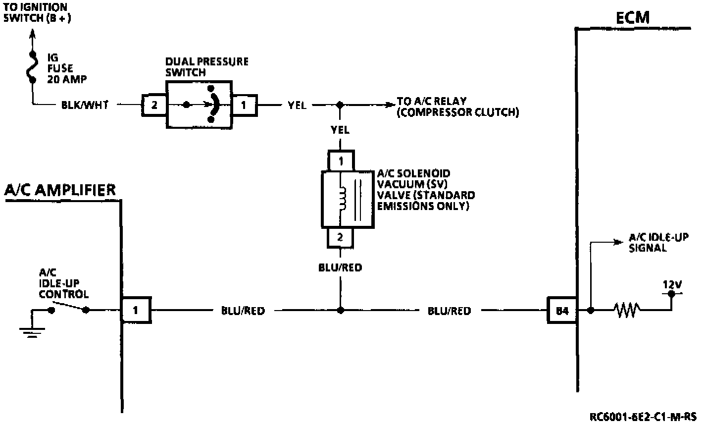
A/C Idle-Up Wiring Schematic:






Circuit Description:
When the A/C compressor clutch is in operation, the A/C amplifier will send an A/C idle-up signal to the engine control module (ECM). The A/C amplifier also grounds the coil of the A/C solenoid vacuum (SV) valve, allowing additional air to enter the intake manifold (standard emissions). With the increased air entering the intake manifold, the engine idle speed is increased. Vehicles equipped with upgraded emissions do not utilize the A/C SV valve. Instead, it relies on the use of an idle speed control (ISC) motor controlled by the ECM. When the A/C system is in operation, the ECM sends a signal to the ISC motor. This signal to the ISC motor extends a plunger and opens the throttle plate. As the throttle plate opens, the engine idle speed increases.

Test Description: Number(s) below refer to circled number(s) on the diagnostic chart.

1. Checks to see if the engine idle speed increases with A/C operation.
2. Checks for a faulty A/C amplifier. This also checks for an open or short to ground in BLU/RED wire and a faulty ECM (upgraded emissions).
3. This checks for a faulty BLU/RED or YEL wire and a faulty A/C SV valve.