Operation CHARM: Car repair manuals for everyone.
Manuals through 2025 now available!

Our trusted friends have launched a new website named LEMON, which has newer manuals. It also contains all the CHARM manuals.

LEMON is the spiritual successor to CHARM, I recommend you try it!

Link: lemon-manuals.la or lemon-manuals.org.ua

(Some people have issue connecting. LEMON is investigating. For now, use Firefox or change your DNS server)

Or, hide this message: temporarily or permanently

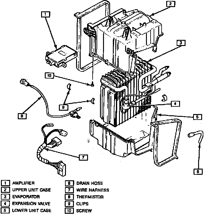
Evaporator Core: Service and Repair

Fig. 5 Evaporator Core:






1. Discharge air conditioning system using a suitable A/C recovery system.
2. Disconnect battery ground cable.
3. Remove right side kick panel and glove box assembly.
4. Disconnect evaporator outlet and inlet pipe and plug hoses and evaporator openings.
5. Disconnect hold-down brackets for inlet and outlet pipes.
6. Remove air conditioning amplifier electrical connector then the amplifier.
7. Disconnect evaporator thermistor connector.
8. Remove evaporator case from vehicle, Fig. 5.
9. Separate evaporator case halves then remove thermistor from evaporator.
10. Remove evaporator from case.
11. Reverse procedure to install.