Operation CHARM: Car repair manuals for everyone.
Manuals through 2025 now available!

Our trusted friends have launched a new website named LEMON, which has newer manuals. It also contains all the CHARM manuals.

LEMON is the spiritual successor to CHARM, I recommend you try it!

Link: lemon-manuals.la or lemon-manuals.org.ua

(Some people have issue connecting. LEMON is investigating. For now, use Firefox or change your DNS server)

Or, hide this message: temporarily or permanently

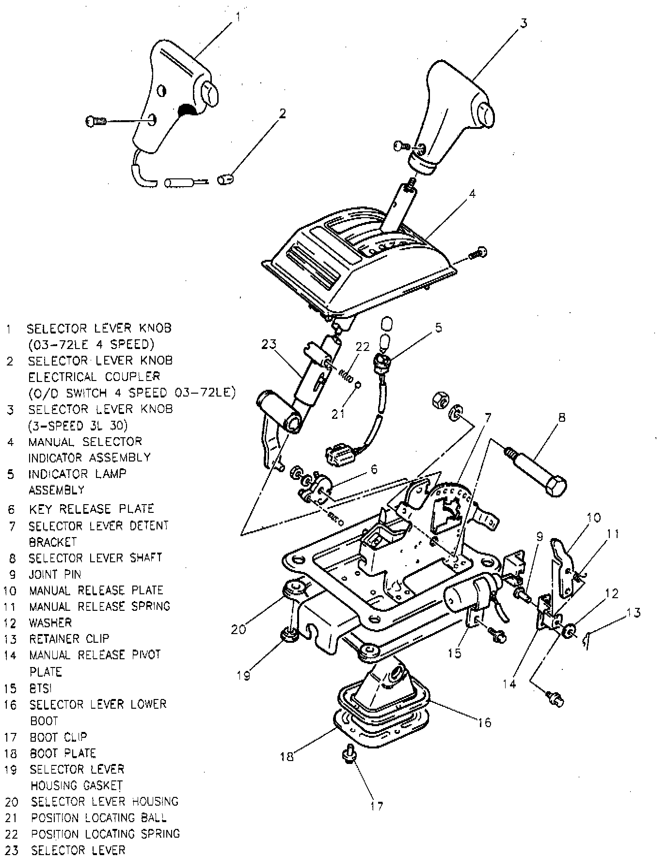
O/D Switch

REMOVE OR DISCONNECT

Important: The O/D switch is part of the knob assembly. Therefore if switch is damaged the entire knob assembly must be replaced.

1. Console.





2. Back terminals out of O/D switch wire coupler.
3. O/D wire harness from O/D switch wire clamp.
4. Two screws securing knob assembly to select lever tube.
5. Gently pull knob assembly ensuring that O/D switch wire harness does not catch.

INSTALL OR CONNECT
1. Route O/D switch wire harness through select lever tube while ensuring that O/D switch wire harness tube is position correctly.
2. Ensure detent release guide taper is toward the rear of the vehicle.
3. Position knob assembly over selector lever tube; secure with two screws.
4. New O/D switch wire coupler.
5. O/D switch wire harness from O/D switch wire clamp.
6. Console.