Operation CHARM: Car repair manuals for everyone.
Manuals through 2025 now available!

Our trusted friends have launched a new website named LEMON, which has newer manuals. It also contains all the CHARM manuals.

LEMON is the spiritual successor to CHARM, I recommend you try it!

Link: lemon-manuals.la or lemon-manuals.org.ua

(Some people have issue connecting. LEMON is investigating. For now, use Firefox or change your DNS server)

Or, hide this message: temporarily or permanently

Powertrain Control Module - PCM

PCM Power & Ground:



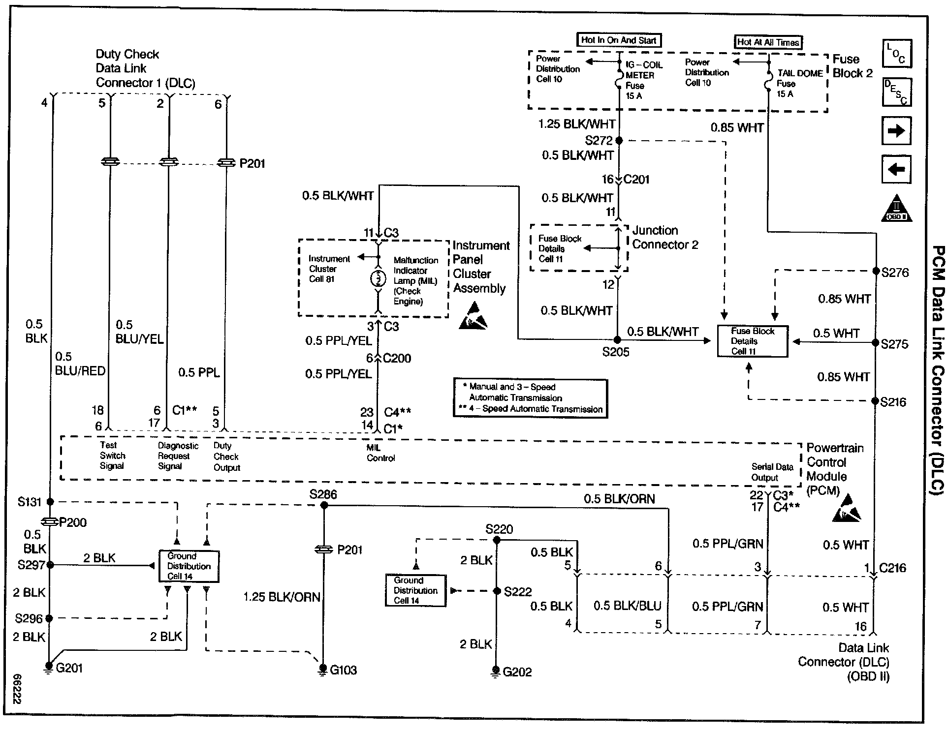
PCM Data Link Connector:



PCM Ignition System:



CKP & Starter Signal:



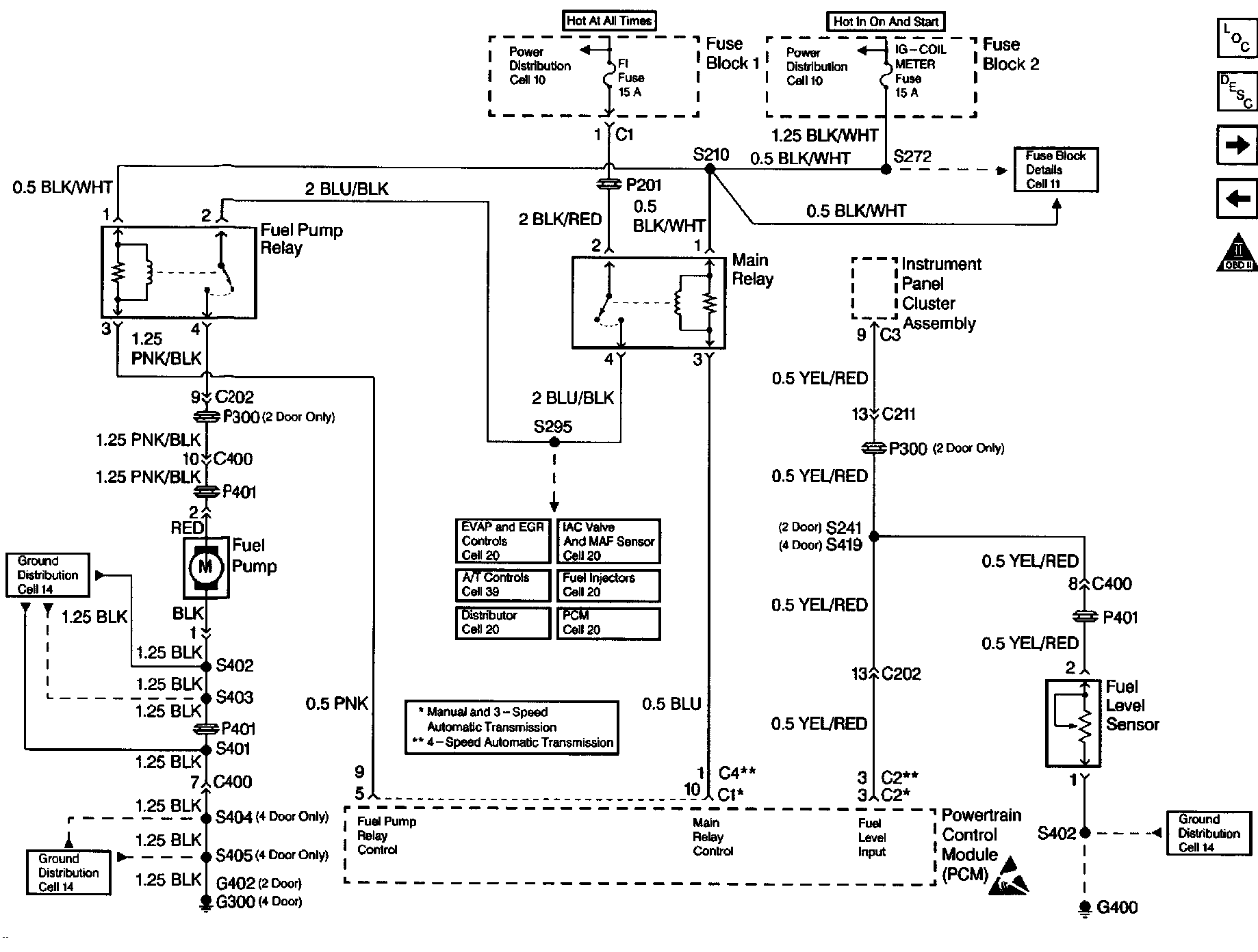
Fuel Supply System:



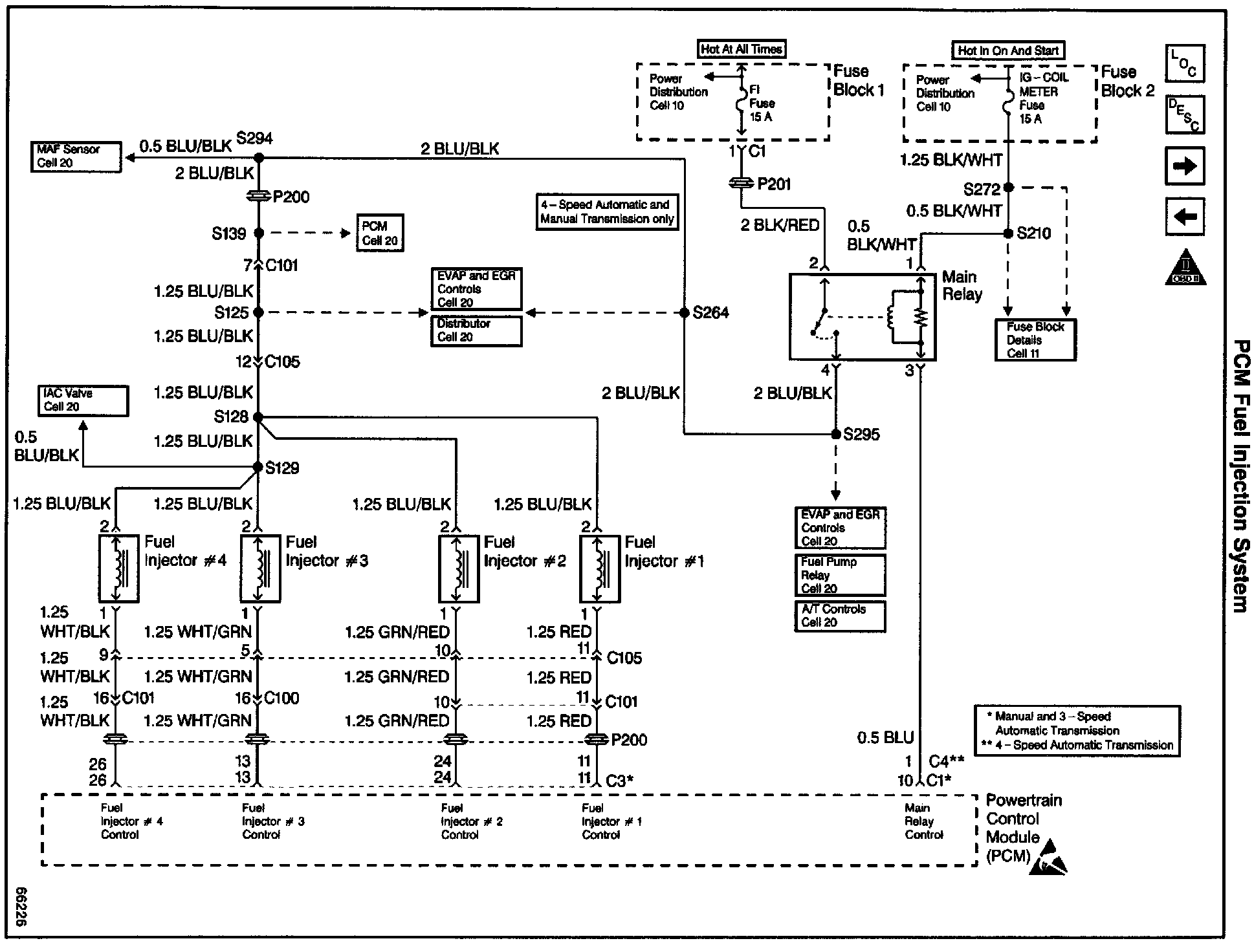
Fuel Injection:



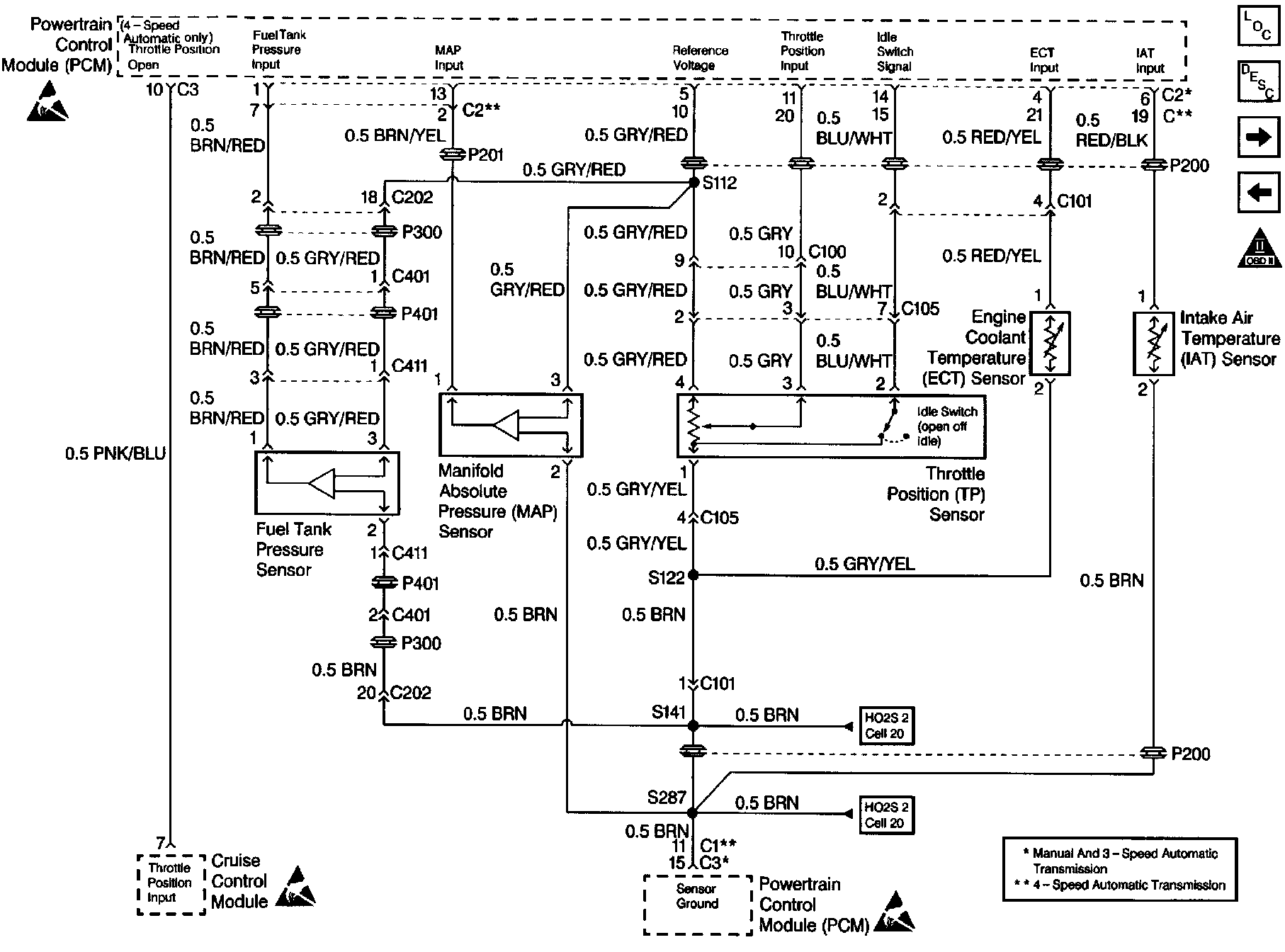
Engine Data Sensors:



Oxygen Sensors:



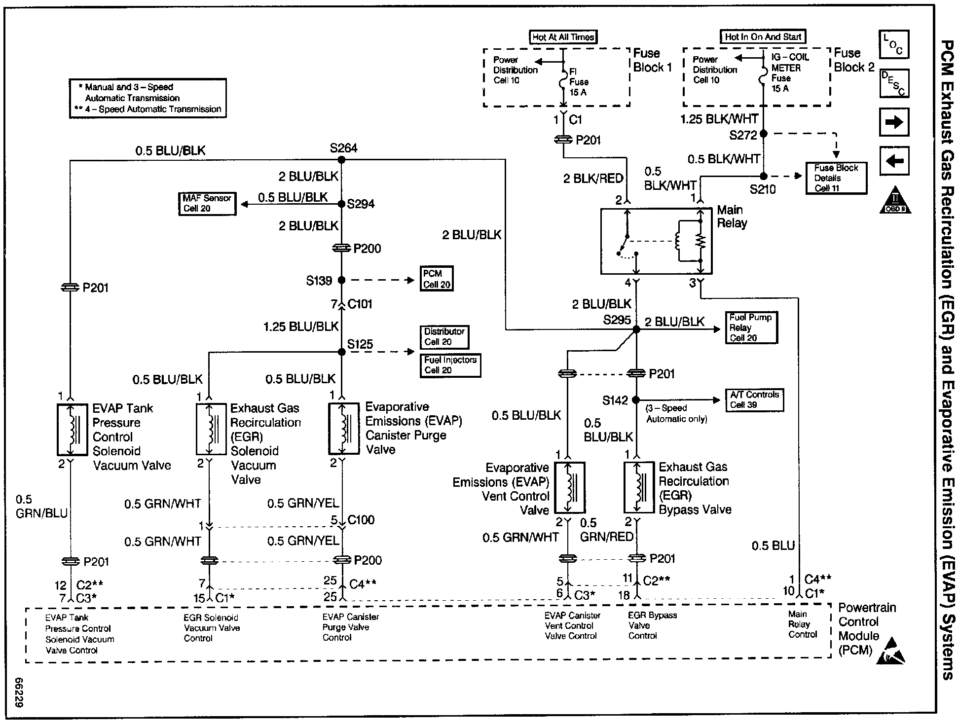
EGR & EVAP Systems:



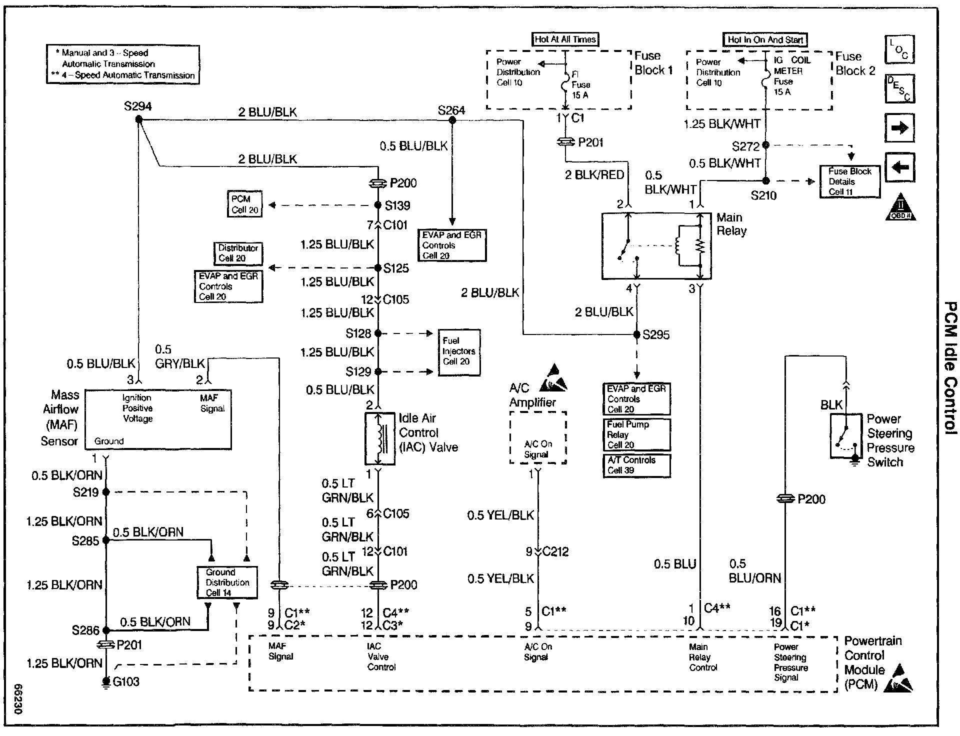
Idle Control:



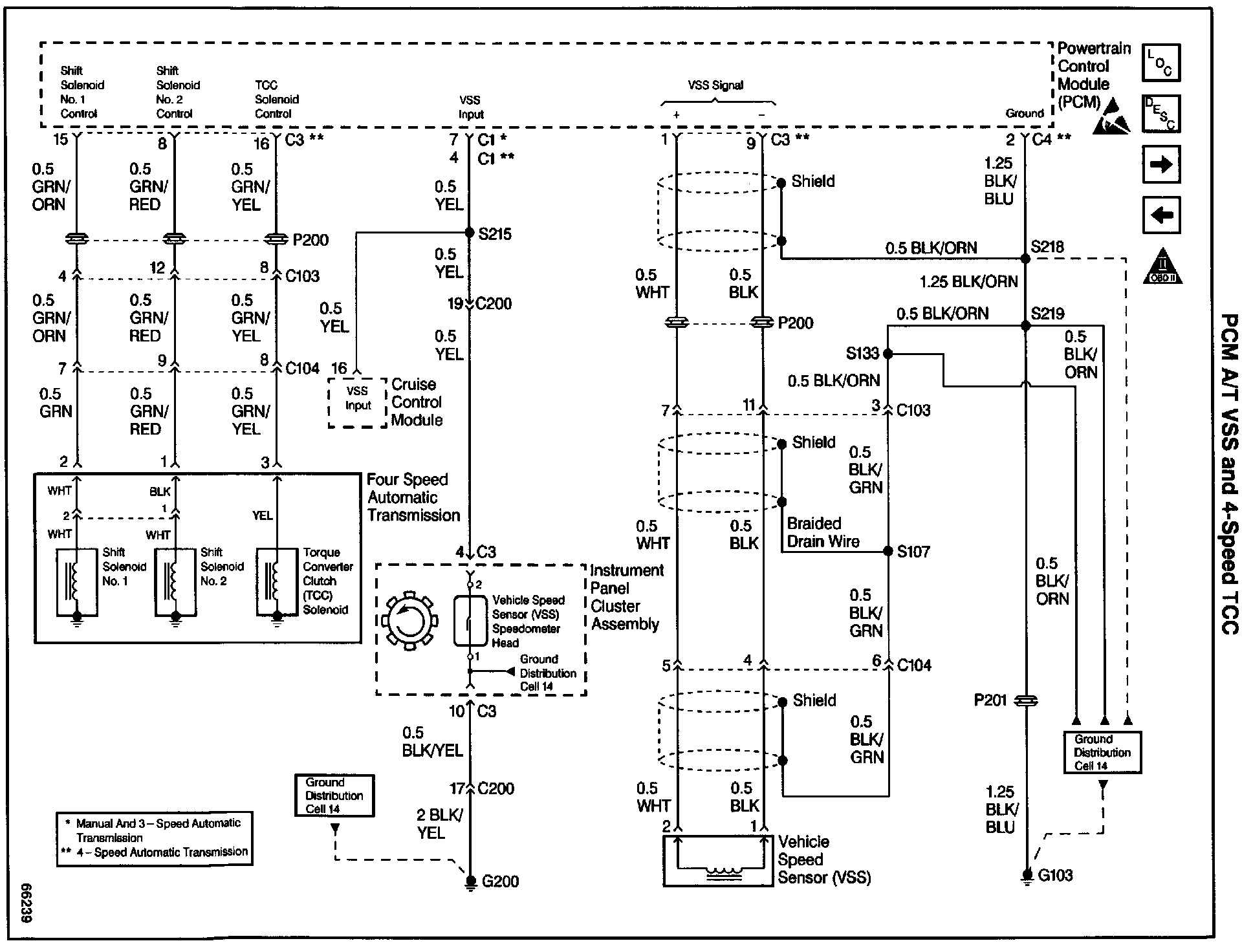
A/T VSS & 4-Speed TCC:



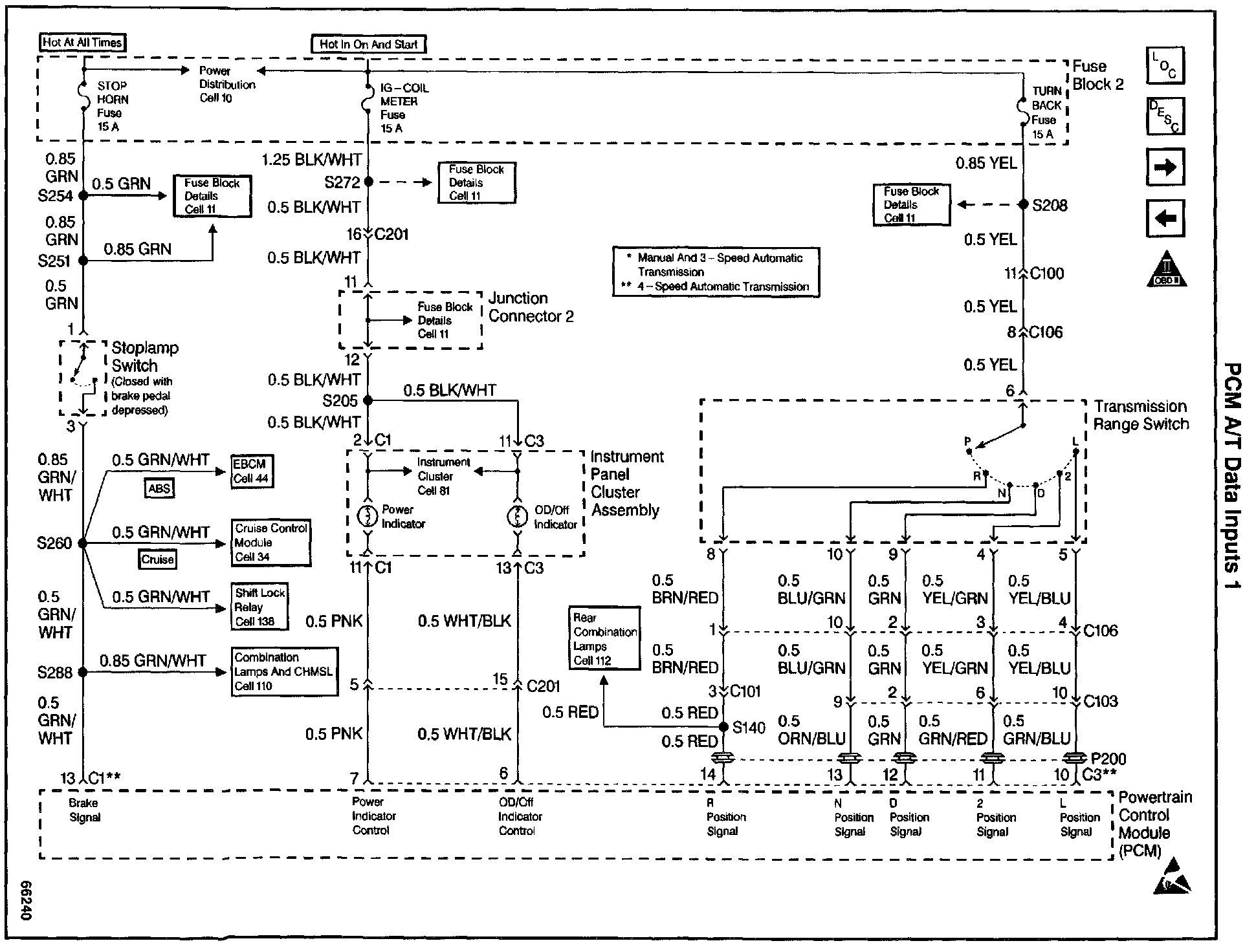
PCM A/T Data Inputs 1:



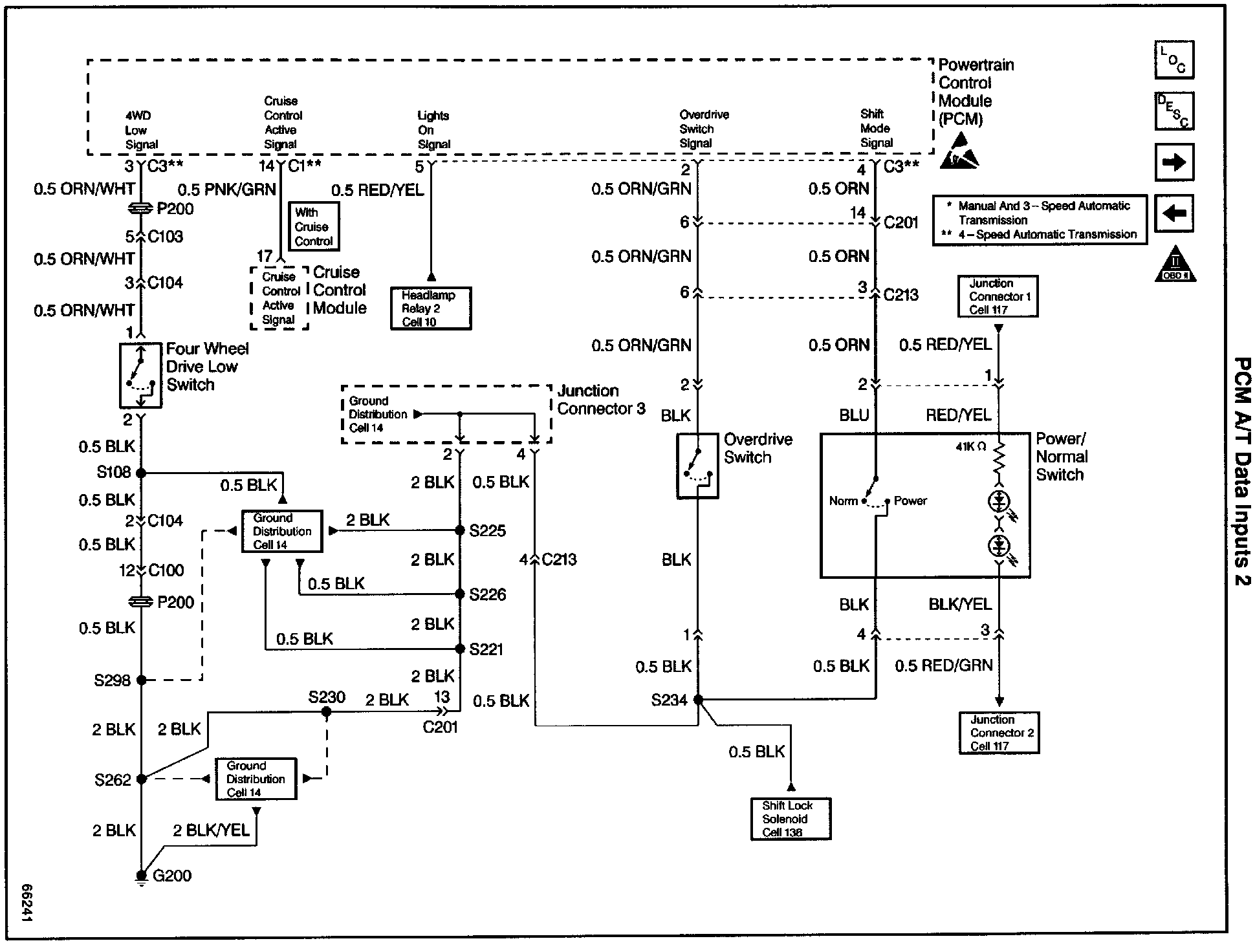
PCM A/T Data Inputs 2:



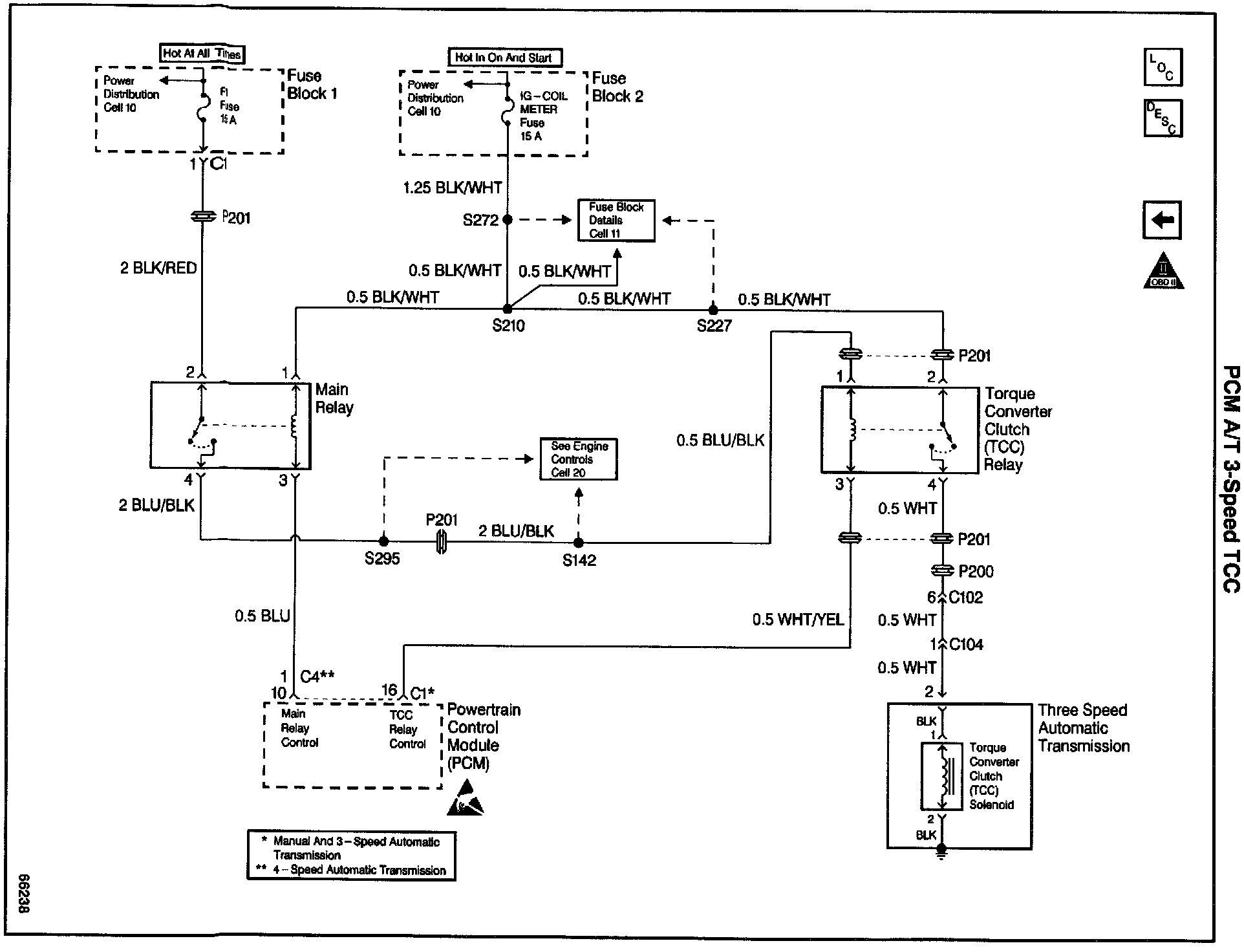
A/T 3-Speed TCC: