Operation CHARM: Car repair manuals for everyone.
Manuals through 2025 now available!

Our trusted friends have launched a new website named LEMON, which has newer manuals. It also contains all the CHARM manuals.

LEMON is the spiritual successor to CHARM, I recommend you try it!

Link: lemon-manuals.la or lemon-manuals.org.ua

(Some people have issue connecting. LEMON is investigating. For now, use Firefox or change your DNS server)

Or, hide this message: temporarily or permanently

Engine: Service and Repair

ENGINE REMOVAL/INSTALLATION


CAUTION: Use fender covers to avoid damaging painted surfaces. Make sure jacks and safety stands are placed properly and hoist brackets are attached to correct positions on the engine.


1. Disconnect and remove both battery cables.




2. Remove holddown bracket, battery and tray.

NOTE: On reassembly, clean battery posts and cable terminals with sandpaper, assemble, then apply grease to prevent corrosion.




3. Remove battery mount.




4. Remove the grille.

NOTE: The outside screws are covered by plastic clips.





5. Remove the headlight trim.





6. Unbolt the hood brackets and remove the hood.









7. Drain coolant from radiator and engine block into a clean pan so it may be re-used. Remove radiator cap to speed draining.


CAUTION:Use care when removing radiator cap to avoid scalding by hot coolant or steam.





8. Drain engine oil. Remove oil filler cap to speed draining. Reinstall drain plug with new washer.


NOTE: Do not re-use old washer.




9. Drain transmission oil/fluid. Use a 3/8" drive socket wrench to remove drain plug. Remove oil filler plug to speed draining. Reinstall drain plug with new washer.





10. Disconnect the intake air control diaphragm nose, air intake duct and hot air duct.





11. If equipped: Disconnect the air valve hose from the air cleaner cover.
12. Remove the air cleaner cover and filter.





13. If equipped: Remove the air valve from its bracket and remove the control valve with its bracket.





14. Remove the screw holding the condensation chamber. Remove the three nuts holding the vacuum hose supports. Remove the two nuts and one bolt holding the air cleaner.





15. Disconnect the intake air temperature sensor wire connectors, automatic choke wire connectors and fuel cut-off solenoid wire connector.





16. Lift the air cleaner up and disconnect the air bleed valve hose and air chamber hose from the air cleaner.





17. Disconnect the brake booster vacuum hose at elbow.





18. Disconnect the fuel hose at the fuel filter.





19. Disconnect the engine ground cable, oil pressure sender wire connector and alternator harness connectors. On cars with air conditioning, disconnect the compressor clutch wire connector.





20. Disconnect the high tension wire and ignition primary leads at the ignition coil, and disconnect the condenser ground wire connector and engine compartment sub harness connector. On 1300 5-speed, disconnect the 5th/reverse switch connector.





21. Remove the throttle cable by loosening the lock nut and throttle cable adjusting nut, then slip the cable end out of the throttle bracket and carburetor linkage.





22. Disconnect the # 1 control box connector. Lift the control box off its bracket, and let it hang next to the engine.





23. Disconnect the purge control diaphragm vacuum hose from the diaphragm and the charcoal canister hoses from the carburetor.





24. On cars with A/C, disconnect vacuum hoses from idle control solenoid valve.





25. Disconnect the # 2 and # 3 control box connectors and hoses to external fittings. Lift the control boxes off their brackets, end let them hang next to the engine.





26. CAL/HI ALT Only: Remove the three screws and remove the air jet controller A from its bracket.





27. If equipped: Disconnect tachometer cable at engine.





28. Disconnect radiator hoses and heater hoses at engine.

CAUTION: Disconnect heater hose with water valve cable attached. On reassembly, do not interchange inlet and outlet hoses.

NOTE: When refilling cooling system, open heater salve and unscrew air bleed bolt to bleed air out of system.





29. On Automatic Cars: Disconnect transmission oil cooler hoses at the transmission, let ATF drain from hoses, then hang hoses Up out of the way near the radiator.





30. On Manual Cars: Loosen clutch cable adjusting nut and disconnect clutch cable from release arm.

NOTE: After installing engine, readjust clutch pedal free play.





31. Remove cable clip, then pull the speedometer cable out of holder.


CAUTION: Do not remove holder because speedometer gear may fall into transmission housing.

- During Installation:




- Align tab on cable end with slot in holder.
- Install clip so bent leg is on groove side.
- After installing, pull speedometer cable to make sure it is secure.



32. Remove anti-afterburn valve.

CAUTION: Anti-afterburn valve is adjacent to engine hoist bracket and may be damaged during engine removal if not removed.






33. On Cars with A/C:

- Remove compressor belt cover, then loosen belt adjusting nut.

- Loosen bolt on compressor hose bracket at radiator.

- Remove compressor mounting bolts, then lift compressor out of bracket, with hoses attached, and wire it up to front bulkhead.

NOTE: Compressor can be moved without discharging air conditioner system.





- Remove compressor bracket.






34. Loosen front wheel nuts slightly and jack up front of car. Place safety stands under frame at proper positions and remove front wheels. Apply parking brake and block rear wheels, so car will not roll off stands and while working under it.





35. Disconnect right and left lower arm hall joints and tie-rod end ball joints using Ball Joint Removal Tool, or you can remove pivot bolts from lower control arms instead, and leave ball joints connected.




36. Turn right steering knuckle outward as far as it will go. With screwdriver against inboard CV joint, pry right axle out of transmission housing approximately 1/2 inch (to force its spring clip out of groove inside differential gear splines), then pull it out the rest of the way. Repeat on opposite side.


CAUTION: Do not damage differential seals.





NOTE: When installing driveshaft, insert shaft until spring clip clicks into groove in differential side gear. Always use new spring clips when installing driveshafts.

37. Manual Transmission Only: Slide pin retainer out of way, drive out spring pin with pin punch, then disconnect shift rod.
- Disconnect shift lever torque rod from clutch housing.

NOTE: On reassembly, slide retainer back into place after driving in spring pin.





38. Automatic Only: Remove center console. Place shift lever in reverse, then remove lock pin from end of shift cable.





- Remove the cable retainer bolts.


NOTE: On reassembly, check cable adjustment.





39. Disconnect exhaust header pipe at manifold.


CAUTION: To ease disassembly, squirt penetrating oil on exhaust manifold studs before removing nuts. Replace exhaust gasket and self locking nuts.





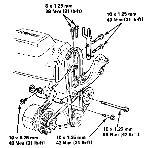
40. Attach hoist chain to engine block and bracket on transmission and raise hoist lust enough to take weight off engine mounts.





41. Remove three engine mount bolts.


NOTE: On cars with A/C the two 8 mm bolts were already removed in step 33.





- Then push the engine mount into the engine mount tower.





42. Remove front engine mount nut.





43. Remove rear engine mount nut.





44. Remove bolt from front torque rod at engine, then loosen bolt in frame mount and swing rod down out of the way.





45. Remove bolt from rear torque rod at engine, then loosen bolt in frame mount and swing rod up out of the way.
46. Check that engine/transaxle is completely free of vacuum, fuel, and coolant hoses; and electrical wires.
47. Slowly raise engine approximately 6" and stop. Check once again that all wires and hoses have been disconnected from engine/transaxle.





48. Raise engine all the way and remove from car.

NOTE: Coat all precision finished surfaces with clean engine oil or grease. Tie plastic bags aver the driveshaft ends.





49. Install engine in reverse order of removal. After engine is in place:

- Torque engine mount bolts in sequence shown.


CAUTION: Failure to tighten bolts in proper sequence could cause excessive noise and vibration, and reduce bushing life; check that bushings are not twisted or offset.

- Check that spring clip on end of each driveshaft clicks into differential.
- Bleed air from cooling system at bleed bolt with heater valve open.
- Adjust throttle cable tension.
- Check clutch pedal free play.
- Check that transmission shifts into gear smoothly.
- Reattach air conditioning hoses and wiring.