Operation CHARM: Car repair manuals for everyone.
Manuals through 2025 now available!

Our trusted friends have launched a new website named LEMON, which has newer manuals. It also contains all the CHARM manuals.

LEMON is the spiritual successor to CHARM, I recommend you try it!

Link: lemon-manuals.la or lemon-manuals.org.ua

(Some people have issue connecting. LEMON is investigating. For now, use Firefox or change your DNS server)

Or, hide this message: temporarily or permanently

System Diagram

Mount Tightening Sequence:





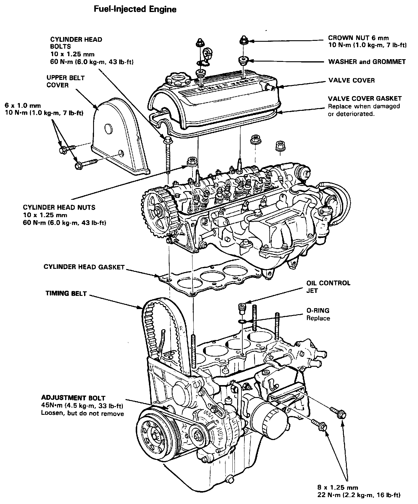
Cylinder Head Assembly (FUEL INJECTED):





Cylinder Head Assembly (CARB):





Camshaft, Rockers, Distributor And Fuel Pump:





Valves, Guides And Springs (FUEL INJECTED):





Valves, Guides And Springs (CARB):





Timing Components:





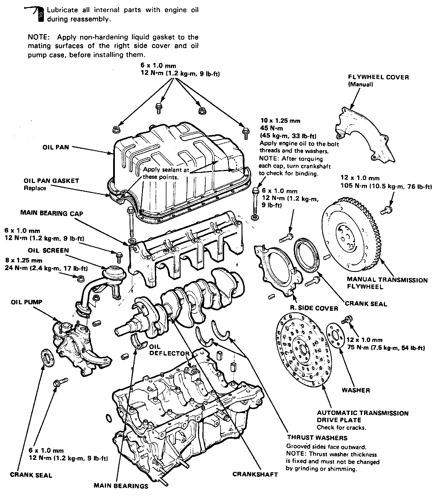
Lower Engine:





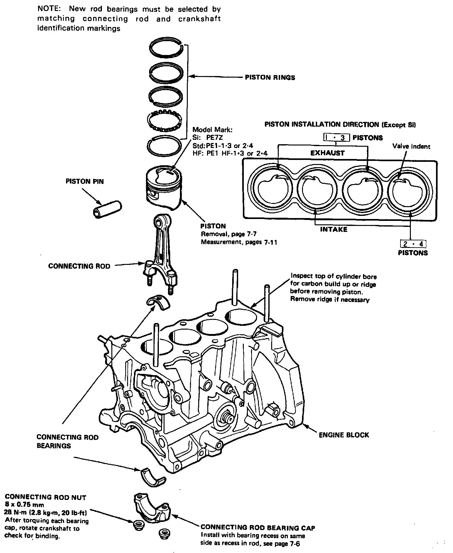
Piston And Connecting Rod:





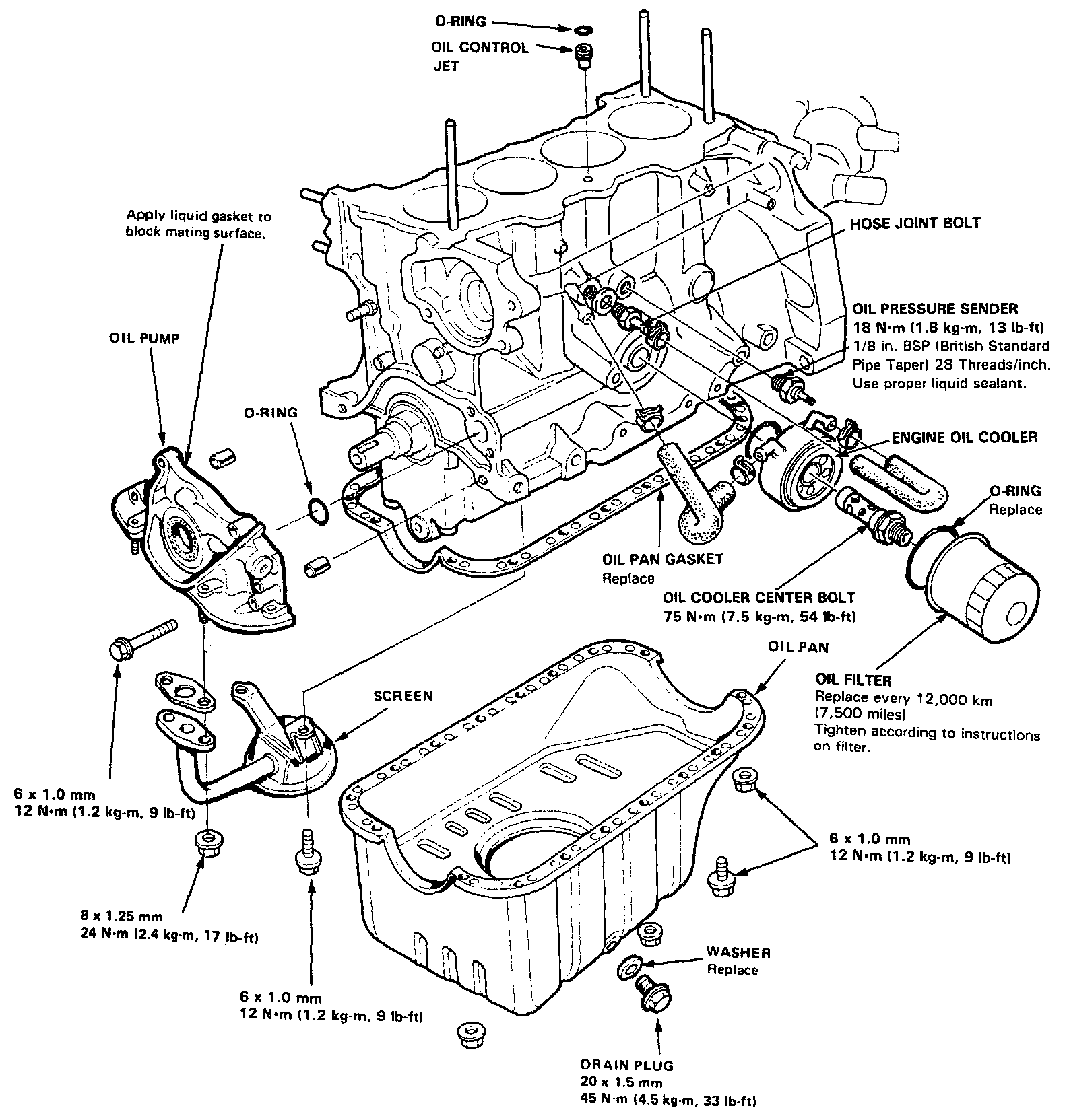
Oil Pan, Drain Plug, Oil Pressure Sender And Oil Pump:





Intake Manifold (CARB):





Intake Manifold (FUEL INJECTED):





Exhaust Manifold (CARB):





Exhaust Manifold (FUEL INJECTED):