Operation CHARM: Car repair manuals for everyone.
Manuals through 2025 now available!

Our trusted friends have launched a new website named LEMON, which has newer manuals. It also contains all the CHARM manuals.

LEMON is the spiritual successor to CHARM, I recommend you try it!

Link: lemon-manuals.la or lemon-manuals.org.ua

(Some people have issue connecting. LEMON is investigating. For now, use Firefox or change your DNS server)

Or, hide this message: temporarily or permanently

Compressor Service

Fig. 3 Installing armature holder:





1. Install suitable armature holder on armature with three lugs on the holder aligned with holes in the armature, Fig. 3.
2. Remove armature center nut using a suitable wrench.



Fig. 4 Installing armature remover:





3. Pull armature out of compressor with hands. If armature cannot be removed with hands, proceed as follows:
a. Screw three bolts of suitable armature remover into holes of armature as shown in Fig. 4.
b. Turn drive bolt clockwise until the armature is clear of the clutch shaft.



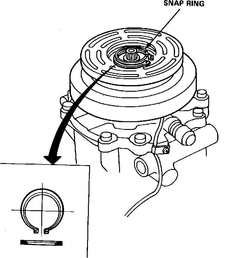
Fig. 5 Removing snap ring from ring groove:





4. Remove shims, then the snap ring from ring groove using suitable tool, Fig. 5.



Fig. 6 Rotor pulley removal:





5. Pull rotor assembly out of compressor by hand. If rotor assembly cannot be removed by hand, proceed as follows:
a. Secure pawls of puller to the inner groove of the rotor pulley with wing screws, Fig. 6.
b. While holding tool with left hand, turn forcing bolt clockwise until rotor pulley is clear of clutch shaft. Do not turn drive bolt counterclockwise or tool may be damaged.
6. Remove field coil lead attaching screw, then the field coil leads from compressor.
7. Remove field coil snap ring from groove, then the field coil from compressor.



Fig. 7 Install field coil & rotor pulley:





8. Reverse procedure to assemble, noting the following:
a. When installing field coil, ensure lugs on coil align with cutout on plate, Fig. 7.
b. When installing rotor pulley, ensure slots on bearing inner race align with split pins, Fig. 7.