Operation CHARM: Car repair manuals for everyone.
Manuals through 2025 now available!

Our trusted friends have launched a new website named LEMON, which has newer manuals. It also contains all the CHARM manuals.

LEMON is the spiritual successor to CHARM, I recommend you try it!

Link: lemon-manuals.la or lemon-manuals.org.ua

(Some people have issue connecting. LEMON is investigating. For now, use Firefox or change your DNS server)

Or, hide this message: temporarily or permanently

System Diagram

Cylinder Head And Valve Cover (CARB.):





Rockers/Camshaft (Carb.):





Valve Guides, Springs And Retainers:





Camshaft Pulley:





Intake And Exhaust Manifolds (CARB.):





Exhaust Manifold Bracket:





Timing Components:





Lower Engine (CARB):





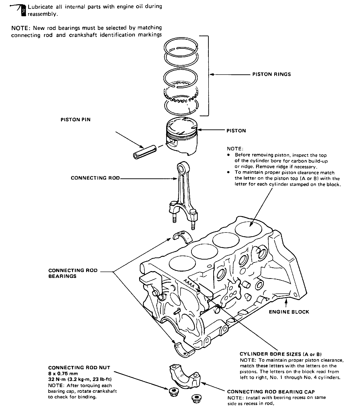
Piston And Connecting Rod:





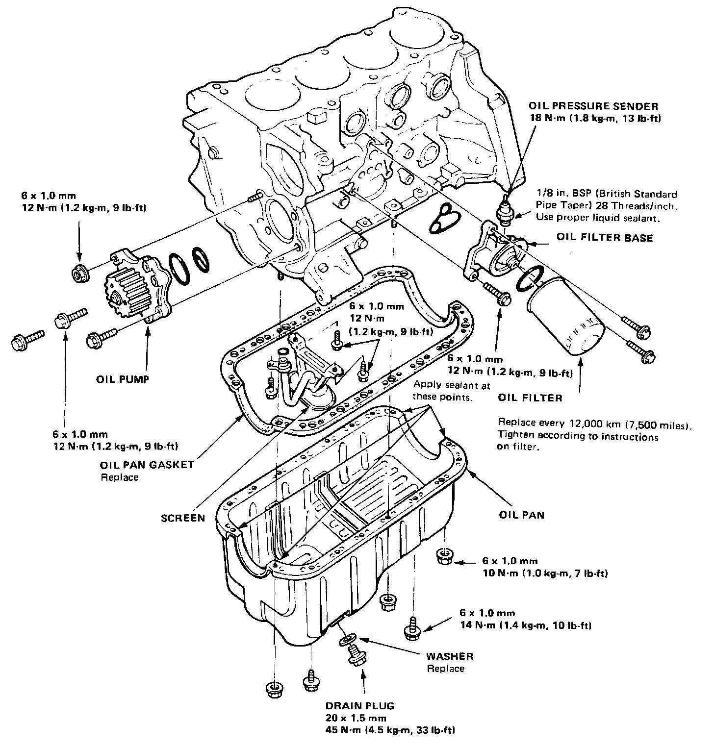
Lubrication (CARB.):





Oil Pressure Sender, Relief Valve:





Intake/Exhaust Manifolds (CARB):