Operation CHARM: Car repair manuals for everyone.
Manuals through 2025 now available!

Our trusted friends have launched a new website named LEMON, which has newer manuals. It also contains all the CHARM manuals.

LEMON is the spiritual successor to CHARM, I recommend you try it!

Link: lemon-manuals.la or lemon-manuals.org.ua

(Some people have issue connecting. LEMON is investigating. For now, use Firefox or change your DNS server)

Or, hide this message: temporarily or permanently

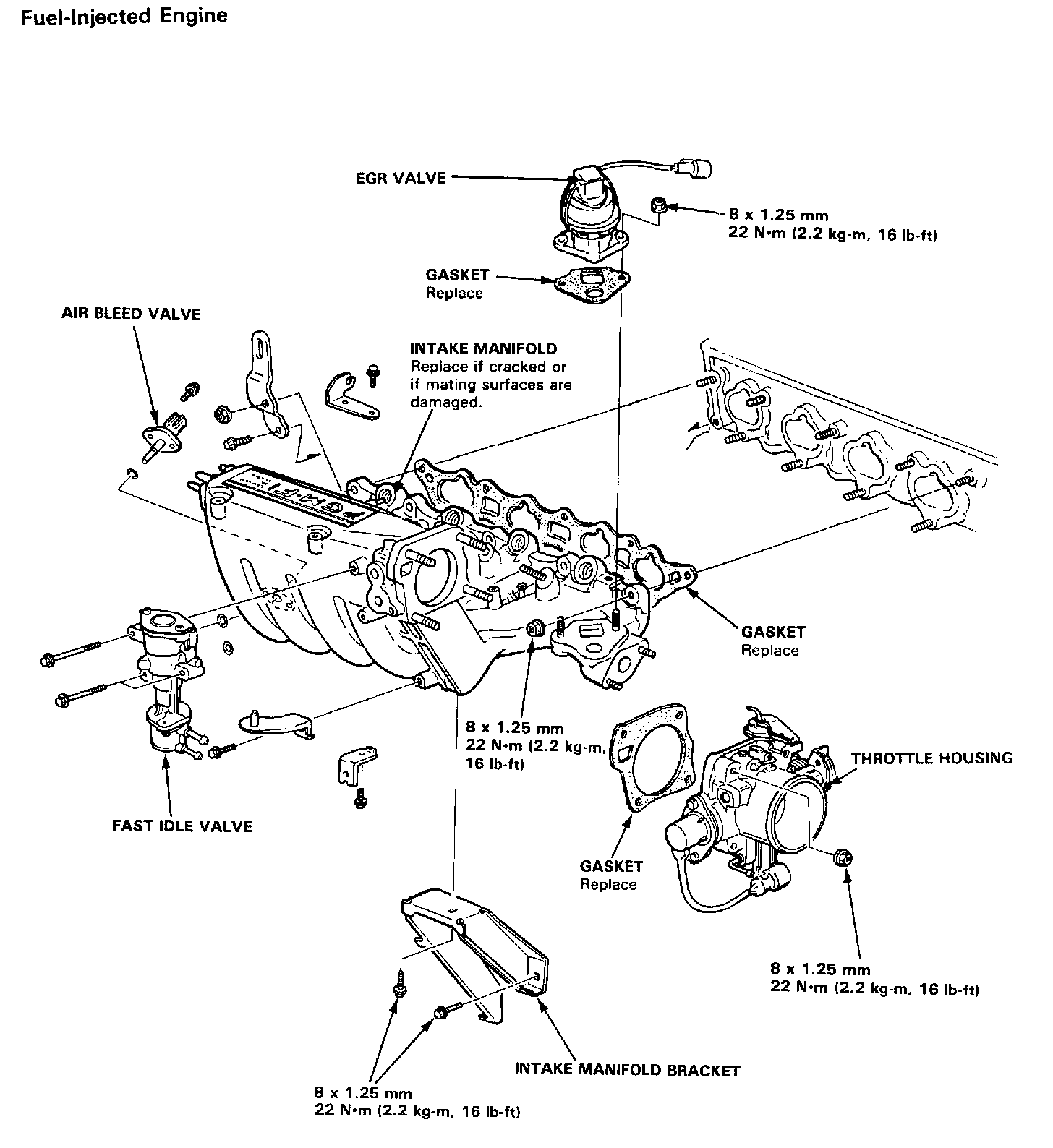
Torque Specifications

Intake/Exhaust Manifolds (CARB):






Intake (FUEL INJECTED):






Exhaust Manifold ( FUEL INJECTED):






Upper Engine (FUEL INJECTED):






Upper Engine (CARB):






Valves, Rocker Arm Assy, Distributor(FUEL INJECTED):






Valves, Rocker Arm Assy, Distributor (CARB):






Rocker Assy. Torque/Sequence - Tighten Each Bolt 2 Turns At A Time In The Sequence Shown:






Cylinder Head Bolts - Tighten In 2 Steps In The Sequence Shown:






Torque cylinder head bolts in 2 steps, following sequence shown in figure:

1st step: torque bolts to 22 ft. lbs.
2nd step: torque bolts to 49 ft. lbs.


Timing Components:






Oil Pan, Drain Plug, Pickup Screen, Oil Pump, Oil Filter Base, Oil Pressure Sender:






Main Bearing Caps, Oil Pan, Flywheel/Flex Plate:






Piston And Connecting Rod:






Flywheel (M/T) Torque/Sequence:






Drive Plate (A/T) Torque/Sequence: