Operation CHARM: Car repair manuals for everyone.
Manuals through 2025 now available!

Our trusted friends have launched a new website named LEMON, which has newer manuals. It also contains all the CHARM manuals.

LEMON is the spiritual successor to CHARM, I recommend you try it!

Link: lemon-manuals.la or lemon-manuals.org.ua

(Some people have issue connecting. LEMON is investigating. For now, use Firefox or change your DNS server)

Or, hide this message: temporarily or permanently

Torque Specifications

Intake (CARB):






Exhaust Manifold (CARB):






Upper Engine:











Rocker Assy. Tighten In Sequence Two Turns At A Time:






Head Bolt Torque Sequence:






Torque cylinder head bolts in 2 steps, following sequence shown in figure:

1st step: torque bolts to 22 ft. lbs.
2nd step: torque bolts to 49 ft. lbs.



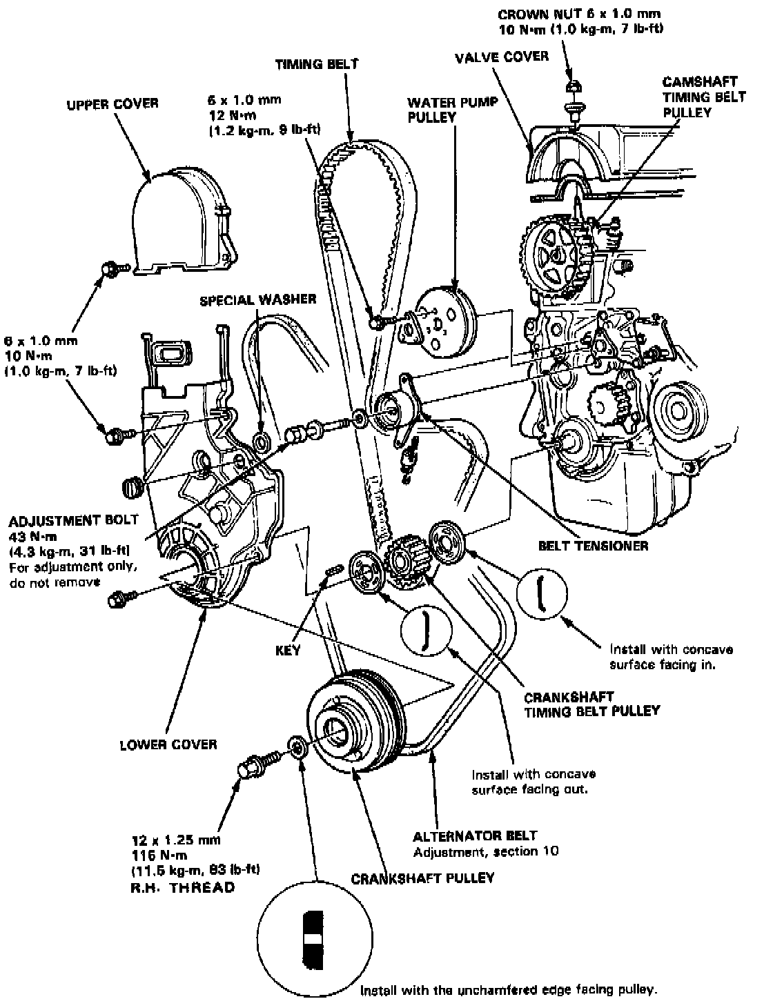
Timing Components:






Lower Engine:











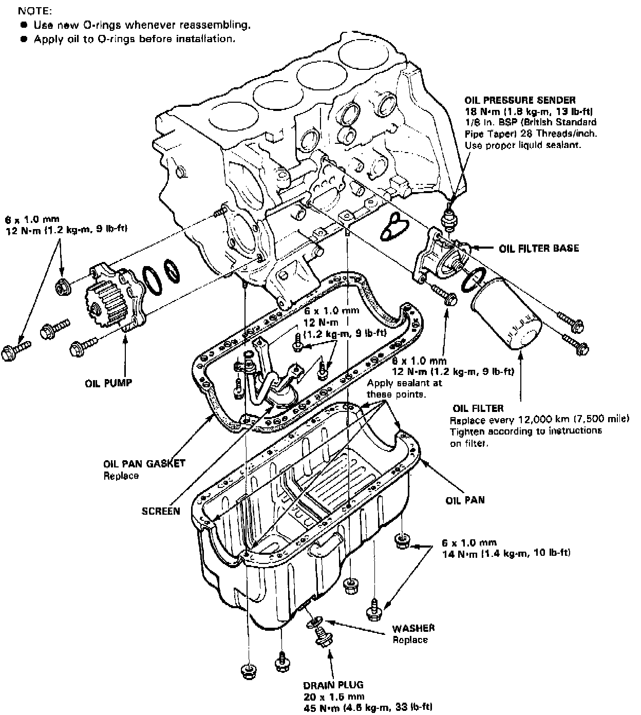
Engine Lubrication:






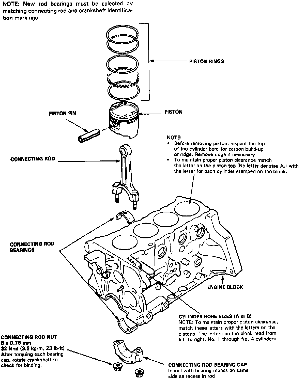
Flywheel (M/T) Torque/Sequence:






Drive Plate (A/T) Torque/Sequence: