Operation CHARM: Car repair manuals for everyone.
Manuals through 2025 now available!

Our trusted friends have launched a new website named LEMON, which has newer manuals. It also contains all the CHARM manuals.

LEMON is the spiritual successor to CHARM, I recommend you try it!

Link: lemon-manuals.la or lemon-manuals.org.ua

(Some people have issue connecting. LEMON is investigating. For now, use Firefox or change your DNS server)

Or, hide this message: temporarily or permanently

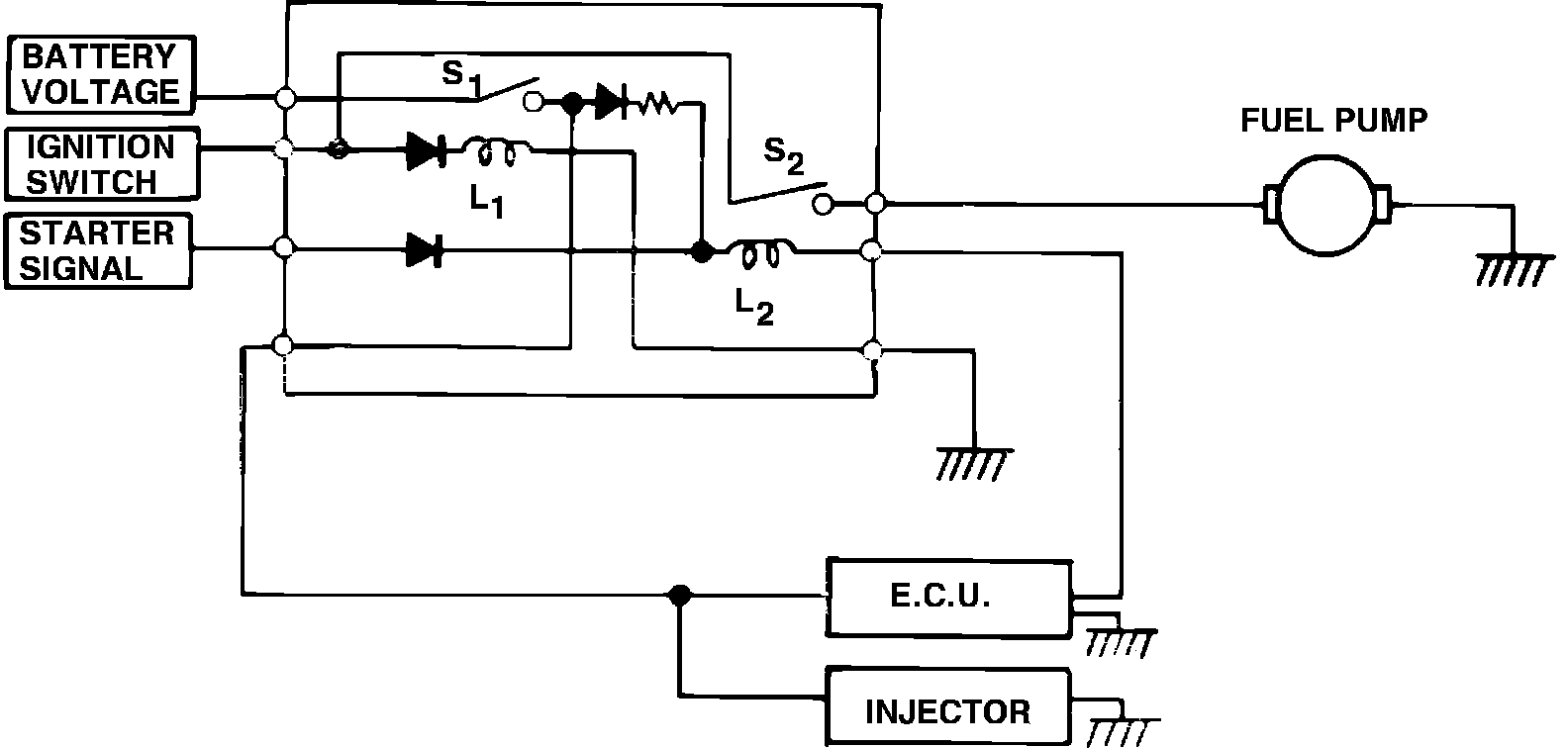
Main Relay (Computer/Fuel System): Description and Operation

Fig. 20 Main relay schematic:




Fig. 21 Main relay schematic:





The main relay, located at the back of the fuse box, is a direct coupler type which contains relays for the ECU power supply and fuel pump power supply, Figs. 20 and 21.