Operation CHARM: Car repair manuals for everyone.
Manuals through 2025 now available!

Our trusted friends have launched a new website named LEMON, which has newer manuals. It also contains all the CHARM manuals.

LEMON is the spiritual successor to CHARM, I recommend you try it!

Link: lemon-manuals.la or lemon-manuals.org.ua

(Some people have issue connecting. LEMON is investigating. For now, use Firefox or change your DNS server)

Or, hide this message: temporarily or permanently

Engine: Service and Repair


1. Disconnect battery ground cable, then positive cable.
2. On Prelude models, remove left and right side manual headlight retracting knob covers, then rotate knobs to bring headlights to open position.
3. On Prelude models, remove grille attaching screws, then the grille.
4. On all models, scribe reference in the hood hinge area, then remove hood assembly.
5. Remove engine splash shield (if equipped).
6. On all models, drain engine oil, then reinstall drain plug using new washer.
7. Drain radiator coolant into suitable container.
8. Drain transaxle lubricant, then reinstall drain plug using new washer. Torque drain plug to 29 ft. lbs.
9. On models equipped with fuel injected engine, proceed as follows:
a. Remove air intake duct, then the engine secondary ground cable.
b. Disconnect air cleaner connecting tube assembly and all necessary vacuum tubes.
c. Remove air cleaner case attaching nuts, then the air cleaner case.
d. Remove throttle cable by loosening locknut and adjusting nut.
e. Disconnect ground cable at fuse box, then the engine compartment sub-harness connector and clamp.
f. Disconnect high tension wire and ignition primary leads at the ignition coil.
g. Disconnect radio condenser electrical connector.
h. Relieve fuel pressure slowly, by loosening service bolt on fuel filter approximately one turn. Place a shop towel over the fuel filter to prevent pressurized fuel from spraying over the engine.
i. Disconnect fuel return hose from pressure regulator, then remove the special nut and fuel hose.
j. Disconnect emission hoses from the tubing manifold.
k. Disconnect No. 2 control box connectors, then lift box off its bracket and position aside.
l. Disconnect brake booster vacuum hose.
10. On models equipped with carbureted engine, proceed as follows:
a. Disconnect vacuum hoses as necessary, then remove air cleaner assembly.
b. Disconnect ignition coil primary and secondary wiring.
c. On Accord models equipped with A/C, remove idle control solenoid valve hoses.
d. On all models, remove air intake duct, hot air duct, power steering hose clamp bolt (if equipped), power brake booster vacuum hose, engine secondary ground cable and engine compartment wire harness connector(s).
e. Disconnect throttle cable from carburetor linkage. To prevent kinking, do not bend throttle cable while removing it. If cable should become kinked, replace it.
f. Disconnect control box No. 1 connector, then lift control box off the mounting bracket and allow it to hang near engine.
g. Disconnect charcoal canister purge control solenoid valve vacuum hose.
h. Disconnect fuel hose from fuel filter.
i. Remove air jet controller (if equipped).
11. On all models, mark heater hoses to ensure correct assembly, then remove heater and radiator hoses. Do not disconnect heater valve cable.
12. On models equipped with manual transaxle, loosen clutch cable adjusting nut, then disconnect clutch cable from release arm.
13. On models equipped with automatic transaxle, disconnect transaxle cooler hoses and allow to drain. Position hoses aside.
14. On all models, remove transaxle ground cable and starter cable.
15. Remove cable clip from speedometer cable holder, then the speedometer cable. Do not remove speedometer cable holder as drive gear may fall into transaxle housing.
16. On models equipped with power steering, remove speed sensor with hoses attached and position aside, then remove power steering pump attaching bolts and position pump aside.
17. On Accord models, remove sub-frame center beam, then loosen radius rod nuts. Remove exhaust header pipe.
18. On all models equipped with A/C, disconnect compressor clutch lead wire then, remove compressor with pressure and return lines attached and position aside. It is not necessary to discharge A/C system.
19. On Prelude models equipped with manual transaxle, remove shift rod yoke attaching bolts, then disconnect shift lever torque rod from clutch housing.
20. On Accord models equipped with manual transaxle, disconnect shift lever torque rod from clutch housing, then remove shift rod yoke attaching bolt.
21. On all models equipped with automatic transaxle, remove center console, then place shift lever in Reverse and remove the lock pin from end of shift cable. Remove cable mounting bracket bolts, then the cable. Remove throttle control cable from transaxle. When removing throttle control cable, loosen lower locknut only. If upper locknut is loosened, the transaxle shift points will be changed.
22. Remove tie rod ends from steering knuckles.
23. Remove right and left side ball joints, then pry right and left side CV joints out of transaxle. Do not pull on axle shafts to remove them.
24. On models equipped with fuel injected engine, disconnect sub-engine harness connectors and clamp.
25. On Prelude models, remove exhaust header pipe.
26. Disconnect cruise control vacuum hoses and linkage (if equipped).
27. Attach suitable hoist to engine, then raise engine slightly to remove load on engine mounts.
28. On Prelude models with carbureted engine, proceed as follows:
a. Disconnect control box No. 2 connector, then lift control box off the mounting bracket and allow it to hang freely near engine.
b. If equipped with A/C, remove idle control solenoid valve.
c. Remove air chamber.
29. On all models, remove three motor mount bolts, then push motor mount into motor mount tower.
30. Remove front and rear engine mount nuts.
31. Disconnect alternator wiring harness, then remove alternator assembly.
32. Remove rear torque rod to engine mounting bolt, then loosen torque rod to frame mounting bolt and swing torque rod out of the way.
33. Ensure all connections that would restrict engine/transaxle removal are removed.
34. Lift engine/transaxle assembly approximately six inches and repeat step 33.
35. Remove engine/transaxle assembly. After engine/transaxle removal, coat all machine surfaces with clean engine oil or grease to prevent rust and corrosion. Tie plastic bags over driveshaft ends.



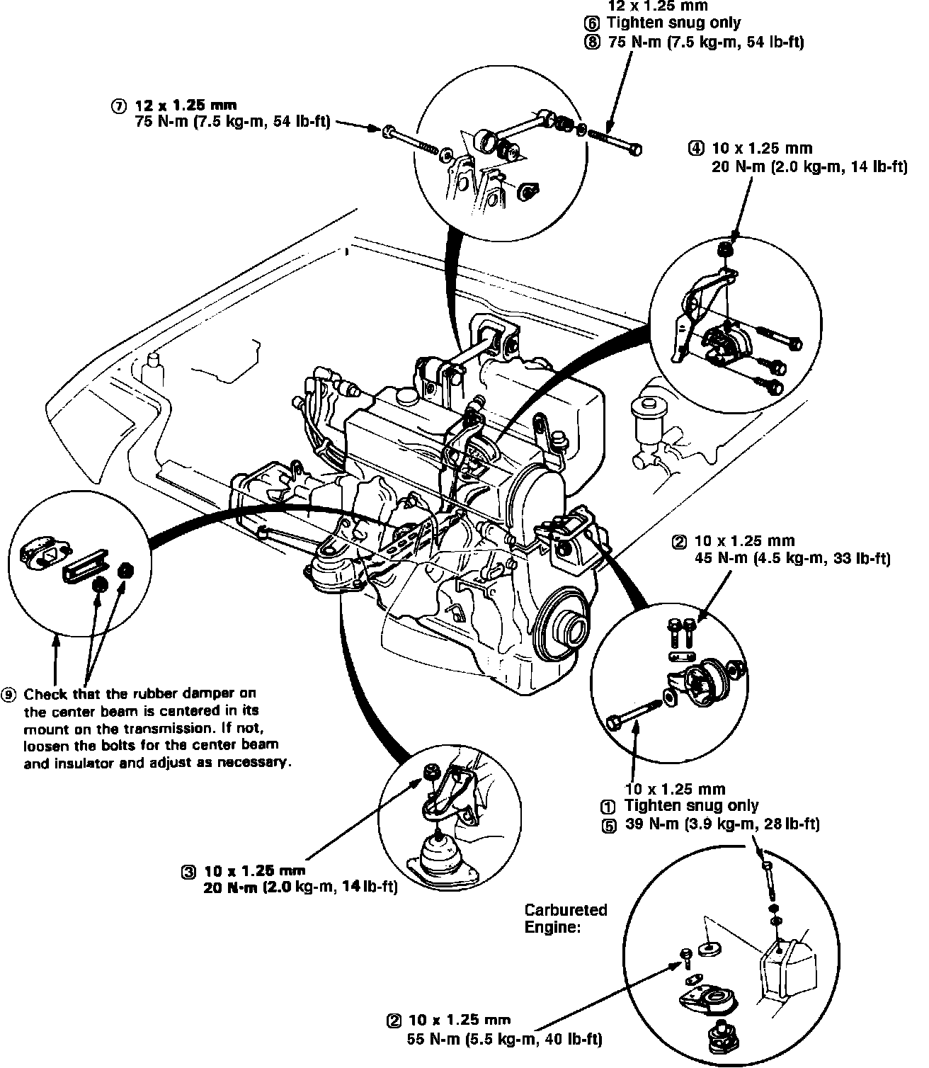
Fig. 7 Engine mount tightening sequence. 1986-87 Accord & Prelude:





36. Reverse procedure to install, noting the following:
a. Refer to Fig. 7 for engine mount torque specifications.
b. When installing driveshafts, use new spring clips and ensure driveshafts click into groove in differential.
c. After refilling cooling system, loosen bleed bolt located on thermostat housing. Start engine. Tighten bleed bolt when cooling system trapped air has escaped and coolant begins to flow.
d. Adjust all control cables to carburetor and transaxle as necessary.