Operation CHARM: Car repair manuals for everyone.
Manuals through 2025 now available!

Our trusted friends have launched a new website named LEMON, which has newer manuals. It also contains all the CHARM manuals.

LEMON is the spiritual successor to CHARM, I recommend you try it!

Link: lemon-manuals.la or lemon-manuals.org.ua

(Some people have issue connecting. LEMON is investigating. For now, use Firefox or change your DNS server)

Or, hide this message: temporarily or permanently

Compressor HVAC: Service and Repair

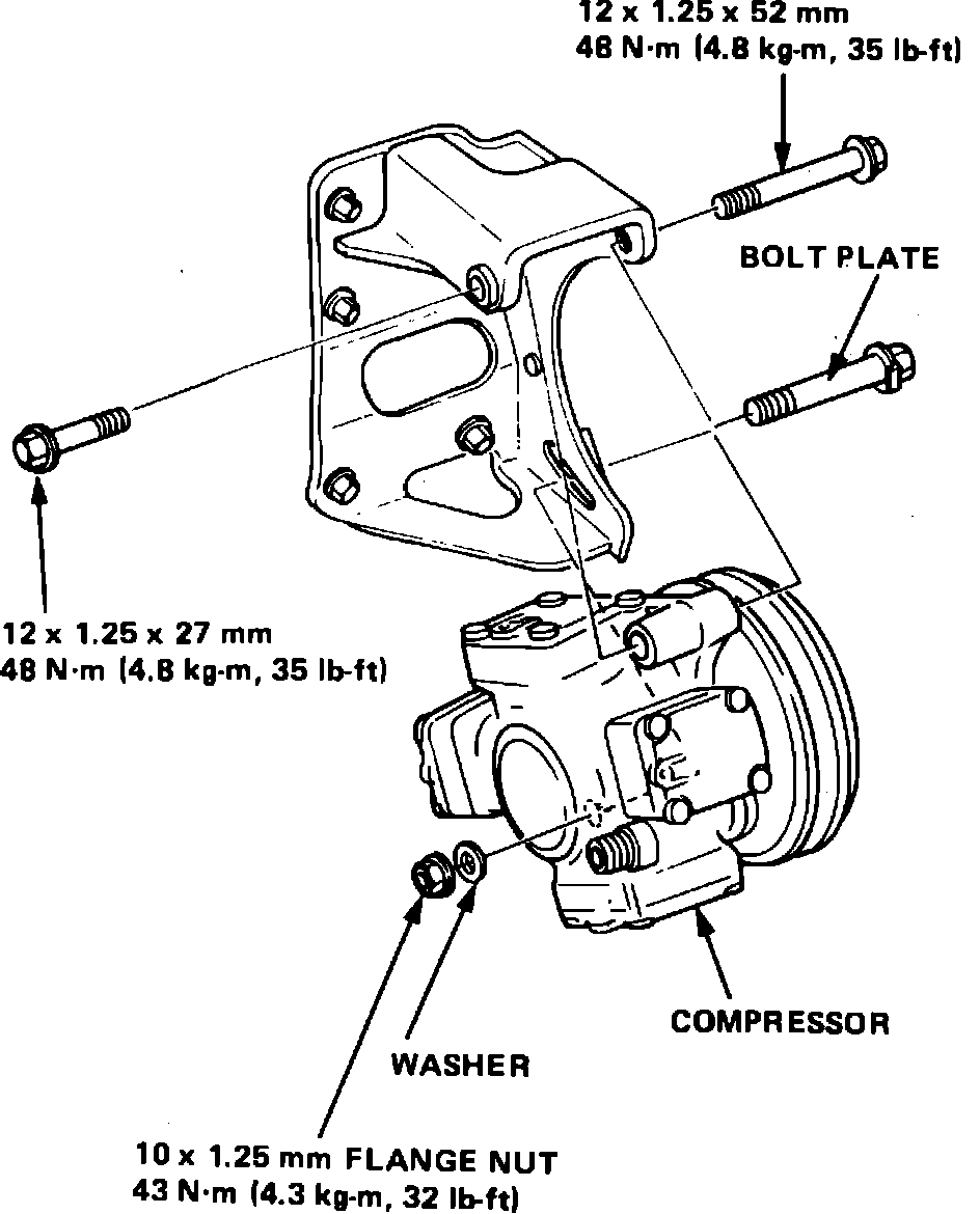
Fig. 6 Compressor mounting.:





1. Start and operate engine at idle speed, then switch A/C system ON for a few minutes.
2. Disconnect battery ground cable and discharge A/C system.
3. Disconnect compressor clutch electrical connector.
4. On vehicles equipped with power steering, loosen steering pump adjusting and mounting bolts, then remove power steering pump pulley belt.
5. Remove power steering oil pump.
6. Mark, then disconnect and cap suction and discharge lines from compressor assembly.
7. Loosen compressor adjusting and mounting nuts and bolts.
8. Remove compressor drive belt.
9. Disconnect electrical connector from A/C cooling fan motor, then remove motor and mounting frame.
10. Remove compressor mount attaching bolts, then the compressor assembly from vehicle, Fig. 6.
11. Reverse procedure to install. Adjust compressor belt to obtain 3/8-1/2 inch deflection when force of 22 lbs. is applied to pulleys.