Operation CHARM: Car repair manuals for everyone.
Manuals through 2025 now available!

Our trusted friends have launched a new website named LEMON, which has newer manuals. It also contains all the CHARM manuals.

LEMON is the spiritual successor to CHARM, I recommend you try it!

Link: lemon-manuals.la or lemon-manuals.org.ua

(Some people have issue connecting. LEMON is investigating. For now, use Firefox or change your DNS server)

Or, hide this message: temporarily or permanently

A/C Component Locations

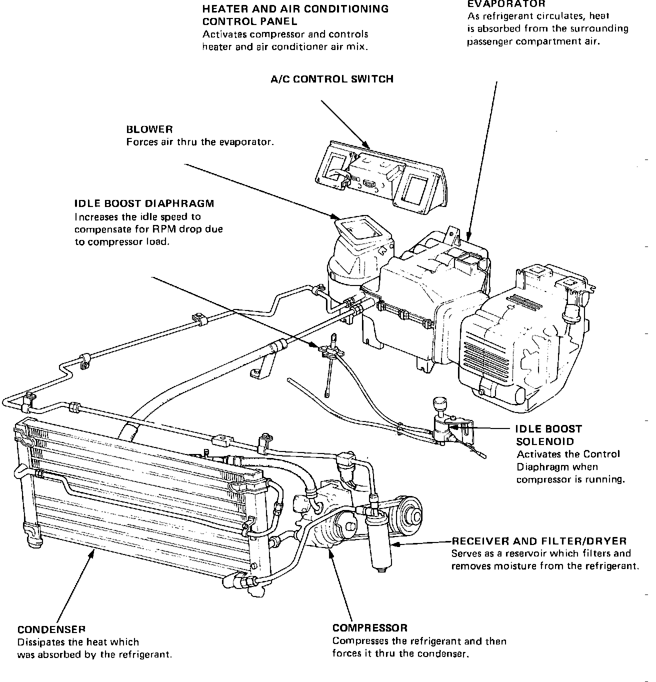
Fig. 19 System description, A/C.:






A/C Compressor Clutch (Carb): Engine compartment, LH side of A/C compressor
A/C Compressor Clutch (EFI): Left front of engine, near left side of radiator
A/C Compressor Clutch Relay (Carb): LH front of engine compartment, on frame rail bracket
A/C Compressor Clutch Relay (EFI): Right side of engine compartment, on front of dash
A/C Condenser Fan Motor: Behind left side of radiator
A/C Delay Unit: Behind dash, below blower motor
A/C Diode Box (Carb): LH front of engine compartment, on frame rail bracket
A/C Diode Box (EFI): Right side of engine compartment, on front of dash
A/C Dual Pressure Cut-Out Switch (Carb): Front of engine compartment, above receiver/drier
A/C Dual Pressure Cut-Out Switch (EFI): Left corner of engine compartment, next to washer fluid filler tube
A/C Thermostat: Behind RH side of dash, on LH upper corner of evaporator housing
Blower Motor: Behind dash, above RH footwell
Blower Motor Diode: Above RH footwell, lower rear of blower motor
Blower Relay: Behind RH side of dash, on RH side of blower motor
Dash Fuse Box: Behind LH side of dash
Emission Control Unit (EFI); Passenger compartment, behind left quarter panel trim
Idle Boost Solenoid: Engine compartment, front of LH shock tower
Radiator Fan Motor: Right rear of radiator
Radiator Fan Temperature Switch: Right side of radiator below fan
Radiator Fan Control Unit: Passenger compartment, behind right quarter panel trim
Power Transistor: Behind glove box, top of blower motor housing
Under-hood Temperature Switch: On thermostat