Operation CHARM: Car repair manuals for everyone.
Manuals through 2025 now available!

Our trusted friends have launched a new website named LEMON, which has newer manuals. It also contains all the CHARM manuals.

LEMON is the spiritual successor to CHARM, I recommend you try it!

Link: lemon-manuals.la or lemon-manuals.org.ua

(Some people have issue connecting. LEMON is investigating. For now, use Firefox or change your DNS server)

Or, hide this message: temporarily or permanently

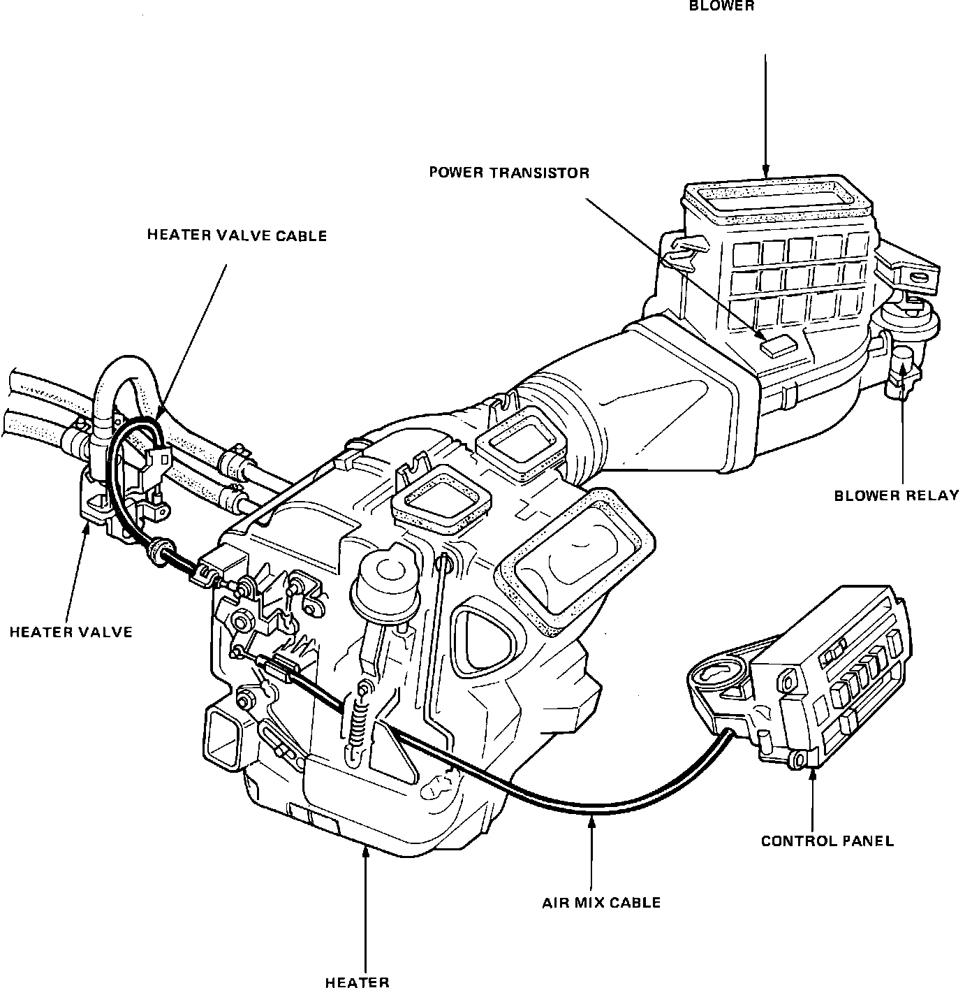
Heater

Fig. 3 System description, heater.:






Dash Fuse Box: Behind LH side of dash
Diode: Behind dash, right of recirculation on-off solenoid valve
Floor/Defrost Diaphragm: Behind center of dash, on RH middle of heater housing
Floor/Defrost Divider Switch: Behind center of dash, on lower RH side of heater housing
Floor/Defrost Solenoid Valve: Behind center of dash, on upper RH side of heater housing
Recirculation Diaphragm: Behind dash, near the top of RH kick panel
Recirculation On-Off Solenoid Valve: Behind dash, near RH kick panel
Vent/Defrost Diaphragm: Behind center of dash, on upper LH side of heater housing
Vent/Defrost Divider Switch: Behind center of dash, on lower LH side of heater housing
Vent/Defrost Solenoid Valve: Behind center of dash, on upper RH side of heater housing