Operation CHARM: Car repair manuals for everyone.
Manuals through 2025 now available!

Our trusted friends have launched a new website named LEMON, which has newer manuals. It also contains all the CHARM manuals.

LEMON is the spiritual successor to CHARM, I recommend you try it!

Link: lemon-manuals.la or lemon-manuals.org.ua

(Some people have issue connecting. LEMON is investigating. For now, use Firefox or change your DNS server)

Or, hide this message: temporarily or permanently

Heater Core: Service and Repair

Fig. 40 Instrument panel removal. 1988 Prelude:





1. Disconnect battery ground cable, then drain cooling system.
2. Disconnect heater hoses at heater and install plugs in core tubes.
3. Disconnect control cable from heater valve.
4. Position front seats in full rearward position, then remove instrument panel lower cover and front and rear consoles.
5. Disconnect electrical connectors from fuse block, then remove fuse block attaching screws and lower fuse box.
6. Disconnect speedometer cable.
7. Remove radio trim panel, then disconnect antenna lead and radio electrical connector.
8. Remove radio attaching screws, then remove radio.
9. Disconnect heater control cable.
10. Disconnect electrical connectors at shift control switches.
11. Disconnect electrical connectors from heater control unit.
12. Remove clock from instrument panel.
13. Lower steering column, then remove instrument panel to cowl attaching bolts, Fig. 40.
14. Carefully lift and pull instrument panel away from cowl to disengage from center guide pin, then disconnect speedometer cable and remove instrument panel. Support instrument panel during removal from guide pin.
15. Remove heater duct, then remove lower heater housing mounting nut.
16. Remove steering column bracket and duct assembly, the disconnect electrical connector at heater control.
17. Remove heater housing to cowl attaching bolts, then remove heater housing.


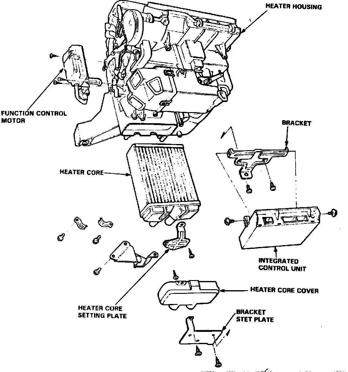
Fig. 41 Removing heater core from heater housing. 1988 Prelude:





18. Remove heater core cover from heater housing, Fig. 41.
19. Remove heater core tube clamp, then remove heater core from heater housing.
20. Reverse procedure to install. When installing instrument panel, ensure panel is properly positioned on guide and that wiring harness are properly routed. Tighten instrument panel attaching bolts alternately and evenly, ensuring instrument panel remains properly aligned. After refilling cooling system, loosen engine cooling system bleed bolt located in upper radiator hose outlet. Start engine. Tighten bleed bolt when cooling system trapped air has escaped and coolant begins to flow.