Operation CHARM: Car repair manuals for everyone.
Manuals through 2025 now available!

Our trusted friends have launched a new website named LEMON, which has newer manuals. It also contains all the CHARM manuals.

LEMON is the spiritual successor to CHARM, I recommend you try it!

Link: lemon-manuals.la or lemon-manuals.org.ua

(Some people have issue connecting. LEMON is investigating. For now, use Firefox or change your DNS server)

Or, hide this message: temporarily or permanently

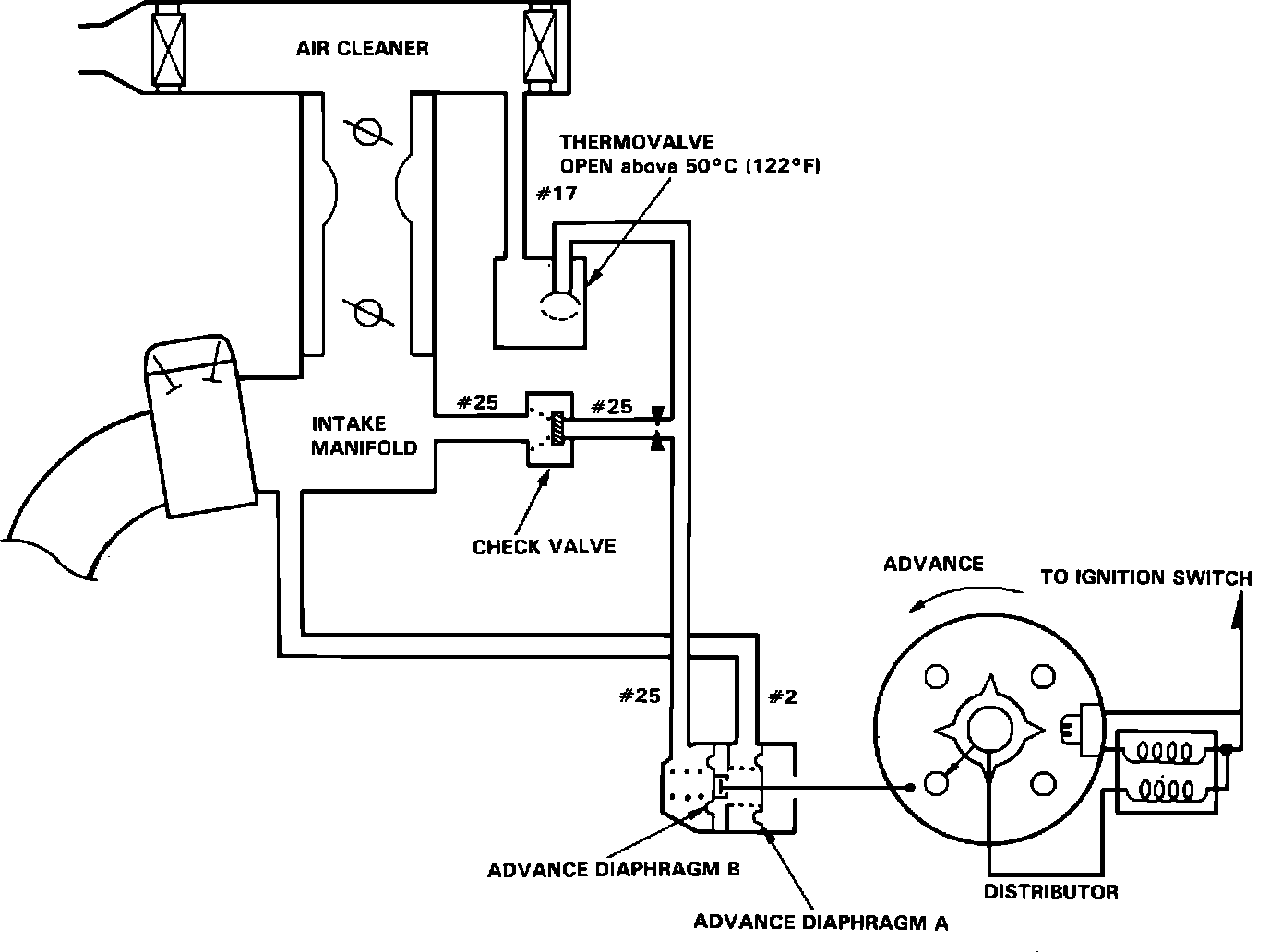
Spark Control (SPK)

Fig. 132 Ignition System Advance Vacuum And Wiring Diagram (Carbureted Engine):





Ignition timing control, combined with the internal distributor control (centrifugal advance), affects the time which each spark plug ignites the air-fuel mixture, in accordance with engine speed, load, and coolant temperature. This optimizes ignition timing during and after engine warm-up to maximize fuel economy and performance.
This distributor has two separate vacuum advance diaphragms which operate on manifold vacuum. Diaphragm A is connected directly to manifold vacuum, and diaphragm B is also controlled by a thermovalve. This system is provided to improve driveability at cold engine temperature by advancing the ignition timing.
When the engine coolant temperature is below the set temperature of the thermovalve, (50°C/122°F), manifold vacuum is applied through the check valve to diaphragm B of the advance unit. The thermovalve is closed, sealing the vacuum line, and the diaphragms retract to turn the breaker plate of the distributor and advance the timing. When the coolant temperature is above the set value, the thermovalve opens, and the vacuum is released.