Operation CHARM: Car repair manuals for everyone.
Manuals through 2025 now available!

Our trusted friends have launched a new website named LEMON, which has newer manuals. It also contains all the CHARM manuals.

LEMON is the spiritual successor to CHARM, I recommend you try it!

Link: lemon-manuals.la or lemon-manuals.org.ua

(Some people have issue connecting. LEMON is investigating. For now, use Firefox or change your DNS server)

Or, hide this message: temporarily or permanently

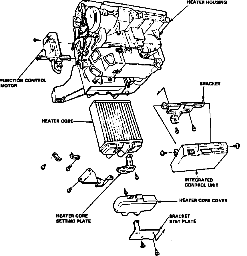
Heater Core: Service and Repair

1. Disconnect battery ground cable, then drain cooling system.
2. Disconnect heater hoses at heater and install plugs in core tubes.
3. Disconnect control cable from heater valve.
4. Position front seats in full rearward position, then remove instrument panel as described in BODY ELECTRICAL SAFETY AND ENTERTAINMENT/INSTRUMENT PANELS AND CLUSTERS.
5. Disconnect electrical connectors from fuse block, then remove fuse block attaching screws and lower fuse box.
6. Disconnect speedometer cable.
7. Disconnect heater control cable.
8. Remove heater duct, then remove lower heater housing mounting nut.
9. Remove steering column bracket and duct assembly, the disconnect electrical connector at heater control.
10. Remove heater housing to cowl attaching bolts, then remove heater housing.

Fig. 16 Removing Heater Core From Heater Housing:




11. Remove heater core cover from heater housing, Fig. 16.
12. Remove heater core tube clamp, then remove heater core from heater housing.
13. Reverse procedure to install, noting the following:
a. When installing instrument panel, ensure panel is properly positioned on guide and that wiring harness are properly routed.
b. Tighten instrument panel attaching bolts alternately and evenly, ensuring instrument panel remains properly aligned.
c. After refilling cooling system, loosen engine cooling system bleed bolt located in upper radiator hose outlet.
d. Start engine, and allow air trapped in engine cooling system to escape. After coolant begins to flow, tighten bleed bolt.