Operation CHARM: Car repair manuals for everyone.
Manuals through 2025 now available!

Our trusted friends have launched a new website named LEMON, which has newer manuals. It also contains all the CHARM manuals.

LEMON is the spiritual successor to CHARM, I recommend you try it!

Link: lemon-manuals.la or lemon-manuals.org.ua

(Some people have issue connecting. LEMON is investigating. For now, use Firefox or change your DNS server)

Or, hide this message: temporarily or permanently

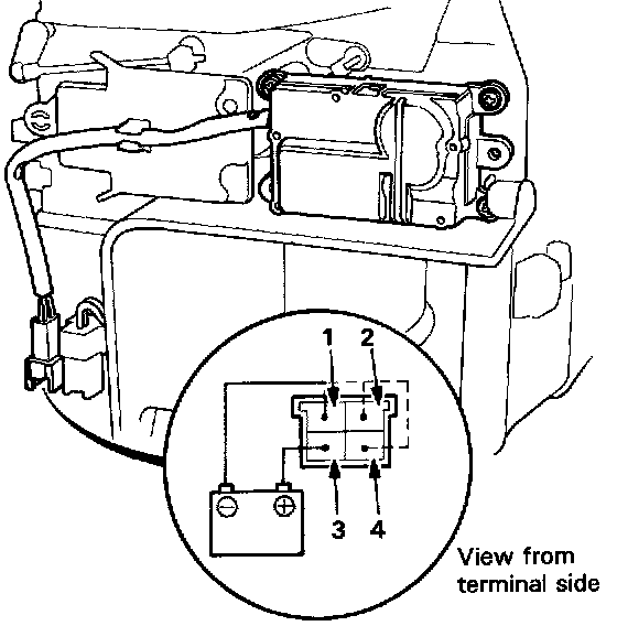
Recirculation Control Motor

Recirculation Control Motor




1. Connect the battery positive to the 3 terminal of the recirculation control motor connector and negative to 1 terminal.
2. Using a jumper wire connect the 1 terminal and 2 or 4 terminal.
^ On the recirculation door REC position, the motor should turn with the 1 terminal connected to 4 terminal.
^ On the door FRESH position, the motor should turn with the 1 terminal connected to 2 terminal.
4. The motor automatically stops after half turn with the jumper wire connected.