Operation CHARM: Car repair manuals for everyone.
Manuals through 2025 now available!

Our trusted friends have launched a new website named LEMON, which has newer manuals. It also contains all the CHARM manuals.

LEMON is the spiritual successor to CHARM, I recommend you try it!

Link: lemon-manuals.la or lemon-manuals.org.ua

(Some people have issue connecting. LEMON is investigating. For now, use Firefox or change your DNS server)

Or, hide this message: temporarily or permanently

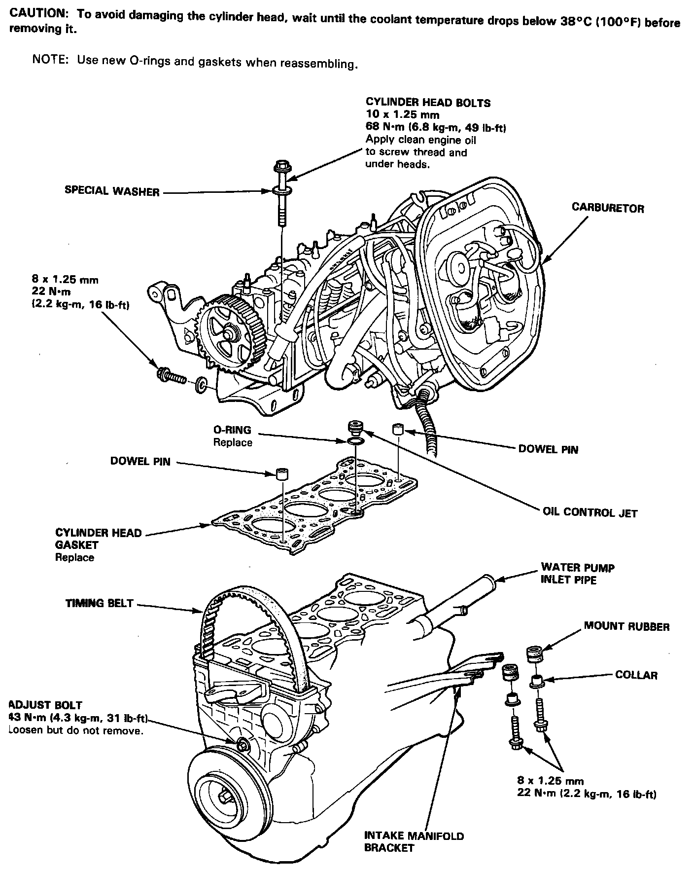
Torque Specifications

Cylinder Head, Camshaft, Rocker Arms and Manifolds











Rocker Arm Shaft Bolt Sequence:





Camshaft Pulley:





Exhaust Manifold:





Intake Manifold:





Cylinder Head Bolt Torque Sequence:






Torque cylinder head bolts in 2 steps, following sequence shown in figure. First torque bolts to 22 ft. lbs., then torque bolts to 49 ft. lbs.

Cylinder Block


















Flywheel/Flexplate Replacement








Lubrication