Operation CHARM: Car repair manuals for everyone.
Manuals through 2025 now available!

Our trusted friends have launched a new website named LEMON, which has newer manuals. It also contains all the CHARM manuals.

LEMON is the spiritual successor to CHARM, I recommend you try it!

Link: lemon-manuals.la or lemon-manuals.org.ua

(Some people have issue connecting. LEMON is investigating. For now, use Firefox or change your DNS server)

Or, hide this message: temporarily or permanently

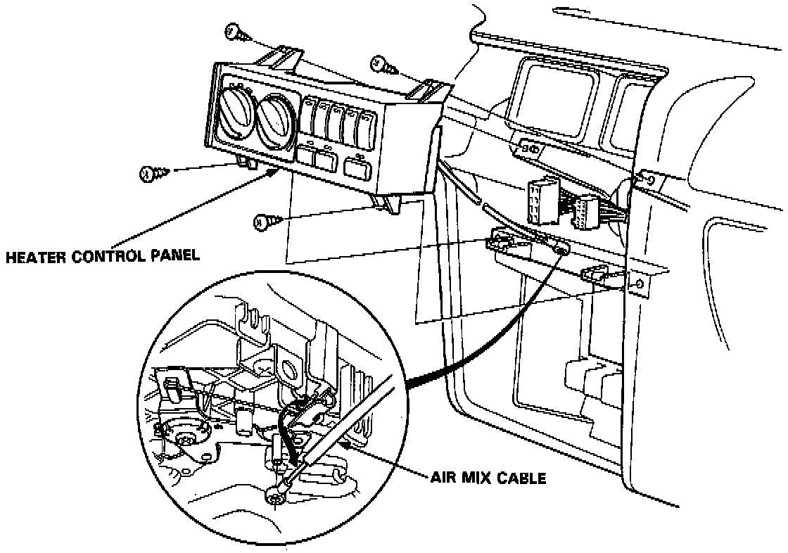
Removal and Installation

NOTE: SRS wire harness is routed near the console.

WARNING: All SRS wire harnesses and connectors are colored yellow. Do not use electrical test equipment on these circuits.

CAUTION: Be careful not to damage the SRS wire harnesses when servicing the console.







1. Remove the ashtray.
Remove the console.







2. Remove the switches, coin box, air vent, and ashtray lighting bracket.







3. Remove the radio/cassette player and dash panel.
- Loosen the self-tapping screws under the radio, and remove the radio/cassette player.
- Tilt the steering column down, then remove the panel.


Button Type Control Panel:






Lever Type Control Panel:






4. Disconnect the cables at the heater assembly.
5. Remove the self-tapping screws (4), pull out the heater control panel, disconnect the wire harness connectors, then remove the heater control panel.
6. Install in the reverse order of removal, reconnect the cables, making sure they are properly adjusted.