Manuals through 2025 now available!
Our trusted friends have launched a new website named LEMON, which has newer manuals. It also contains all the CHARM manuals.
LEMON is the spiritual successor to CHARM, I recommend you try it!
Link:
lemon-manuals.la or
lemon-manuals.org.ua
(Some people have issue connecting. LEMON is investigating. For now, use Firefox or change your DNS server)
Or, hide this message:
temporarily or
permanently
Ignition Control Module: Service and Repair
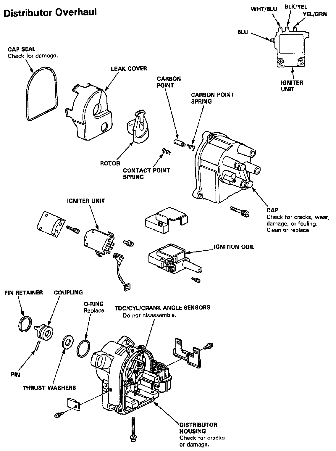
OE does not provide a removal and installation procedure for the ignitor. However, the image above shows the visual relationship and position of the ignitor to other distributor components. A dielectric compound should be used between the ignitor and the distributor body to aid in heat transfer.