Operation CHARM: Car repair manuals for everyone.
Manuals through 2025 now available!

Our trusted friends have launched a new website named LEMON, which has newer manuals. It also contains all the CHARM manuals.

LEMON is the spiritual successor to CHARM, I recommend you try it!

Link: lemon-manuals.la or lemon-manuals.org.ua

(Some people have issue connecting. LEMON is investigating. For now, use Firefox or change your DNS server)

Or, hide this message: temporarily or permanently

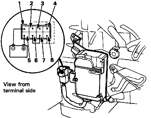
Function Control Motor

Function Control Motor




1. Connect the battery positive terminal to the 5 terminal of the function control motor and negative to the 1 terminal.
2. In the following order, use a jumper wire to short the 6 terminal to the 7, 8, 4, 3, and 2 terminals.
- The motor should run each time the short circuit is made.