Operation CHARM: Car repair manuals for everyone.
Manuals through 2025 now available!

Our trusted friends have launched a new website named LEMON, which has newer manuals. It also contains all the CHARM manuals.

LEMON is the spiritual successor to CHARM, I recommend you try it!

Link: lemon-manuals.la or lemon-manuals.org.ua

(Some people have issue connecting. LEMON is investigating. For now, use Firefox or change your DNS server)

Or, hide this message: temporarily or permanently

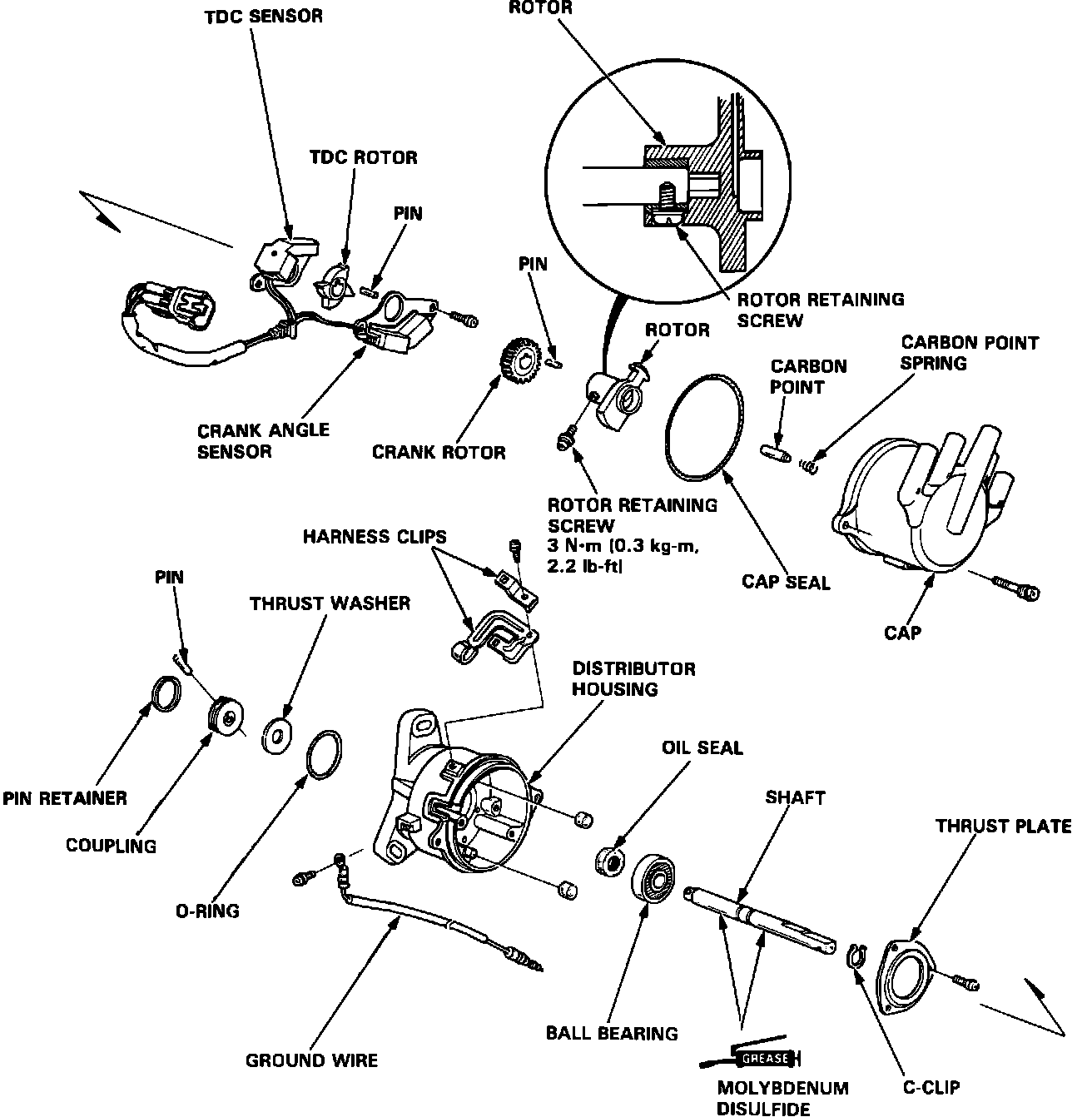
Distributor: Description and Operation

PGM-IG Distributor:





The distributor acts as a rotary switch, distributing the firing voltage using a distributor rotor and distributor cap. The distributor cap and rotor deliver high voltage to the spark plugs in a pre-set sequence. The distributor is driven by the camshaft and is located on the right side of the engine. This distributor has an external coil and igniter unit and receives signals electronically by the programmed fuel injection (PGM-FI) system.
The TDC/CRANK sensor, found inside the distributor housing, consists of the TDC sensor rotor, CRANK sensor rotor, their associated pick-up coils, and a common shaft that is directly coupled to the camshaft. As the teeth on the sensors break the flux lines of their respective pick-up coils a voltage pulse is generated. These pulses are the input signal to the engine control unit (ECU).
The CRANK sensor detects engine RPM and is also a primary input signal to the ECU for determining fuel injection timing and ignition of each cylinder. The TDC sensor determines ignition timing at start-up (cranking) and when crank angle signal is abnormal.