Operation CHARM: Car repair manuals for everyone.
Manuals through 2025 now available!

Our trusted friends have launched a new website named LEMON, which has newer manuals. It also contains all the CHARM manuals.

LEMON is the spiritual successor to CHARM, I recommend you try it!

Link: lemon-manuals.la or lemon-manuals.org.ua

(Some people have issue connecting. LEMON is investigating. For now, use Firefox or change your DNS server)

Or, hide this message: temporarily or permanently

Torque Specifications






Exhaust Manifold:





















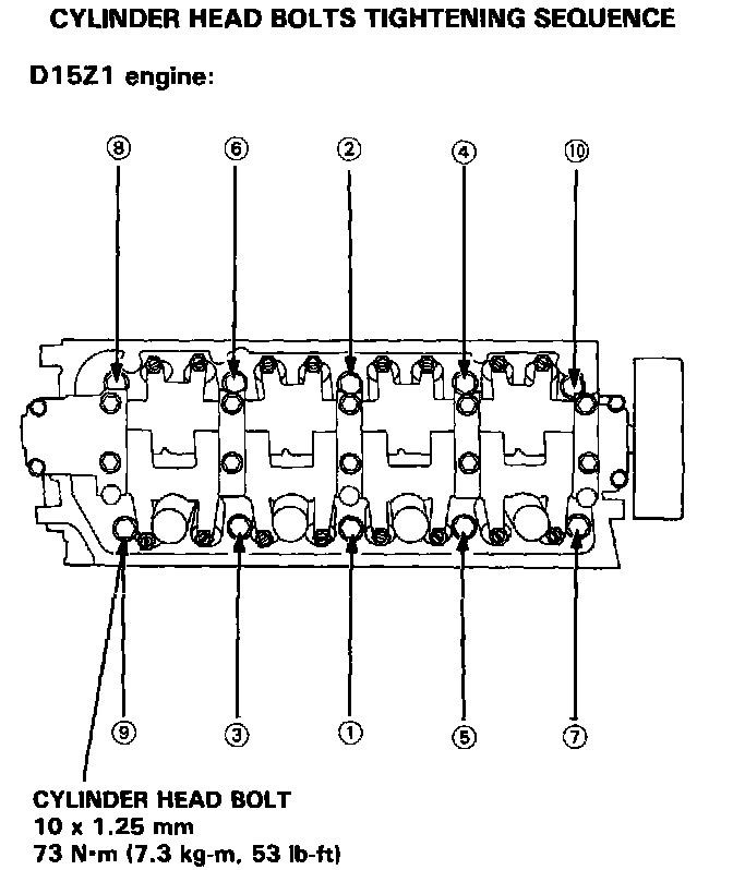
Head Bolt Torque Sequence:






Torque cylinder head attaching bolts in sequence in two steps; first to 22 ft. lbs., then to 53 ft lbs.


Timing Components:











Lower Engine:





















Main Bolt Loosening Sequence:






Main Bolt Torque Sequence:











Flywheel (M/T) Torque:






Drive Plate (A/T) Torque: