Operation CHARM: Car repair manuals for everyone.
Manuals through 2025 now available!

Our trusted friends have launched a new website named LEMON, which has newer manuals. It also contains all the CHARM manuals.

LEMON is the spiritual successor to CHARM, I recommend you try it!

Link: lemon-manuals.la or lemon-manuals.org.ua

(Some people have issue connecting. LEMON is investigating. For now, use Firefox or change your DNS server)

Or, hide this message: temporarily or permanently

Torque Specifications

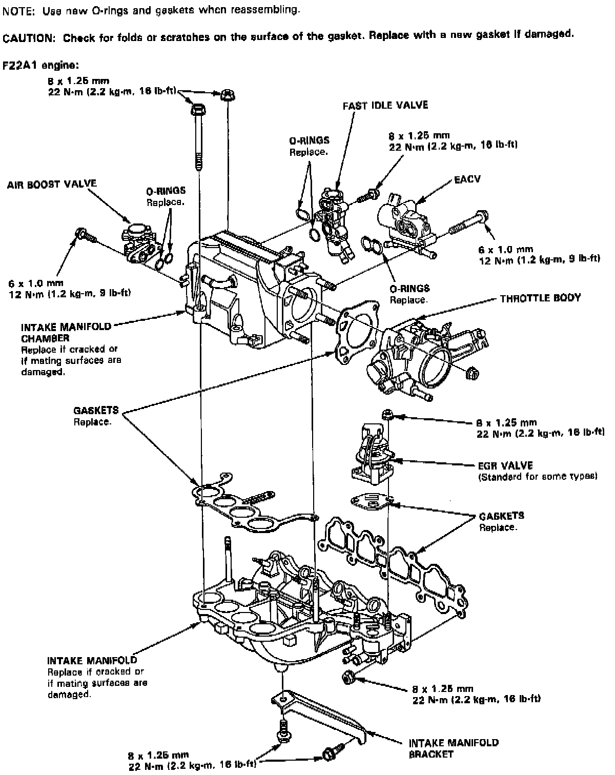
Intake:






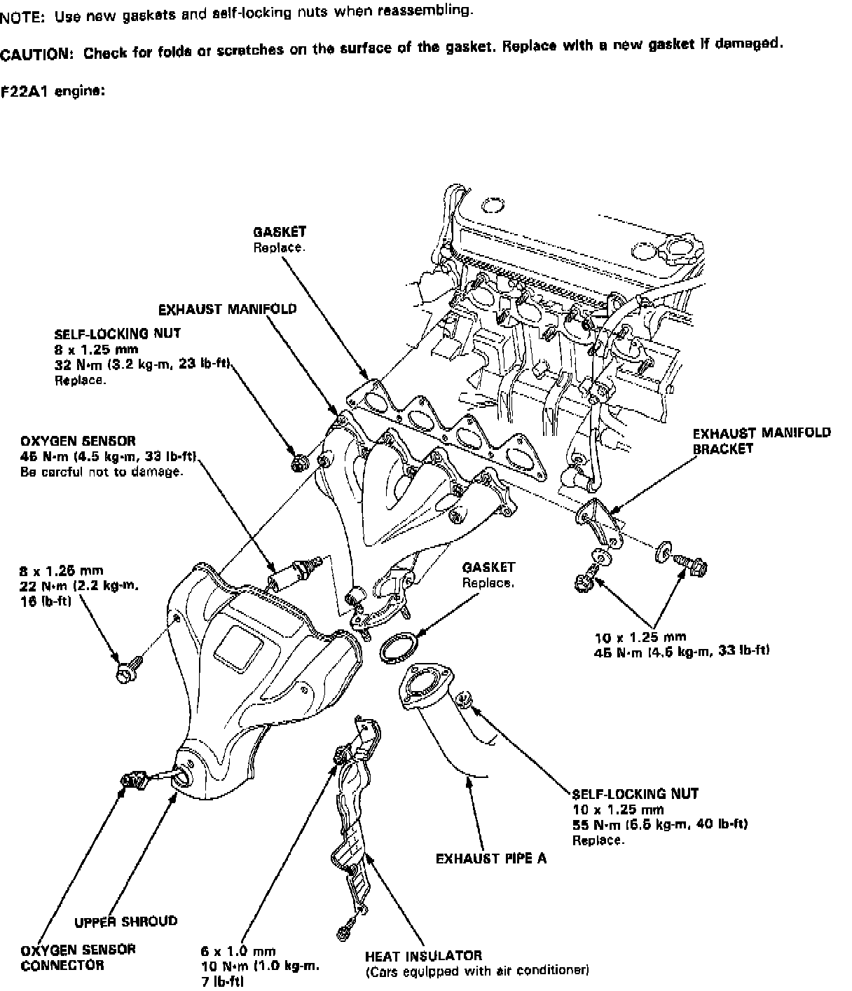
Exhaust Manifold:






Upper Engine:











Cam Holder Torque/Sequence:






Cylinder Head Torque Sequence:






Tighten cylinder head bolts, in sequence, in three steps:

1st step: 40 N.m (4.0 kg-m, 29 ft-lb)
2nd step: 70 N.m (7.0 kg-m, 51 ft-lb)
3rd step: 100 N.m (10.0 kg-m, 72 ft-lb)


Timing Components:






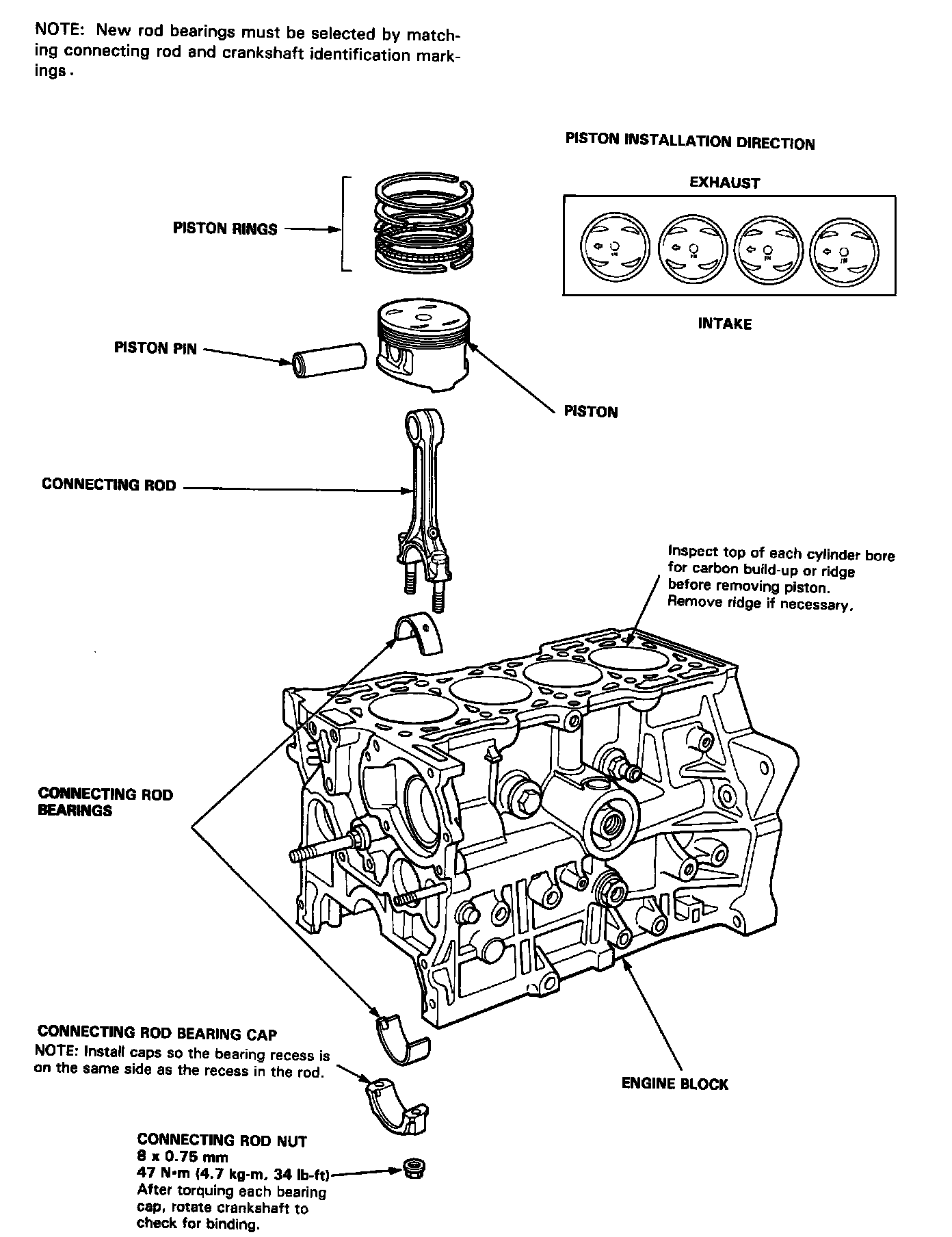
Lower Engine:






Engine Lubrication:
















Main Bolt Loosening Sequence:






Main Bolt Torque Sequence:




































Flywheel (M/T) Torque:






Drive Plate (A/T) Torque: