Operation CHARM: Car repair manuals for everyone.
Manuals through 2025 now available!

Our trusted friends have launched a new website named LEMON, which has newer manuals. It also contains all the CHARM manuals.

LEMON is the spiritual successor to CHARM, I recommend you try it!

Link: lemon-manuals.la or lemon-manuals.org.ua

(Some people have issue connecting. LEMON is investigating. For now, use Firefox or change your DNS server)

Or, hide this message: temporarily or permanently

Heater Core: Service and Repair






CAUTION:
- All SRS electrical wiring harnesses are covered with yellow outer insulation.
- Before disconnecting the SRS wire harness, install the short connector(s) on the airbag(s).
- Replace the entire affected SRS harness assembly if it has an open circuit or damaged wiring.

HEATER UNIT REMOVAL
1. When the engine is cool, drain the engine coolant from the radiator.

WARNING:
- Do not remove the radiator cap when the engine is hot; the engine coolant is under pressure and could severely scald you.
- Keep hands away from the radiator fan. The fan may start automatically without warning and run for up to 15 minutes, even after the engine is turned off.


CAUTION: Engine coolant will damage paint. Quickly rinse any spilled engine coolant from painted surfaces.







2. Disconnect the heater hoses at the heater.

NOTE: Engine coolant will run out when the hoses are disconnected, drain it into a clean drip pan.

3. Disconnect the heater valve cable from the heater valve.
4. Remove the dashboard.
5. Remove the heater duct or evaporator.







6. Remove the dashboard support tube.
7. Remove the mode control motor 8P connector (button type only) and the four heater unit mounting nuts, then remove the heater unit.







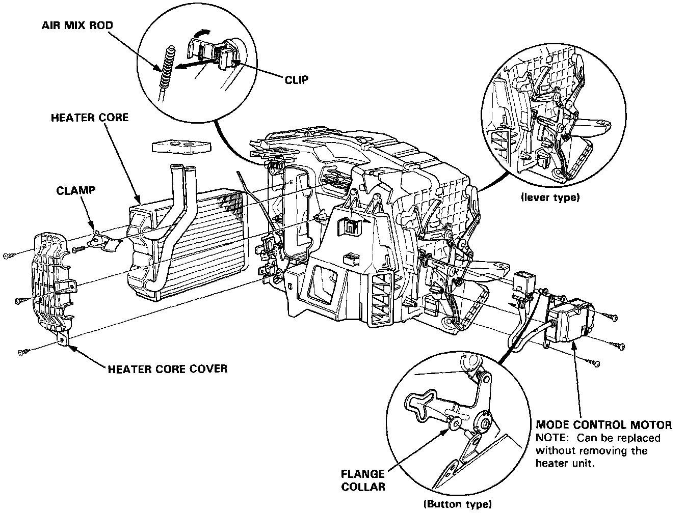
HEATER CORE REPLACEMENT
1. Remove the heater unit.
2. Remove the air mix rod from the clip.
3. Remove the three self-tapping screws and heater core cover.
4. Remove the self-tapping screw and clamp.
5. Pull out the heater core from the heater unit.
6. Install in the reverse order of removal, noting the following:
- Apply sealant to the grommets.
- Do not interchange the inlet and outlet hoses. Make sure that the hose clamps are secure.
- Loosen the bleed bolt on the engine and refill the radiator and reservoir tank with the proper engine coolant mixture. Tighten the bleed bolt when all the trapped air has escaped and engine coolant begins to flow from it.
7. After installing heater unit, make the following adjustments:
- Heater linkage (see below)
- Air mix rod and control cable
- Heater valve cable
- Mode control cable (lever type only)






HEATER LINKAGE ADJUSTMENT, BUTTON TYPE
DEF Door Adjustment
1. Loosen the adjusting screw.
2. Adjust the heater linkage as shown.
3. Tighten the adjusting screw.

HEAT Door Adjustment
1. Loosen the adjusting screw.
2. Adjusting the heater linkage as shown.
3. Tighten the adjusting screw.

NOTE: When HEAT door is closed, air should not leak from the HEAT door.







HEATER LINKAGE ADJUSTMENT, LEVER TYPE
HEAT Door Adjustment
1. Loosen the adjusting screw.
2. Adjust the heater linkage as shown.
3. Tighten the adjusting screw.

NOTE: When HEAT door is closed, air should not leak from the HEAT door.