Operation CHARM: Car repair manuals for everyone.
Manuals through 2025 now available!

Our trusted friends have launched a new website named LEMON, which has newer manuals. It also contains all the CHARM manuals.

LEMON is the spiritual successor to CHARM, I recommend you try it!

Link: lemon-manuals.la or lemon-manuals.org.ua

(Some people have issue connecting. LEMON is investigating. For now, use Firefox or change your DNS server)

Or, hide this message: temporarily or permanently

Heating and Air Conditioning: Specifications

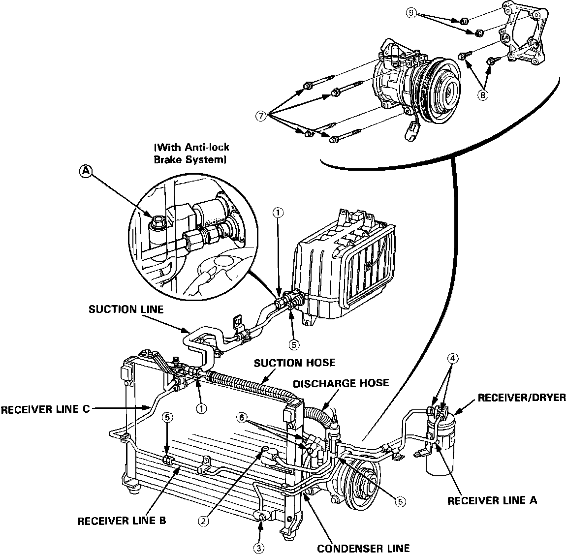
Location Of Fasteners:





COMPONENT TORQUE VALUES
(1) Suction line (evaporator side): 33 Nm (24 lb-ft)
(A) With Anti-lock brake System: 16 Nm (12 lb-ft)
(2) Discharge hose to condenser: 19 Nm (14 lb-ft)
(3) Condenser line to condenser: 10 Nm (7 lb-ft)
(4) Receiver/Dryer: 14 Nm (10 lb.-ft)
(5) Receiver line A, B, C (both side): 14 Nm (10 lb-ft)
(6) Compressor hose mounting bolts: 22 Nm (16 lb-ft)
(7) Compressor mounting bolts: 22 Nm (16 lb-ft)
(8) Compressor bracket mounting bolts: 50 Nm (36 lb-ft)
(9) Compressor bracket mounting nuts: 50 Nm (36 lb-ft)

Refer to item number in illustration.