Operation CHARM
: Car repair manuals for everyone.
Home
>>
Honda
>>
1993
>>
Accord L4-2156cc 2.2L SOHC
>>
Repair and Diagnosis
>>
Powertrain Management
>>
Emission Control Systems
>>
Diagrams
>>
Canada
>>
EX-R and SE Model
Manuals through 2025 now available!
Our trusted friends have launched a new website named LEMON, which has newer manuals. It also contains all the CHARM manuals.
LEMON is the spiritual successor to CHARM, I recommend you try it!
Link:
lemon-manuals.la
or
lemon-manuals.org.ua
(Some people have issue connecting. LEMON is investigating. For now, use Firefox or change your DNS server)
Or, hide this message:
temporarily
or
permanently
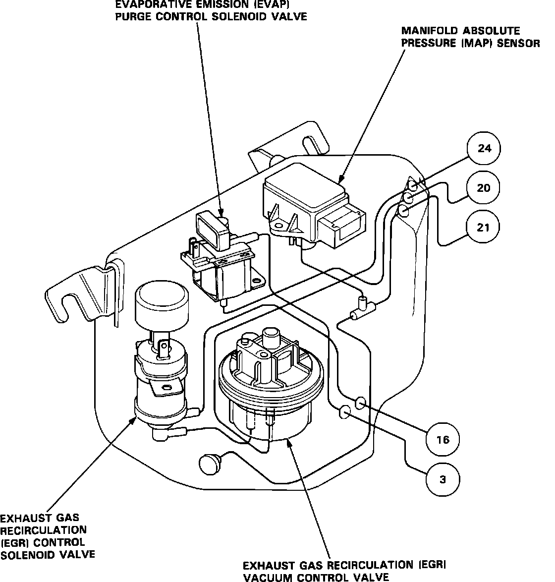
EX-R and SE Model
Schematic View Vacuum Connections EX And SE Models:
COMPLETE VACUUM AND VAPOR HOSE SCHEMATIC
Engine Vacuum Connections:
ENGINE VACUUM HOSE ROUTING
Control Box Vacuum Connections:
VACUUM HOSE ROUTING CONTROL BOX