Operation CHARM: Car repair manuals for everyone.
Manuals through 2025 now available!

Our trusted friends have launched a new website named LEMON, which has newer manuals. It also contains all the CHARM manuals.

LEMON is the spiritual successor to CHARM, I recommend you try it!

Link: lemon-manuals.la or lemon-manuals.org.ua

(Some people have issue connecting. LEMON is investigating. For now, use Firefox or change your DNS server)

Or, hide this message: temporarily or permanently

Starting System: Testing and Inspection

NOTE: The air temperature must be between 59 °F and 100 °F (15 °C and 38 °C) before testing.

Recommended Procedure:
^ Use a starter system tester.
^ Connect and operate the equipment in accordance with manufacturer's instructions.
^ Test and troubleshoot as described.


Starting System Test Procedure:




Alternate Procedure:
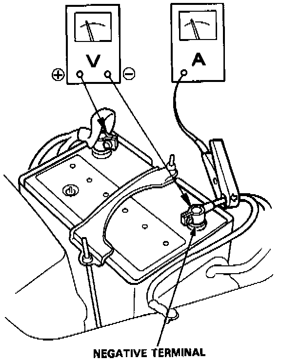
^ Use the following equipment:
- Ammeter, 0-400 A
- Voltmeter, 0-20 V (accurate within 0.1 volt)
- Tachometer, 0- 1 200 rpm
^ Hook up voltmeter and ammeter as shown.

NOTE: After this test, or any subsequent repair, reset the ECM to clear any codes, refer to Powertrain Management/Computers and Control Systems/Testing and Inspection/Procedures.

Ignition Coil Plug:




1. Disconnect the 4-P connector from the ignition coil.


Checking For Starter Engagement:




2. Check the starter engagement: Press the clutch pedal all the way in (MIT), and turn the ignition switch to "START". The starter should crank the engine.

NOTE: On cars equipped with manual transmission, the engine will not crank unless the clutch pedal is fully depressed.

^ If the starter does not crank the engine, check the battery, battery positive cable, ground, and the wire connections for looseness and corrosion.
^ Test again. If the starter still does not crank the engine, bypass the ignition switch circuit as follows: Unplug the BLK/WHT wire from the solenoid terminal. Connect a jumper wire from the battery positive 1+) terminal to the solenoid terminal. The starter should crank the engine.
- If the starter still does not crank the engine, remove the starter and diagnose its internal problems.
- If the starter cranks the engine, check for an open in the BLK/wHT wire and connectors between the starter and ignition switch. Check the ignition switch.
^ On cars with automatic transmission, check the AIT gear position switch (neutral position switch), and connectors.
^ On cars with manual transmission, check the starter cut relay, clutch interlock switch, and connectors.

NOTE: Check the No. 33 (50 A) fuse in the under- hood fuse/relay box and the starter cut relay.

3. Check for wear or damage:
^ The starter should crank the engine smoothly and steadily.
^ If the starter engages, but cranks the engine erratically, remove the starter motor. Check the starter, drive gear, and flywheel ring gear for damage.
^ Check the drive gear overrunning clutch for binding or slipping when the armature is rotated with the drive gear held. Replace the gears if damaged.


4. Check cranking voltage and current draw: Voltage should be no less than 8.5 volts. Current should be no more than 380 amperes. If voltage is too low, or current draw too high, check for:
^ Low battery.
^ Open circuit in starter armature commutator segments.
^ Starter armature dragging.
^ Shorted armature winding.
^ Excessive drag in engine.

5. Check cranking rpm: Engine speed during cranking should be above 100 rpm. If speed is too low, check for:
^ Loose battery or starter terminals.
^ Excessively worn starter brushes.
^ Open circuit in commutator segments.
^ Dirty or damaged helical spline or drive gear.
^ Defective drive gear overrunning clutch.

6. Check the starter disengagement: Press the clutch pedal all the way in (M/T), turn the ignition switch to "III" and release to "II" position. The starter drive gear should disengage from the flywheel ring gear. If the drive gear hangs up on the flywheel ring gear, check for:
^ Solenoid plunger and switch malfunction.
^ Dirty drive gear assembly or damaged overrunning clutch.