Operation CHARM: Car repair manuals for everyone.
Manuals through 2025 now available!

Our trusted friends have launched a new website named LEMON, which has newer manuals. It also contains all the CHARM manuals.

LEMON is the spiritual successor to CHARM, I recommend you try it!

Link: lemon-manuals.la or lemon-manuals.org.ua

(Some people have issue connecting. LEMON is investigating. For now, use Firefox or change your DNS server)

Or, hide this message: temporarily or permanently

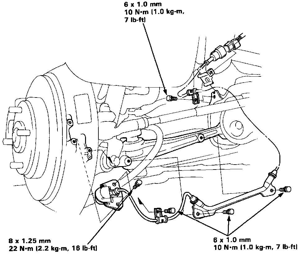
Wheel Speed Sensor: Service and Repair

Front Wheel Sensor Replacement:




Rear Wheel Sensor Replacement:




NOTE:
^ Be careful when installing the sensors to avoid twisting the wires.
^ After sensor replacement, confirm proper operation, refer to Brakes and Traction Control/Brakes/Antilock Brake System/Wheel Speed Sensor/Testing and Inspection/Procedures.