Operation CHARM: Car repair manuals for everyone.
Manuals through 2025 now available!

Our trusted friends have launched a new website named LEMON, which has newer manuals. It also contains all the CHARM manuals.

LEMON is the spiritual successor to CHARM, I recommend you try it!

Link: lemon-manuals.la or lemon-manuals.org.ua

(Some people have issue connecting. LEMON is investigating. For now, use Firefox or change your DNS server)

Or, hide this message: temporarily or permanently

Heater - Control Indicators Do Not Light

Model
1994-95
ACCORD

File Under
ELECTRICAL

Bulletin No.
95018

Issue Date
MAR 20, 1995

Heater Control Panel Indicators Do Not Light

SYMPTOM

The indicator light does not come on when its associated button on the heater control panel is pushed.

PROBABLE CAUSE

The heater control panel circuit board has fractured solder joints.

VEHICLES AFFECTED

1994 Accord:
Sedan - All
Coupe - Thru VIN 1HGCD7...RA059272
Wagon - Thru VIN 1HGCE1...RA012969

1995 Accord:
Sedan - All Japan production
- Thru VIN 1HGCD5...SA001284

WARRANTY CLAIM INFORMATION

In warranty:
The normal warranty applies.

Out of warranty:
Any repair performed after warranty expiration may be eligible for goodwill consideration by the District Service Manager or your Zone Office. You must request consideration, and get a decision, before starting work.

OPERATION DESCRIPTION FLAT RATE
NUMBER TIME

610151 Replace heater control 1.1 hours
panel printed circuit board

A Add for performing repair 0.2 hour
in service bulletin 93-049,
Gauge Panel Creak,
at the same time

Failed part: P/N 79620-SV4-A01
H/C 4276119

Defect code: 064

Contention code: B01

CORRECTIVE ACTION

Replace the heater control panel circuit board with the new part listed under PARTS INFORMATION.

1. Record the customer's radio station presets. If it is an anti-theft radio, make sure you have the anti-theft code.

2. Disconnect the battery.

Center Console:





3. Remove the rear console, the front console, and the radio (refer to section 20 of the service manual).

Instrument Panel Switches:





4. Remove the switches from the instrument panel.

Heater Assemble Cover:





5. Remove the heater assembly cover.

Air Mix Controls:





6. Disconnect the air mix control cable from the clip and arm.

Instrument Panel Removal:





7. Remove the instrument panel from the dashboard.

Heater Control Panel Removal:





8. Remove the heater control panel from the instrument panel.

Heater Control Panel Disassemble:





9. Remove the light bulb socket from the back of the heater control assembly by turning it counterclockwise.

Heater Control Panel Disassemble:





10. Remove the four screws that mount the rear cover to the heater control assembly housing. Release the clip on the bottom of the panel, and remove the rear cover.

Heater Control Panel Disassemble:





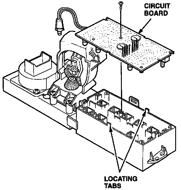
11. Remove the screw that mounts the circuit board to the housing. Grasp the circuit board near its upper and lower locating tabs, and remove the board by pulling it straight out.

Heater Control Panel Assemble:





12. Place the new circuit board in position. Place the rear cover in position on the circuit board. Push down evenly on the rear cover to snap the circuit board and rear cover into place.

13. Reinstall the five screws removed in steps 10 and 11. Install the light bulb socket. Make sure the light bulb wires are properly routed so they will not get pinched.

14. Reinstall the heater control panel in the instrument panel.

15. Reinstall the instrument panel and switches.

Air Mix Controls:





16. Reconnect the air mix control cable end to the arm. Push on the air mix control arm to make sure the air mix doors are closed; then pull back on the air mix control outer cable to remove the slack in the inner cable, and snap the outer cable into the retaining clip.

17. Reinstall the radio, front console, and rear console.

18. Reconnect the battery. Enter the anti-theft code in the radio (if needed) and the customer's presets. Set the clock.

19. Verify that all the heater control panel lights and controls work correctly.

PARTS INFORMATION

Heater control panel circuit board:
P/N 79621-SV4-999, H/C 4728085